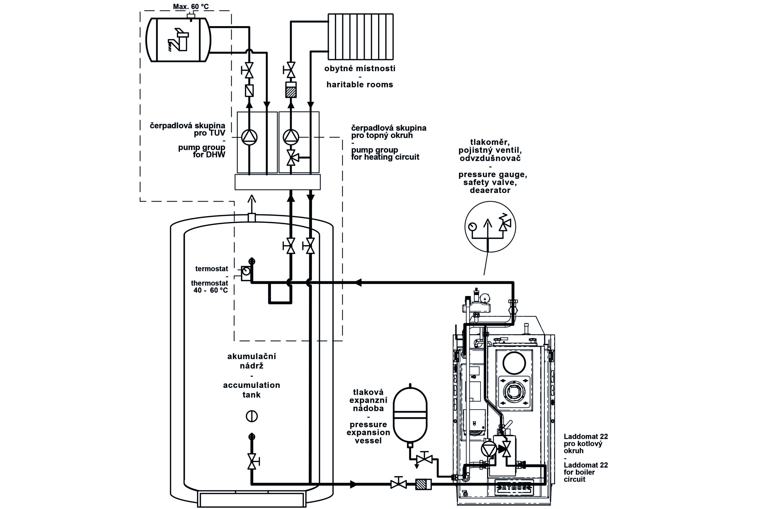
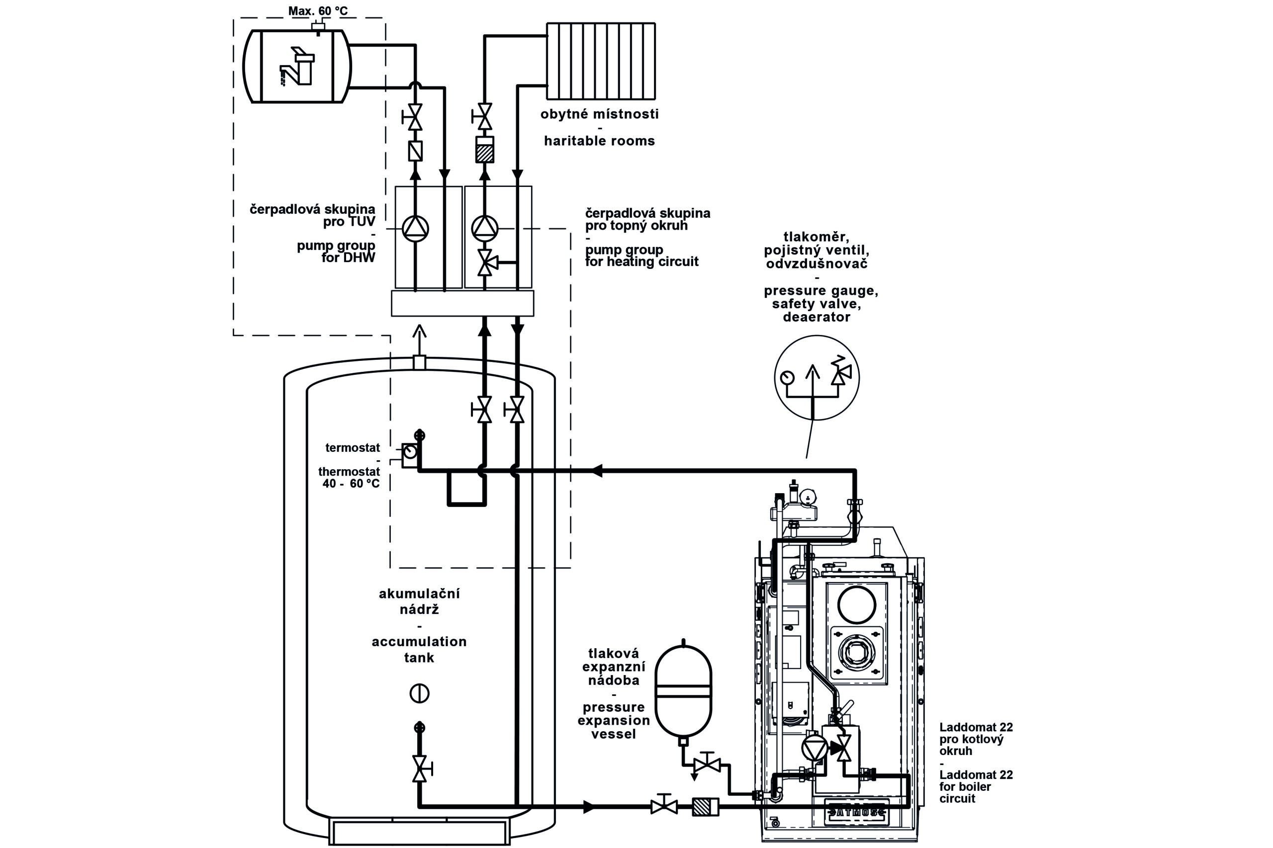
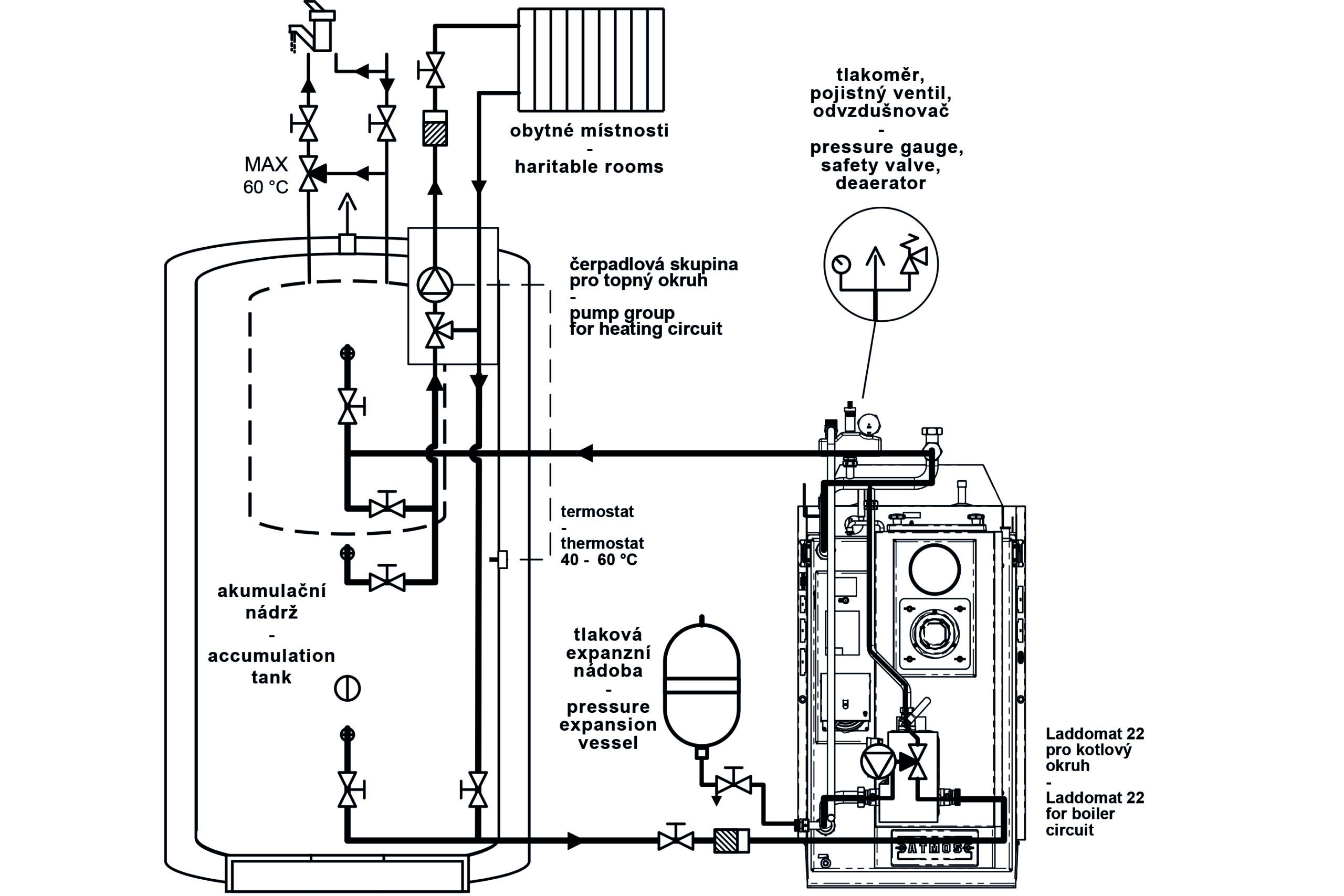
Профессиональный комплект подключения из нержавеющей стали, состоящий из труб диаметром 35 x 1,5 мм, предназначен для поддержания минимальной температуры обратной воды, поступающей в котёл, и быстрого подключения котла с помощью двух резьбовых соединений 6/4” с плоской прокладкой. В состав комплекта подключения входят все необходимые компоненты, предусмотренные производителем — предохранительный клапан на 2,5 бар, воздуховыпускной клапан, манометр, Laddomat 22.
Комплект подключения (котловой контур) готов для подключения котла непосредственно к системе отопления или для соединения котла с аккумулирующими баками. Комплект подключения позволяет использовать насосные группы ATMOS/ESBE, которые — если они применяются в крупной системе отопления — могут быть расширены до двух или трёх отопительных контуров путём приобретения специального коллектора и необходимой насосной группы. Комплект подключения также может быть подключён посредством стандартного отдельного трёхходового клапана и насоса в контуре системы отопления.









