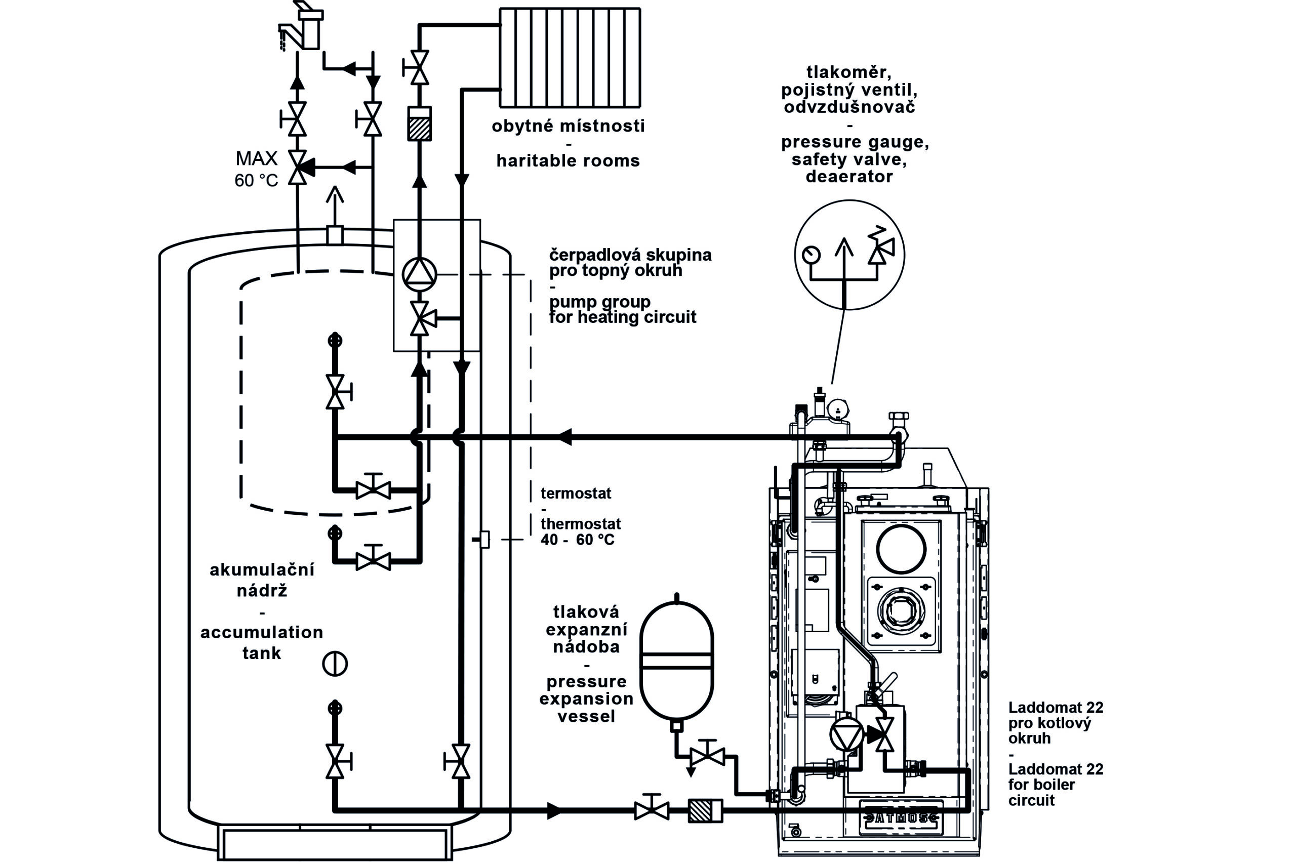
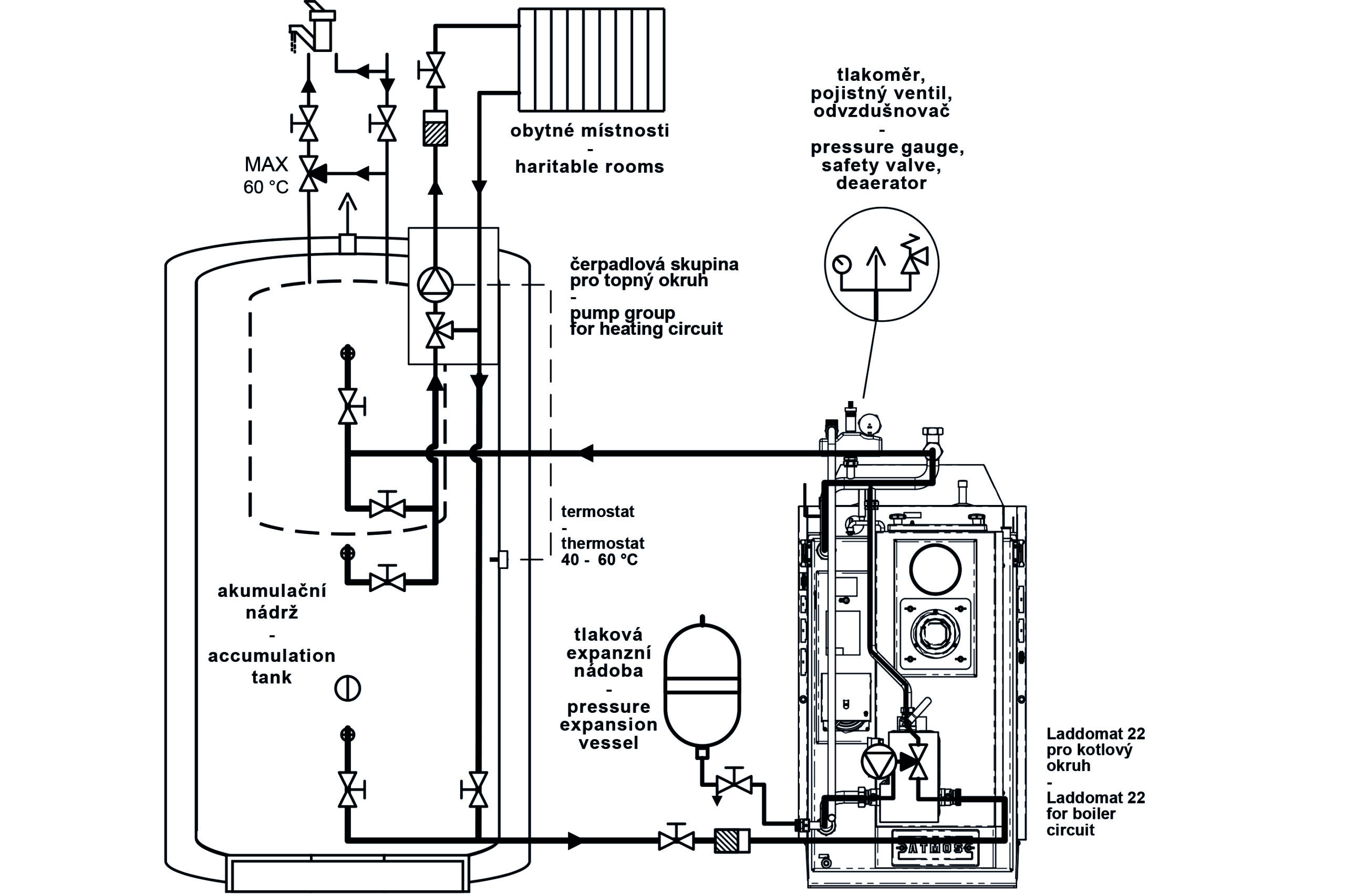
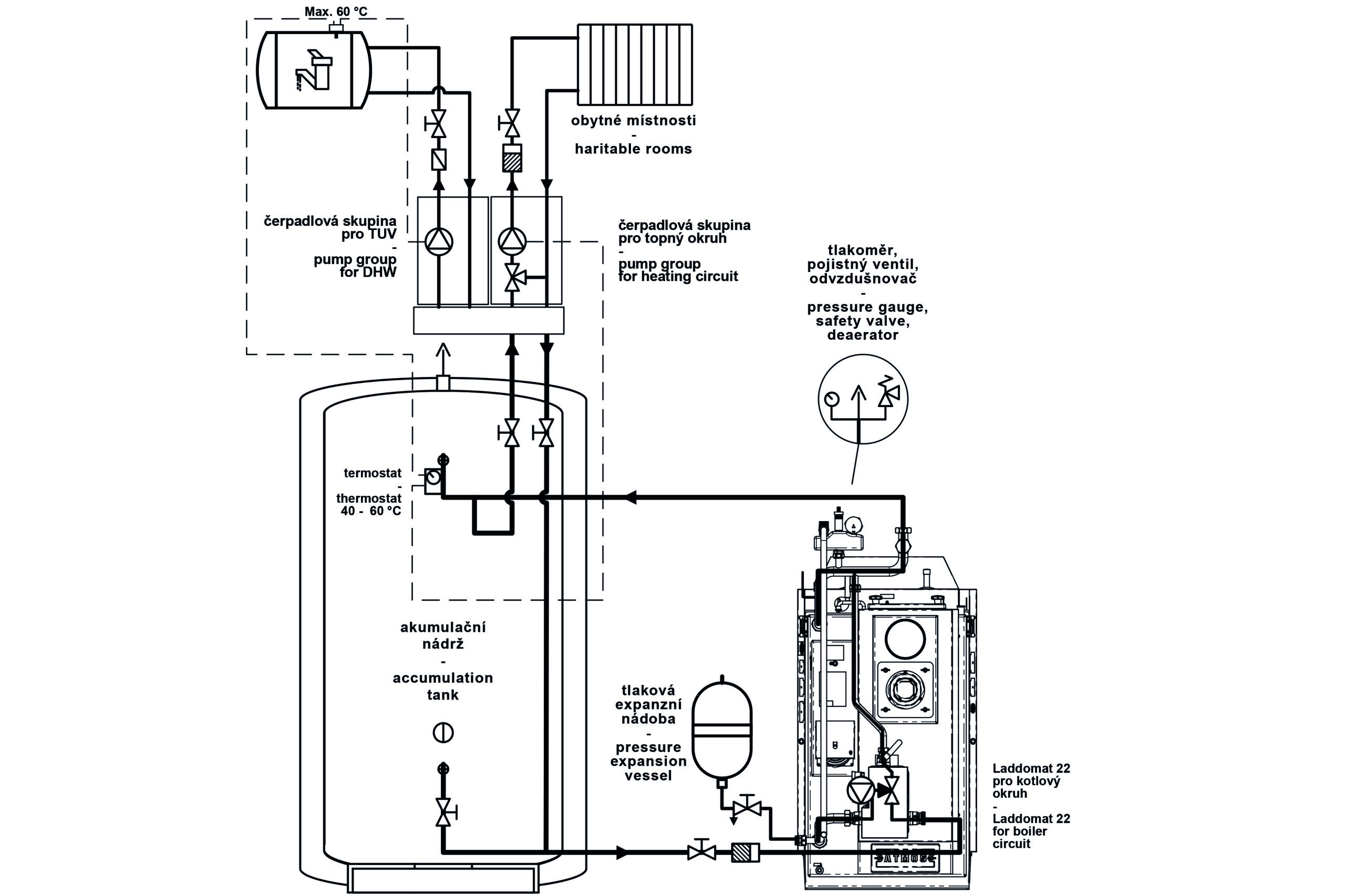
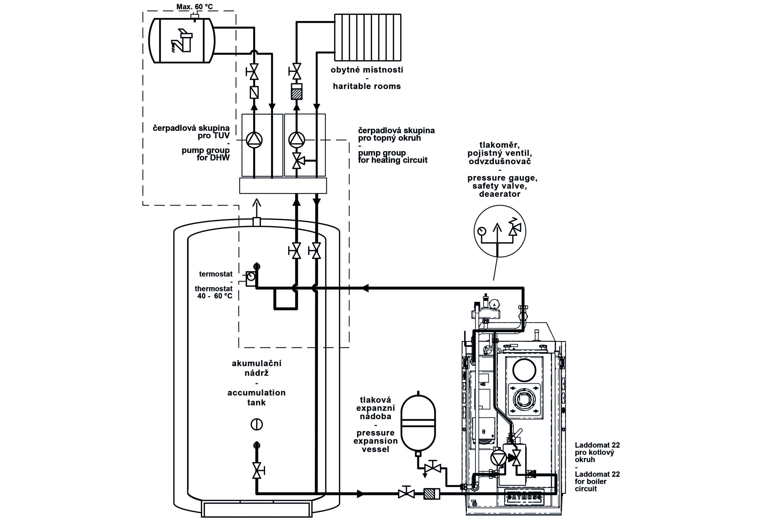
Profesionální nerezové zapojení postavené na potrubí o průměru 35 x 1,5 mm určené pro udržení minimální teploty vratné vody do kotle a rychlé připojení kotle pomocí dvou 6/4” šroubení s plochým těsněním. Zapojení obsahuje všechny potřebné komponenty, které vyžaduje výrobce – pojišťovací ventil 2,5 bar, odvzdušňovací ventil, manometr, Laddomat 22.
Zapojení (kotlový okruh) je připraveno pro připojení kotle přímo do topného systému nebo pro zapojení kotle s akumulačními nádržemi. Zapojení umožňuje použití čerpadlových skupin ATMOS/ESBE, které lze u rozsáhlejšího topného systému rozšířit na dva nebo tři topné okruhy zakoupením speciálního rozdělovače a potřebné čerpadlové skupiny. Zapojení lze také propojit se standardním samostatným trojcestným ventilem a čerpadlem v okruhu topného systému.









