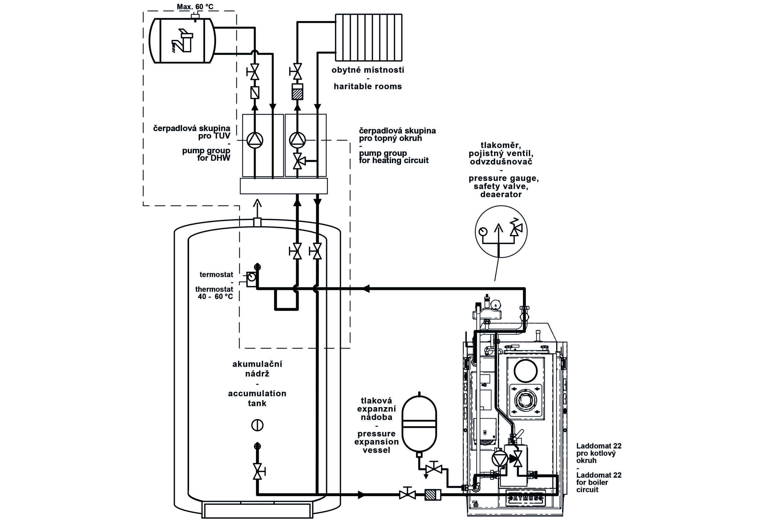
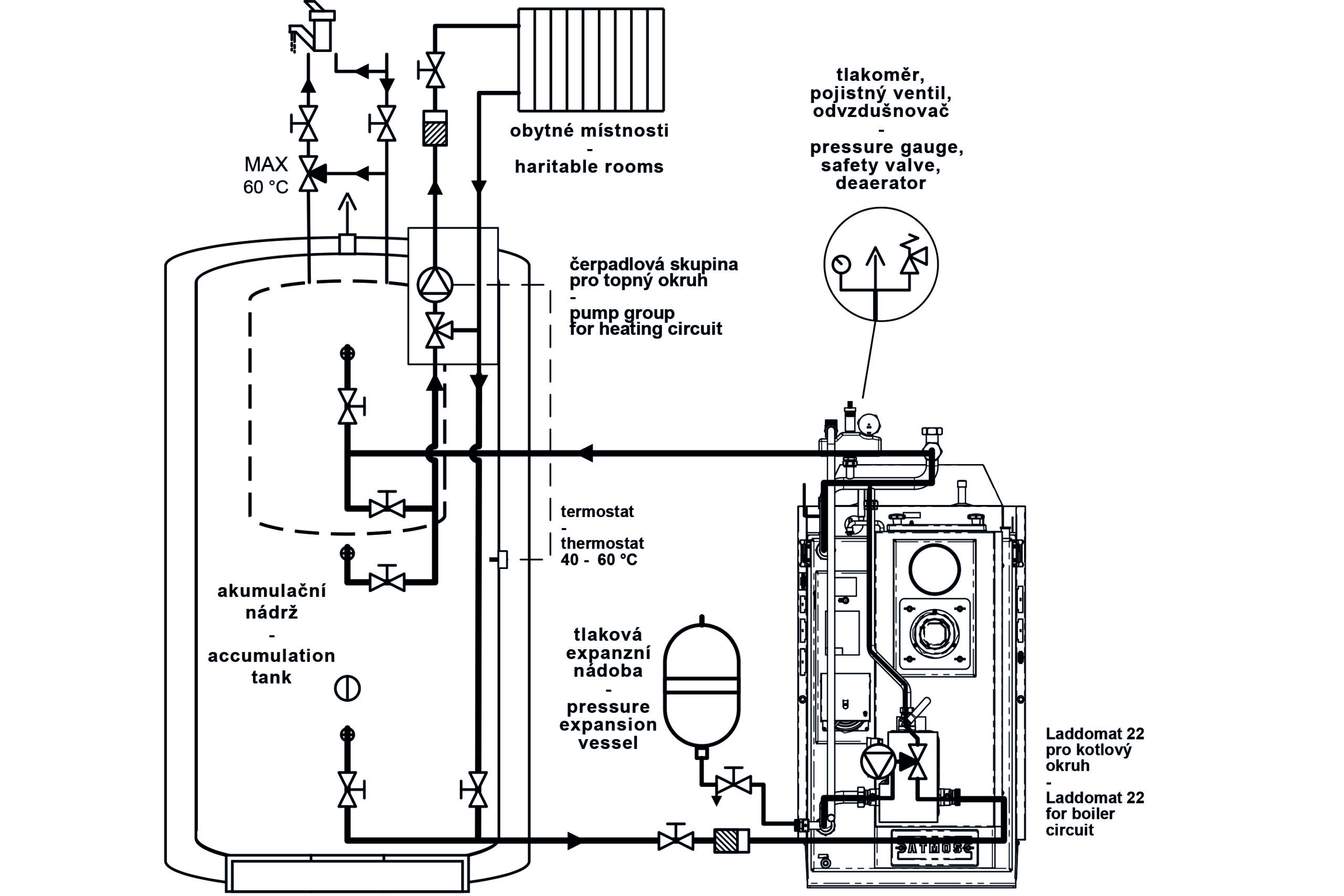
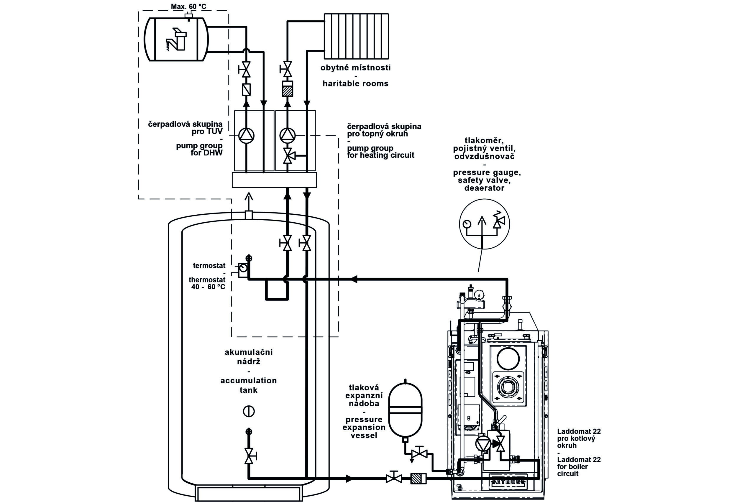
Raccordement professionnel en inox monté sur un tuyau de diamètre 35 x 1,5 mm destiné à maintenir la température minimale de l’eau de retour à la chaudière et raccordement rapide de la chaudière à l’aide de deux raccords 6/4″ à joint plat. Le raccordement contient tous les composants nécessaires exigés par le constructeur (soupape de sécurité 2,5 bar, soupape de purge, manomètre, Laddomat 22).
Le raccordement (circuit chaudière) est préparé pour le raccordement direct de la chaudière à l’installation de chauffage ou pour le raccordement de la chaudière à des réservoirs d`accumulation. La connexion permet l’utilisation de groupes de pompe ATMOS/ESBE, qui peuvent être étendus à deux ou trois circuits de chauffage pour un système de chauffage plus important en achetant un distributeur spécial et le groupe de pompe nécessaire. La connexion peut également être raccordée à une vanne à trois voies séparée standard et à une pompe dans le circuit du système de chauffage.






