Są to kotły skonstruowane do elektronicznie sterowanego spalania pelet z automatycznym zapłonem paliwa. Palnik na pelety jest wbudowany w przedniej części kotła w drzwiczkach komory spalania. Ta komora wyłożonej kształtkami ceramicznymi w celu idealnego wysoce skutecznego dopalenia się płonienia i służy również jako przestrzeń na popiół. W tylnej części kotła znajduje się wymiennik rurowy osadzony zwalniaczami segmentowymi z funkcją oczyszczania wstępnego (roboczego) bez konieczności ich wyjmowania.
Korpus kotła to zespół zespawany z blach stalowych o grubości 3 – 5 mm. Od strony zewnętrznej został termoizolowany filcem mineralnym, włożonym pod blaszane osłony zewnętrznej obudowy kotła. W górnej części znajduje się zasobnik paliwa, z którego pelety są transportowane do palnika za pomocą przenośnika śrubowego. Dawkowanie paliwa jest sterowane w pełni automatycznie. W przedniej części kotłów znajduje się panel zawierający: wyłącznik główny, wyłącznik palnika na pelety (L2) na wypadek czyszczenia, termostat roboczy (regulacyjny), termostat bezpieczeństwa, termometr i bezpiecznik 6,3 A. Kotły DxxPX jest wyposażony w wentylator wyciągowy (oprócz D10PX). Kocioł nie jest wyposażony w pętlę chłodzącą zabezpieczającą kocioł przed przegrzaniem, ponieważ dzięki małej ilości paliwa w palniku nie występuje ryzyko przegrzania kotła w razie przerwy w dostawie energii elektrycznej.
Zalety specjalnych kompaktowych kotłów ATMOS o nowej budowie
- Małe wymiary – kompaktowa konstrukcja dla małych kotłowni – szerokość kotła tylko 594 mm – D10PX, tylko 674 mm – D15PX, D20PX, D25PX.
- Wszystko w jednym – kocioł, podajnik ślimakowy i specjalny palnik oraz zasobnik na pelety na 1 do 3 dni na małej przestrzeni.
- Duży komfort ogrzewania – automatyczna praca z automatycznym zapłonem peletów zgodnie z wymaganą temperaturą (jak w przypadku kotła gazowego).
- Prosta obsługa – możliwość wyboru sterowania kotłem – proste elektromechaniczne / ekwitermiczne z ekranem dotykowym.
- Zdalne sterowanie – możliwość włączania kotła za pomocą prostego termostatu pokojowego lub sterowania przez telefon komórkowy lub komputer przy użyciu regulacji ekwitermiczne ATMOS ACD 03 i bramy WIFI WG1000.
- Wysoka wydajność 91 do 93 % w zależności od typu – niskie zużycie paliwa. Ekologiczne spalanie – kocioł wg ČSN EN 303-5 klasy 5, spełniający europejską dyrektywę EKOPROJEKT 2015/1189.
- Łatwe czyszczenie – wybieranie popiołu tylko od przodu – jedno miejsce do wybierania wszystkiego – rurowy wymiennik ciepła z mechanizmem czyszczącym, bez konieczności demontażu całego kotła i wyjmowania ceramiki z kotła („żadnego lego”).
- Wentylator wyciągowy (oprócz D10PX) – dla gorszych warunków ciągu – bezpyłowe usuwanie popiołu raz na 7 do 30 dni.
- Pneumatyczne czyszczenie palnika – możliwość doposażenia kotła w automatyczne czyszczenie palnika, co pozwala na spalanie peletów gorszej jakości – wyposażenie opcjonalne.
- Pneumatyczny transport peletów – kocioł można doposażyć w pneumatyczny transport peletów z zewnętrznego dużego zasobnika na cały sezon – wyposażenie opcjonalne.
- Specjalne funkcje kotła – ochrona kotła przed niską temperaturą spalin (żywotność komina), ochrona przed całkowitym opróżnieniem podajnika.
- Nadstawki zasobnika pelet – każdy kocioł można doposażyć w nadstawkę, aby zwiększyć objętość zasobnika pelet (wydłużenie czasu palenia bez dokładania).
-
-
Panel sterowania i wąż przyłączeniowy od przenośnika
-
-
Otwarty zbiornik pelet o pojemności 175 l
-
-
Wymiennik rurowy ze zwalniaczami
-
-
Otwarta komora spalania z palnikiem ATMOS A25
-
-
Komora spalania z kształtkami ceramicznymi
-
-
Wentylator wyciągowy (oprócz D10PX) i króciec dymowy
Instalacja
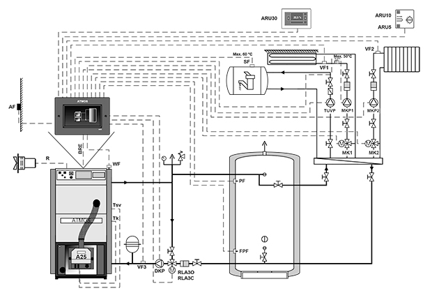
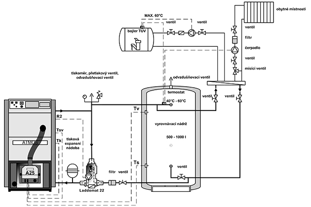
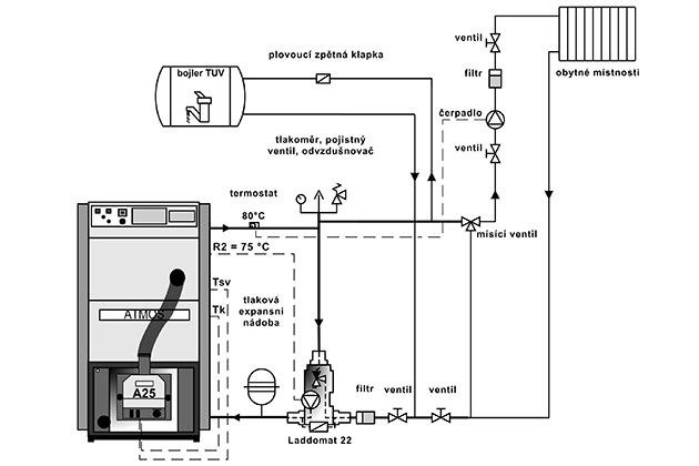
Wymaganą metodą ochrony jest podłączenie kotła w zestawieniu z układem Laddomat 22 lub zaworem termoregulacyjnym, który pozwala na utworzenie niezależnego obwodu kotłowego oraz obwodu grzewczego (obwodu pierwotnego i wtórnego) w celu zapewnienia temperatury wody na powrocie do kotła na poziomie minimum 65 °C. Im wyższa temperatura wody na powrocie do kotła, tym mniej kondensacji smoły i kwasów, które uszkadzają korpus kotła.
Temperaturę na wyjściu z kotła utrzymujemy w przedziale 80 – 90 °C, a na trójdrogowym zaworze mieszającym ustawiamy temperaturę wody dla grzejników lub ogrzewania podłogowego według potrzeb (np. 30 – 80 °C).
Kolejny wariant to podłączenie kotła za pomocą trójdrogowego zaworu mieszającego i słownika sterowanego z regulacji (np. ATMOS ACD 03/04) do utrzymania temperatury minimalnej wody wracającej do kotła (65 – 75 °C).
Kotłów D10PX, D15PX, D20PX i D25PX zalecamy podłączenie zawsze w układzie ze zbiornikiem buforowym o pojemności od 500 do 1000 l. W przypadku połączenia kotła ze zbiornikiem wyrównawczym (akumulacyjnym) kocioł jest najlepiej sterowany według dwóch czujników TS i TV znajdujących się na zbiorniku. W celu sterowania palnikiem za pomocą dwóch temperatur w zbiorniku wyrównawczym (akumulacyjnym) należy zainstalować w zbiorniku dwa czujniki KTF 20 (czujniki TV i TS).
-
-
Laddomat 22 i zawór termoregulacyjny
-
-
Podłączenie kotła DxxPX ze zbiornikiem wyrównawczym
-
-
Prawidłowe podłączenie kotła DxxPX ze zbiornikiem akumulacyjnym i regulacją ACD03/04
-
-
Możliwy podłączenie kotła DxxPX ze zbiornikiem akumulacyjnym oraz sterowanie pompy kotła według temperatury kotła (czujnika TK) z palnika A25
-
-
Prawidłowe podłączenie kotła DxxPX ze zbiornikiem akumulacyjnym i sterowaniem palnika za pomocą czujników TS oraz TV oraz sterowanie pompy kotła według temperatury kotła (czujnika TK) z palnika A25
Regulacja kotłów
Klient otrzymuje kotły z podstawową regulacją mocy kotła, która spełnia wymagania dotyczące wygodnego ogrzewania i bezpieczeństwa. Regulacja zapewnia wymaganą temperaturę wody wyjściowej (80 – 90 °C). Kotły są wyposażone w złącze do podłączenia pompy w układzie kotła i w funkcję do jego sterowania bezpośrednio z regulacji palnika ATMOS A25.
W kotłach DxxPX są fabrycznie zainstalowane czujniki temperatury kotła TK i temperatury spalin TSV. Czujnik TK jest wsunięty w osadniku kotła, czujnik spalin TSV wbudowany w kanał dymowy kotła, oba są wspólnie podłączone bezpośrednio do złącza palnika. Palnik na pelety ATMOS A25 bezpośrednio steruje wentylatorem wyciągowym kotła (wyjściem rezerwowym R) i pompą w układzie kotła (wyjściem rezerwowym R2). Wyjście R2 jest fabrycznie połączone szeregowo z termostatem pompy w układzie kotła TČ70 °C.
W przypadku zalecanego podłączenia kotła ze zbiornikiem wyrównawczym (akumulacyjnym), kocioł jest najlepiej sterowany według dwóch czujników TS i TV umieszczonych na zbiorniku. Załączanie pomp w układzie systemowym nie jest w tym przypadku zależne od temperatury kotła, dlatego rozwiązujemy je na podstawie potencjalnych potrzeb systemu.
-
-
Panel sterowania z regulacją standardową
Wyposażenie panelu:
Wyłącznik główny, termostat zabezpieczający, termometr, termostat regulacyjny i termostat spalinowy
Regulacja elektromechaniczna jest optymalnym rozwiązaniem sterowania pracą kotła (wentylatora) w prosty sposób.
Panel ze standardową regulacją jest podstawową wersją dla wszystkich produkowanych kotłów
Regulacja ekwitermiczna ACD 03
Każdy kocioł można wyposażyć u klienta w regulację elektroniczną ATMOS ACD 03 do sterowania całym systemem grzewczym według temperatury na zewnątrz, temperatury pokojowej i czasu. Ta regulacja jest w stanie sterować też samym kotłem z wentylatorem z wieloma innymi funkcjami.
-
-
Panel sterowania kotła z regulacją ekwitermiczną ATMOS ACD 03
Uzupełnianie paliwa
Kocioł jest wyposażony we wbudowany zasobnik paliwa, który należy uzupełniać raz na 1 – 3 dni.
Jeżeli na wyświetlaczu palnika pojawi się komunikat alarmowy ALARM PELLETS – UZUPEŁNIĆ PELETY, należy uzupełnić pelety do zasobniku paliwa. Otwórz pokrywę zasobnika w górnej części kotła i uzupełnij pelety. Po uzupełnieniu pelet nie trzeba zaczerpnąć pelet do przenośnika! Kocioł jest wyposażony w specjalną funkcję przeciw całkowitemu opróżnieniu przenośnika.
Jeżeli częstotliwość uzupełniania paliwa, jest ze względu na Twoje potrzeby zbyt niska, możesz dokupić przedłużenie zasobniku o wysokości 200 mm (45 l do D10PX – kod: S1343) (65 l do D15PX i D20PX – kod: S1233) (90 l do D25PX – kod: S1315) lub 300 mm (68 l do D10PX – kod: S1344) (95 l do D15PX i D20PX – kod: S1234) (135 l do D25PX – kod: S1316) . W takim przypadku należy do kotła koniecznie dokupić schody, w celu wygodnego uzupełniania paliwa zgodnie z obowiązującymi przepisami bezpieczeństwa.
Idealnym rozwiązaniem jest uzupełnienie kotła o transport pneumatyczny ATMOS APS 150 SPX (D10PX) / ATMOS APS 250 SPX (D15PX i D20PX) / ATMOS APS 250 SPX2 (D25PX) do wygodnego automatycznego uzupełniania paliwa z dowolnego zasobniku, np. na cały sezon (silos materiałowy, oddzielne pomieszczenie).
-
-
Ilustracja standardowego uzupełniania pelet z worków 15 kg
-
-
Kotła z transportem pneumatycznym pelet ATMOS APS 250 SPX
-
-
Rozszerzenie do kotłów DxxP
-
-
Kocioł DxxPX z nadstawką zbiornika 300 mm

Kotłownia z kotłem DxxPX i zbiornikiem z wielopunktowym odsysaniem pelletu transportem pneumatycznym ATMOS APS 250 SPX (2)
Czyszczenie kotła
Czyszczenie palnika a kotła należy przeprowadzać regularnie i dokładnie raz na 5 do 14 dni w zależności od jakości peletów i ustawień mocy.
Kotły są przeznaczone do spalania wysokiej jakości białych pelet z miękkiego drewna bez kory o średnicy 6 – 8 mm, o długości 10 – 40 mm i wartości opałowej 15 – 18 MJ.kg-1. Kocioł nie jest przeznaczony do spalania pelet, które spiekają się w komorze spalania palnika. W takim przypadku należy czyścić komorę spalania palnika raz dziennie lub można wyposażyć palnik ATMOS A25 w czyszczenie pneumatyczne komory. Czyszczenie pneumatyczne docenią przede wszystkim ci, którzy spalają pelety gorszej jakości tworzące spieki.
Wygodne usuwanie popiołu – proste czyszczenie jedynie z przodu. Popiół z całej komory usuniemy za pomocą półkulistej popielniczki (akcesoria kotła). Wsuniemy popielniczkę do kotła na styk, dosuwając popielniczkę do tylnej ściany, zgarniemy popiół do popielniczki i wyciągniemy ją. Nigdy nie pozostawiaj popielniczki w kotle!
Kotły DxxPX są wyposażone w funkcje czyszczenia eksploatacyjnego wymiennika rurowego. W celu czyszczenia roboczego wymiennika rurowego i zwalniaczy użyjemy uchwytu na pokrywie czyszczącej w tylnej części kotła ukrytej pod osłoną. Wyciągając wielokrotnie i puszczając uchwyt, pyłki zostaną wytrząśnięte ze zwalniaczy a ściany dna sitowego zostaną porysowane.
-
-
Ilustracją usuwania popiołu za pomocą popielniczki
-
-
Ilustracja czyszczenia roboczego wymiennika rurowego
Dane techniczne
-
| Legenda do rysunków kotłów |
| 1. |
Korpus kotła |
16. |
Główny wyłącznik (czerwone) |
| 2. |
Drzwiczki wyczystne |
17. |
Termostat regulacyjny (kotłowy) |
| 3. |
Palnik na pelety ATMOS A25 |
18. |
Włącznik palnika (czarna) |
| 4. |
Panel sterowania |
19. |
Termostat bezpieczeństwa |
| 5. |
Przenośnik ślimakowy |
20. |
Bezpiecznik T6,3A/1500 – typ H |
| 6. |
Wypełnienie drzwiczek – Sibral duży z otworem na palnik |
21. |
Osłona pokrywki czyszczącej |
| 7. |
Uszczelka drzwiczek 18 x 18 mm |
22. |
Wentylator – wyciągowy (oprócz D10PX) |
| 8. |
Zamknięcie |
23. |
Kondensator wentylatora wyciągowego – 1μF |
| 9. |
Izolacja pod palnik |
24. |
Pokrywa czyszczenia kanału tylnego |
| 10. |
Zbiornik paliwa 65 l (D10PX) / 175 l (D15PX, D20PX) / 215 l (D25PX) |
25. |
Pokrywa zasobniku |
| 11. |
Wymiennik rurowy |
26. |
Wąż łączący palnika – Ø 65 mm – długość 550 mm (D15PX, D20PX, D25PX) – długość 480 mm (D10PX) |
| 12. |
Zwalniacz z cięgnem czyszczącym i uchwytem |
K |
– króciec kanału dymowego |
| 13. |
Żaroodporna kształtka – dno paleniska + tylna część dla D10PX |
L |
– wyjście wody z kotła |
| 14. |
Żaroodporna kształtka – Osłona |
M |
– wejście wody do kotła |
| 15. |
Termometr |
N |
– króciec na kurek wlewu |
| Wymiary (mm) |
Typ kotła |
|
D10PX |
D15PX |
D20PX |
D25PX |
| A |
1221 |
1411 |
1411 |
1411 |
| B1 |
995 |
1145 |
1145 |
1345 |
| B2 |
1150 |
1447 |
1447 |
1647 |
| C |
594 |
674 |
674 |
674 |
| D |
1012 |
1213 |
1213 |
1213 |
| E |
128/130 |
150/152 |
150/152 |
150/152 |
| G |
140 |
140 |
140 |
140 |
| H |
950 |
1150 |
1150 |
1150 |
| CH |
166 |
166 |
166 |
166 |
| I |
180 |
180 |
180 |
180 |
| J |
6/4″ |
6/4” |
6/4” |
6/4” |
| Dane techniczne |
Typ kotle |
| |
D10PX |
D15PX |
D20PX |
D25PX |
| Moc kotła |
kW |
3 – 10 |
4,5 – 15 |
4,5 – 20 |
4,5 – 24 |
| Powierzchnia grzewcza |
m2 |
1,5 |
1,9 |
1,9 |
2,2 |
| Pojemność zasypu paliwa |
dm3 (l) |
65 |
175 |
175 |
215 |
| Wymiary otworu zasypowego |
mm |
542 x 480 |
542 x 480 |
542 x 480 |
542 x 480 |
| Wymagany ciąg komina |
Pa/mbar |
13 / 0,13 |
15 / 0,15 |
16 / 0,16 |
17 / 0,17 |
| Maks. ciśnienie robocze wody |
kPa/bar |
250 / 2,5 |
250 / 2,5 |
250 / 2,5 |
250 / 2,5 |
| Masa kotła |
kg |
287 |
345 |
345 |
418 |
| Średnica króćca spalinowego |
mm |
128/130 |
150/152 |
150/152 |
150/152 |
| Stopień ochrony części elektrycznej |
IP |
20 |
20 |
20 |
20 |
Moc el. pobierana – podczas rozruchu
– podczas pracy |
W |
522/1042
42 |
572/1092
92 |
572/1092
92 |
572/1092
92 |
| Sprawność kotła |
% |
91,6 |
92,7 |
91,5 |
91,8 |
| Klasa kotła |
|
5 |
5 |
5 |
5 |
| Klasa efektywności energetycznej |
|
A+ |
A+ |
A+ |
A+ |
| Temperatura spalin przy mocy znamionowej (pelety) |
°C |
117 |
118 |
142 |
145 |
Temperatura spalin / ciąg do obliczenia drogi spalin (komin)
|
°C / Pa |
127 / 13 |
128 / 15 |
142 / 16 |
145 / 17 |
| Przepływ masowy spalin przy mocy znamionowej (pelety) |
kg / s |
0,055 |
0,083 |
0,011 |
0,013 |
| Wymagane paliwo (korzystne) |
jakościowy pellet o średnicy 6 – 8 mm, długości od 10 do 40 mm i kaloryczności 15 – 18 MJ.kg-1 (biały pellet) |
Przeciętne zużycie paliwa – peletów
przy mocy znamionowej |
kg |
2,3 |
3,6 |
4,5 |
5,4 |
| Objętość wody w kotle |
l |
50 |
76 |
76 |
85 |
| Strata hydrauliczna kotła |
mbar |
0,19 |
0,20 |
0,20 |
0,22 |
| Minimalna objętość zbiornika buforowego |
l |
300 |
500 |
500 |
500 |
| Napięcie zasilania |
V/Hz |
230/50 |
Wymagana temperatura minimalna wody na powrocie w czasie pracy kotła wynosi 65 °C.
Wymagana temperatura robocza kotła wynosi 80 – 90 °C.
Palnik na pellet
do kotłów D10PX, D15PX, D20PX i D25PX
Wymagane paliwo: jakościowy pellet o średnicy 6 – 8 mm, długości od 10 do 40 mm i kaloryczności 15 – 18 MJ.kg-1 (biały pellet)
Wyświetlacz palnika: służy do wyświetlania aktualnego stanu palnika i ustawiania jego funkcji
Sterowanie palnikiem: elektroniczna regulacja AC07X, która steruje pracą podajnika zewnętrznego, dwóch spiral zapłonowych i wentylatorów według potrzeb kotła i systemu grzewczego. Elektronika jest zabezpieczona termostatem zabezpieczającym kotła, termostatem zabezpieczającym na doprowadzeniu pelet do palnika, czujnikiem obrotów wentylatora i fotokomórką do śledzenia płomienia. Praca palnika jest sygnalizowana na wyświetlaczu regulacji elektronicznej.
Palnik w wykonaniu do kotłów DxxPX posiada dodatkowo moduł rozszerzający AC07X-C – (R5, R6) do sterowania pneumatycznego czyszczenia palnika lub innego wyposażenia.
Zapalanie opału: automatyczne z pomocą dwóch elektrycznych spiral zapłonowych.
Podstawowe funkcje palinka:
Wyjścia rezerwowe R i R2 do sterowania wentylatora wyciągowego kotła i pompy w układzie kotła (podłączono fabrycznie)
Możliwość wykorzystania dwóch wyjść rezerwowych R5 i R6 do różnych zastosowań
Możliwość podłączenia czterech różnych czujników TS, TV, TK i TSV
TK – czujnik temperatury kotła (podłączono fabrycznie)
TSV – czujnik temperatury spalin (podłączono fabrycznie)
TS – czujnik dolnej temperatury na zbiorniku
TV – czujnik górnej temperatury na zbiorniku
- sterowanie wentylatorem kotła z palnika za pomocą wyjścia rezerwowego (R) (podłączono fabrycznie) (oprócz D10PX)
- sterowanie pompą kotła z palnika za pomocą wyjścia rezerwowego (R2) (podłączono fabrycznie)
- sterowanie palnikiem według dwóch temperatur na zbiorniku wyrównawczym
Dawkowanie paliwa: do kotłów DxxPX jest przeznaczony specjalny przenośnik DRA25 wbudowany bezpośrednio w kotle. Przenośnik jest sterowany z elektronicznej regulacji palnika i dawkuje paliwo ze zbiornika do palnika.