Les chaudières à eau chaude de la marque ATMOS D10PX, D15PX, D20PX et D25PX ont été conçues pour chauffer des maisons familiales à l’aide de pellets. Cette solution compacte permet son installation dans les petites chaufferies. Pour vous chauffer, vous pourrez utiliser des pellets de qualité, d’un diamètre de 6 à 8 mm. La chaudière n´est pas conçue pour y brûler des sciures ni des petits déchets en bois.
- Installation
- Régulation des chaudières
- Remplissage de combustible
- Nettoyage des chaudières
- Détails techniques
- Brûleur
-
Les chaudières sont conçues pour la combustion contrôlée électroniquement des granulés avec allumage automatique du combustible. Le brûleur à granulés est intégré dans la partie avant de la chaudière dans la porte de la chambre de combustion inférieure. Cette chambre est doublée de raccords en céramique pour une combustion idéale de la flamme avec un rendement élevé et sert également d’espace pour les cendres. Dans la partie arrière de la chaudière, il y a un échangeur de chaleur tubulaire équipé de freins à segments avec la fonction de nettoyage grossier (opérationnel) sans qu’il soit nécessaire de les retirer.
Le corps des chaudières est constitué d’une pièce soudée en tôle d’acier d’une épaisseur de 3 à 5 mm. Isolation thermique par l’extérieur avec feutre minéral et isolation Sibral, insérée sous les capots en tôle de l’enveloppe extérieure des chaudières. Un réservoir de carburant est situé dans la partie supérieure, à partir duquel les granulés sont transportés vers le brûleur à l’aide d’un convoyeur à vis. Le dosage du carburant est contrôlé de manière entièrement automatique. Dans la partie avant des chaudières, il y a un panneau avec l’interrupteur principal, l’interrupteur du brûleur à granulés (L2) pour le nettoyage, le thermostat de fonctionnement (régulation de la chaudière), le thermostat de sécurité, le thermomètre et le fusible de 6,3 A. Les chaudières DxxPX sont équipées d’un ventilateur d’extraction (sauf D10PX). La chaudière n’est pas équipée d’une boucle de refroidissement contre la surchauffe, car en raison de la faible quantité de combustible dans le brûleur, il n’y a aucun risque de surchauffe de la chaudière en cas de panne de courant.
Avantage des chaudiere compacte ATMOS
- Petites dimensions – conception compacte pour les petites chaufferies – largeur de la chaudière seulement 594 mm – D10PX, seulement 674 mm – D15PX, D20PX, D25PX
- Tout en un – chaudière, convoyeur à vis sans fin et brûleur spécial ainsi qu’un réservoir à granulés pour 1 à 3 jours dans un petit espace
- Grand confort de chauffage – fonctionnement automatique avec allumage automatique des granulés selon la température requise (comme avec une chaudière à gaz)
- Utilisation simple – possibilité de choisir la régulation de la chaudière – électromécanique simple / équithermique avec écran tactile
- Commande à distance – possibilité de mise en marche de la chaudière par un simple thermostat d’ambiance ou commande via téléphone portable ou ordinateur en utilisant la régulation équithermique ATMOS ACD 03 et la passerelle WIFI WG1000
- Haut rendement de 91 à 93 % selon le type – faible consommation de combustible. Combustion respectueuse de l’environnement – chaudière selon la norme ČSN EN 303-5 classe 5, conforme à la directive européenne ÉCODESIGN 2015/1189
- Nettoyage facile – ramassage des cendres uniquement par l’avant – un seul point de ramassage pour tout – échangeur tubulaire avec mécanisme de nettoyage, sans avoir besoin de démonter toute la chaudière et de retirer la céramique de la chaudière (« pas de lego »)
- Ventilateur d’extraction (sauf D10PX) – pour des conditions de tirage plus faibles – ramassage des cendres sans poussière une fois tous les 7 à 30 jours
- Nettoyage pneumatique du brûleur – possibilité d’équiper la chaudière d’un nettoyage automatique du brûleur, ce qui permet de brûler des granulés de qualité inférieure – accessoire optionnel
- Transport pneumatique des granulés – la chaudière peut être complétée par un transport pneumatique des granulés à partir d’un grand réservoir externe pour toute la saison – accessoire optionnel
- Fonctions spéciales de la chaudière – protection de la chaudière contre la basse température des fumées (durée de vie de la cheminée), protection contre le vidage complet du convoyeur d’alimentation
- Extensions du réservoir à granulés – chaque chaudière peut être complétée par une extension pour augmenter le volume du réservoir à granulés (prolongation du temps de combustion sans rechargement)
- Panneau de contrôle
- Réservoir à granulés d’un volume de 175 l
- Echangeur à tube avec turbulateur
- Chambre de combustion et brûleur ATMOS A25
- Chambre de combustion céramique
- Extracteur de fumées
Installation
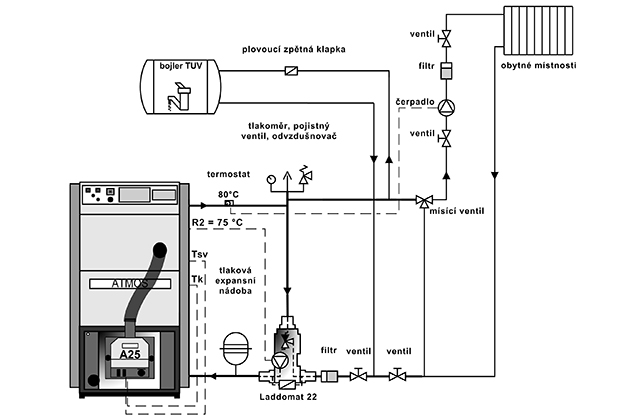
La solution préconisée consiste à l’installation de la chaudière avec le Laddomat 22 ou une vanne trois voie thermostatique, ce qui permet de créer deux circuits séparés chaudière et chauffage (primaire et secondaire) et d’assurer une température minimun de retour à 65 °C. Plus la température de retour est haute, plus vous éviter les phénomène de condensation acide et de goudron dans la chaudière.
Nous maintenons la température de sortie de la chaudière dans la plage de 80 à 90 °C et réglons la température de l’eau des radiateurs ou du chauffage au sol sur le mitigeur à trois voies selon les besoins (par exemple 30 à 80 °C).
Il est aussi possible d’installer la chaudière avec une vanne trois voie et servomoteur contrôlé par une régulation ( e.g. ATMOS ACD 03/04) pour conserver une température minimum de retour chaudière à (65 – 75 °C).
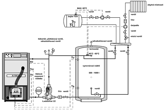
Nous recommandons de toujours associer aux chaudières D10PX, D15PX, D20PX et D20PX un ballon tampon de 500 à 1000 litres. Quand vous connecter la chaudière à un ballon tampon, la chaudières est pilotée par les deux sondes TS et TV mise dans le ballon.
- Laddomat 22 et soupape de thermorégulation
- Chaudière DxxPX avec ballon tampon
- Chaudière D15PX, D20PX avec ballon tampon et régulation ACD 03/04
- Raccordement possible de la chaudière DxxPX avec un ballon tampon et pilotage de la pompe chaudière en fonction de la température chaudière (sonde TK) depuis le brûleur A25
- Chaudière D15PX, D20PX avec ballon tampon et pilotage par les sondes TV et TS et pilotage de la pompe par la température chaudière (sonde TK)
Régulation des chaudières
Les chaudières sont livrées aux consommateurs avec une régulation de base des performances de la chaudière qui répond aux exigences de confort et de sécurité de chauffage. La régulation assure la température d’eau de sortie souhaitée de la chaudière (80 – 90 °C). Les chaudières sont équipées d’un connecteur pour le raccordement de la pompe au circuit de la chaudière et des fonctions pour sa commande directement depuis le coffret de commande du brûleur ATMOS A25.
Les chaudières DxxPX sont équipées en usine des sondes de température de chaudière TK et de température des fumées TSV. Sonde TK insérée dans le puisard de la chaudière, sonde de fumées TSV intégrée dans le carneau de la chaudière, le tout relié entre eux directement au connecteur du brûleur. Le brûleur à granulés ATMOS A25 pilote directement le ventilateur d’évacuation de la chaudière (réserve R) et la pompe du circuit de la chaudière (réserve R2). La sortie R2 est réglée en usine en série avec le thermostat de la pompe du circuit chaudière TČ70 °C.
Avec le raccordement recommandé de la chaudière avec un réservoir d’égalisation (accumulation), la chaudière est mieux contrôlée en fonction des deux capteurs TS et TV situés sur le réservoir. Dans ce cas, la commutation des pompes dans le circuit du système ne dépend pas de la température de la chaudière, nous les résolvons donc en fonction des besoins potentiels du système.

Tableau de commande chaudière avec régulation standard
Composition du panneau de contrôle:
Interrupteur principal, thermostat de sécurité, thermomètre, thermostat chaudière et thermostat de fumée.
La régulation électro-mécanique est la solutions optimale pour un fonctionnement simple de la chaudière (et de son extracteur).
Le panneau de contrôle standard se retrouve sur l’ensemble de notre gamme de chaudières.
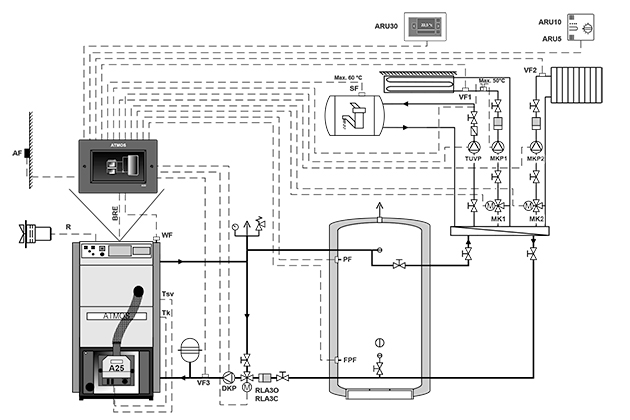
Régulation équithermique ACD 03
Chaque chaudière peut être équipée ultérieurement d’une commande électronique tactile moderne ATMOS ACD 03 pour contrôler l’ensemble du système de chauffage en fonction de la température extérieure, de la température ambiante et du temps. Cette régulation est capable de contrôler même la chaudière elle-même avec un ventilateur avec de nombreuses autres fonctions.

Tableau de commande chaudière avec régulation équithermique ATMOS ACD 03
Remplissage de combustible
La chaudière est équipée d’un silo intégré qui doit être rempli tous les 1 à 3 jours.
Si le message d’alarme ALARME PELLETS – REMPLIR PELLET apparait sur l’écran du brûleur, des granulés doivent être ajoutés dans le silo. Ouvrir le couvercle du silo et ajouter les granulés. Eteignez et rallumer l’interrupteur principal (rouge) sur le tableua du brûleur pour retirer l’alarme et redémarrer la chaudière. Quand les granulés sont ajoutés, il n’est pas nécéssaire de remplier le convoyeur! La chaudière est équipée d’une fonction contre le vidage complet du silo.
Dans le cas ou l’intervalle de remplissage est trop court par rapport au besoin, une réhausse de 200 mm ou 300 mm peut être ajouté (à acheter) sur le haut du silo de la chaudière.
Cependant, la solution idéale consiste à compléter la chaudière avec un transport pneumatique de granulés ATMOS APS 150 SPX (D10PX) / ATMOS APS 250 SPX (D15PX et D20PX) / ATMOS APS 250 SPX2 (D25PX) pour un ravitaillement automatique confortable à partir de n’importe quel réservoir, par exemple pour le toute la saison (silo textile, local séparé).
- Exemple d’un rechargement avec sac de 15 kg. La grille de protection ne doit jamais être enlevée.
- Exemple d’une chaudière avec alimentation pneumatique ATMOS APS 150 SPX, ATMOS APS 250 SPX(2)
- Embout pour chaudières DxxP
- Chaudière DxxPX avec embout de réservoir de 300 mm

Chaufferie avec chaudière DxxPX et réservoir d‘accumulation
avec aspiration multipoint des granulés à bois par transport pneumatique ATMOS APS 250 SPX(2)
Nettoyage des chaudières
Le brûleur et la chaudière doivent être nettoyés régulièrement et minutieusement une fois par 1 à 14 jours, en fonction de la qualité des pellets et des réglages de la puissance.
Les chaudières sont destinées uniquement aux granulés blancs de haute qualité en bois tendre sans écorce d’un diamètre de 6 à 8 mm, d’une longueur de 10 à 25 mm et d’un pouvoir calorifique de 16 à 19 MJ.kg-1. La chaudière n’est pas destinée aux pellets qui sont cuits dans la chambre de combustion du brûleur. Dans ce cas, il est nécessaire de nettoyer la chambre de combustion du brûleur une fois par jour ou le brûleur à granulés de bois ATMOS A25 peut être équipé d’un nettoyage pneumatique de la chambre de combustion. Ce nettoyage sera particulièrement apprécié par ceux qui brûlent des granulés de bois de qualité inférieure qui créent certaines cendres.
Élimination pratique des cendres – nettoyage simple uniquement par l’avant. Enlevez les cendres de toute la chambre de combustion avec le cendrier demi-rond (accessoire de la chaudière). Insérez le cendrier dans la chaudière jusqu’au bout,poussez la cendre dan sle cendrier en le poussant jusqu’à la paroi arrière et retirer le cendrier. Ne laissez jamais le cendrier dans la chaudière!
Les chaudières DxxPX sont équipées de la fonction de nettoyage opérationnel de l’échangeur tubulaire. Pour le nettoyage opérationnel de l’échangeur de chaleur tubulaire et des freins, on utilise la poignée sur le bouchon de nettoyage dans la partie arrière de la chaudière, cachée sous le couvercle. En tirant et en relâchant à plusieurs reprises la poignée, la cendre sera éjectée des freins et les parois du tube seront raclées.
- Surface d’échange de la chaudière et par exemple des cendres enlever avec un cendrier
- Exemple de nettoyage de l’échangeur tubulaire et des turbulateurs avec mouvement de montée et descente
Détails techniques

| Description du dessin de la chaudière | |||
| 1. | Corps de la chaudière | 16. | Interrupteur général (rouge) |
| 2. | Porte de de nettoyage | 17. | Thermostat de régulation (de la chaudière) |
| 3. | Brûleur aux pellets ATMOS A25 | 18. | Interrupteur du brûleur (noir) |
| 4. | Panneau de commande | 19. | Thermostat de sécurité |
| 5. | Convoyeur à vis | 20. | Fusible T6,3A/1500 – typ H |
| 6. | Remplissage des portes – Sibral gros orifice brûleur | 21. | Couvercle de nettoyage |
| 7. | Joint de la porte – tresse 18 x 18 mm | 22. | Ventilateur – extracteur (à l´exception D10PX) |
| 8. | Verrouillage | 23. | Condensateur pour ventilateur de tirage – 1μF |
| 9. | Isolation sous brûleur | 24. | Couvercle de nettoyage arrière |
| 10. | La trémie à combustible 65 l (D10PX) / 175 l (D15PX, D20PX) / 215 l (D25PX) | 25. | Couvercle du réservoir |
| 11. | Tube échangeur | 26. | Tuyau de raccordement du brûleur – Ø 65 mm – longueur 550 mm (D15PX, D20PX, D25PX) – longueur 480 mm (D10PX) |
| 12. | Turbulateur avec poignée de nettoyage | K | – goulot de la tuyauterie des fumées |
| 13. | Raccord réfractaire – fond de la chaudière + face arrière pour D10PX | L | – sortie de l´eau de la chaudière |
| 14. | Raccord réfractaire – Cloison | M | – entrée de l´eau dans la chaudière |
| 15. | Thermomètre | N | – manchon pour le robinet d´alimentation |
| Dimensions (mm) | Type de chaudière | |||
| D10PX | D15PX | D20PX | D25PX | |
| A | 1221 | 1411 | 1411 | 1411 |
| B1 | 995 | 1145 | 1145 | 1345 |
| B2 | 1150 | 1447 | 1447 | 1647 |
| C | 594 | 674 | 674 | 674 |
| D | 1012 | 1213 | 1213 | 1213 |
| E | 128/130 | 150/152 | 150/152 | 150/152 |
| G | 140 | 140 | 140 | 140 |
| H | 950 | 1150 | 1150 | 1150 |
| CH | 166 | 166 | 166 | 166 |
| I | 180 | 180 | 180 | 180 |
| J | 6/4″ | 6/4” | 6/4” | 6/4” |
| Caractéristiques techniques | Type de chaudière | ||||
| D10PX | D15PX | D20PX | D25PX | ||
| Rendement thermique de la chaudière | kW | 3 – 10 | 4,5 – 15 | 4,5 – 20 | 4,5 – 24 |
| Puissance thermique de la chaudière | kW | 3,2 – 10,9 | 4,8 – 16,3 | 4,8 – 21,9 | 4,8 – 26,2 |
| Surface de chauffe | m2 | 1,5 | 1,9 | 1,9 | 2,2 |
| Volume du puits à combustible (réservoir) | dm3 (l) | 65 | 175 | 175 | 215 |
| Dimensions de l´orifice de remplissage | mm | 542 x 480 | 542 x 480 | 542 x 480 | 542 x 480 |
| Tirage de la cheminée prescrit | Pa/mbar | 13 / 0,13 | 15 / 0,15 | 16 / 0,16 | 17 / 0,17 |
| Surpression de travail de l´eau max. | kPa/bar | 250 / 2,5 | 250 / 2,5 | 250 / 2,5 | 250 / 2,5 |
| Poids de la chaudière | kg | 287 | 345 | 345 | 418 |
| Diamètre du goulot de soutirage | mm | 128/130 | 150/152 | 150/152 | 150/152 |
| Protection des parties électriques | IP | 20 | 20 | 20 | 20 |
| Puissance électrique (auxiliaire) – au démarrage – standard / spécial – pendant le fonctionnement – minimum / nominal |
W | 522 / 1042 22 / 42 |
572 / 1092 22 / 92 |
572 / 1092 22 / 92 |
572 / 1092 22 / 92 |
| W | 3,3 | 3,3 | 3,3 | 3,3 | |
| Rendement de la chaudière | % | 91,6 | 92,7 | 91,5 | 91,8 |
| Rendement utile à puissance nominale (ηn) | % | 85,8 | 84,0 | 83,4 | 83,8 |
| Classe de la chaudière | 5 | 5 | 5 | 5 | |
| Catégorie de chaudière | 1 | ||||
| Mode de fonctionnement | sans condensation | ||||
| Chaudière à combustible solide avec unité de cogénération | non | ||||
| Équipement combiné également pour le chauffage des ECS | non |
||||
| Classe d‘efficacité énergétique | A+ | A+ | A+ | A+ | |
| Température des résidus à la puissance nominale (pellets) | °C | 117 | 118 | 142 | 145 |
| Température des fumées / tirage pour le calcul du parcours des fumées (cheminée) | °C / Pa | 127 / 13 | 128 / 15 | 142 / 16 | 145 / 17 |
| Débit massique des résidus à la puissance nomin (pellets) | kg / s | 0,055 | 0,083 | 0,011 | 0,013 |
| Combustible prescrit (de référence) | pellets de qualité, d’un diamètre de 6 à 8 mm, d’une longueur de 10 à 40 mm et d’un pouvoir calorifique de 15 à 18 MJ.kg-1 | ||||
| Consommation moyenne en pellets à la puissance nominale | kg.h-1 | 2,3 | 3,6 | 4,5 | 5,4 |
| Volume d´eau dans la chaudière | l | 50 | 76 | 76 | 85 |
| Perte hydraulique de la chaudière | mbar | 0,19 | 0,20 | 0,20 | 0,22 |
| Volume minimal du bassin de compensation | l | 300 | 500 | 500 | 500 |
| Tension de raccordement | V/Hz | 230/50 | |||
Température minimale prescrite pour l´eau de retour en exploitation : 65 °C
Température d´exploitation prescrite pour la chaudière : 80 – 90 °C
Brûleur
Brûleur à pellets ATMOS A25
pour chaudières D10PX, D15PX, D20PX et D25PX
Carburant prescrit: pellets de qualité, d’un diamètre de 6 à 8 mm, d’une longueur de 10 à 40 mm et d’un pouvoir calorifique de 15 à 18 MJ.kg-1
Ecran du brûleur: permet d’afficher le statut du brûleur et de le paramétrer
Pilotage du brûleur: l’unité AC07X permet de piloter le convoyeur, les deux résistance d’allumage et le ventilateur en accord avec la demande du brûleur le le système de chauffage. Le système électronique est protégé par le thermostat de sécurité du brûleur, le thermostat de sécurité sur l’arrivée des granulés, le capteur de vitesse du ventilateur et le capteur de flamme. Les phases opératoires du brûleur sont indiqués sur l’écran de contrôle.
Le brûleur dans la version pour chaudières DxxPX contient en outre le module d’extension AC07X-C – (R5, R6) pour contrôler le nettoyage pneumatique du brûleur ou d’autres applications possibles.
Allumage: automatique grâce à deux résistances.
Fonctions du brûleur:
Possibilité d’utiliser deux sorties R et R2 pour des différentes applications.
Possibilité de considérer quatre différents capteurs TS, TV, TK et TSV
TS – capteur de bas de ballon tampon
TV – capteur de haut de ballon tampon
TK – capteur chaudière ou capteur de milieu de ballon tampon
TSV – capteur de gaz de fumées ou capteur solaire
- contrôle du ventilateur par la sortie auxiliaire(R)
- contrôle de la pompe par le sortie auxiliaire (R2)
- le brûleur est contrôlé en fonction de deux températures (capteurs) sur le ballon tampon
- contrôle du système solaire directement par le brûleur
- démarrage automatique du brûleur après la combustion de la charge de bois pour les chaudières DCxxSP(X)
Dosage du carburant: pour les chaudières DxxPX, un convoyeur spécial DRA25 intégré directement dans la chaudière est prévu. Ce convoyeur est commandé depuis la commande électronique du brûleur et distribue le combustible du réservoir au brûleur.

















