Die Warmwasserkessel ATMOS PX10, PX15, PX20 und PX25 sind für komfortable Pelletheizung der Familienhäuser, Landhäuser und sonstiger Objekte bestimmt. Die Kessel werden als eine geschlossene Anlage mit einem eingebauten Förderschnecke, Pelletsbehälter mit dem Inhalt von 65 / 175 / 215 Liter und einem Pelletsbrenner ATMOS A25 geliefert.
Die Kompaktlösung ermöglicht den Einbau in kleine Kesselanlagen.
- Instalation
- Betrieb und regulation
- Nachfüllen des Brennstoffsing
- Kesselreinigung
- Spezifikationen
- Pelletbrenner
- Zum Herunterladen
-
Kompakte Pelletskessel
-
Kesselwirkungsgrad nach Typ 91.5 - 92.7 %
-
Erfüllt die Anforderungen für Ökodesign (2015/1189)
-
Kesselklasse 5 (ČSN EN 303-5)
Kesselkonstruktion
Die Kessel sind für die elektronisch gesteuerte Pelletsverbrennung mit automatischer Zündung des Brennstoffs konstruiert. Der Pelletsbrenner ist im vorderen Kesselbereich in der Tür der unteren Verbrennungskammer eingebaut. Diese Kammer mit keramischen Formsteinen für optimalen Brenschluss mit hohem Wirkungsgrand ausgekleidet ist und dient gleichzeitig als Raum für Asche. Im hinteren Kesselbereich ist ein Rohraustauscher mit Segmentbremselementen eingebaut, die zur groben (betrieblichen) Reinigung ohne Ausbau dienen.
Das Kesselgehäuse ist als Schweißstück aus Stahlblechen mit Stärke von 3 – 5 mm hergestellt. Das Kesselgehäuse ist von außen mit Mineralfilz wärmegedämmt, der unten Blechabdeckung des Kesselaußenmantels eingelegt ist.
In dem oberen Bereich befindet sich ein Vorratsbehälter für Brennstoff, aus dem Pellets zum Brenner mit Hilfe eines Schneckenförderers gelangen. Die Brennstoffdosierung erfolgt vollständig automatisch. Im vordere Teil der Kessel ist Bedienungspaneel mit dem Hauptschalter, Schalter des Pelletbrenners (L2) im Fall von Reinigungs, dem Betriebsthermostaten (Regelthermostat), Sicherheitsthermostaten, Thermometer und der Sicherung 6,3 A angebracht.
Der Kessel PXxx sind durch Saugzugventilator ausgerüstet (außer PX10).
Der Kessel ist mit Kühlschleife gegen Überheizen nicht ausgerüstet, weil dank geringer Brennstoffmenge im Brenner das Überheizen des Kessels bei Stromausfall nicht droht.
Vorteile des Spezielle Kompakte Kessels ATMOS mit neue Konstruktion
- Kleine Abmessungen – kompakte Bauweise für kleine Kesselräume – Kesselbreite nur 594 mm – D10PX, nur 674 mm – D15PX, D20PX, D25PX.
- Alles in einem – Kessel, Schneckenförderer und Spezialbrenner sowie Pelletbehälter für 1 bis 3 Tage auf kleinem Raum.
- Hoher Heizkomfort – Automatischer Betrieb mit automatischer Pelletzündung entsprechend der gewünschten Temperatur (wie bei einem Gaskessel).
- Einfache Bedienung – Wahlmöglichkeit der Kesselsteuerung – einfache elektromechanische / äquithermisch mit Touchscreen.
- Fernsteuerung – Möglichkeit, den Kessel mit einem einfachen Raumthermostat zu schalten oder über Mobiltelefon oder Computer zu steuern bei Verwendung der äquithermisch Regelung ATMOS ACD 03 und des WLAN-Gateways WG1000.
- Hoher Wirkungsgrad von 91 bis 93 % je nach Typ – geringer Brennstoffverbrauch. Umweltfreundliche Verbrennung – Kessel gemäß ČSN EN 303-5 Klasse 5, der die europäische Ökodesign-Richtlinie 2015/1189 erfüllt.
- Einfache Reinigung – Ascheentnahme nur von vorne – eine Entnahmestelle für alles – Rohrwärmetauscher mit Reinigungsmechanismus, ohne die Notwendigkeit, den gesamten Kessel zu zerlegen und die Keramik aus dem Kessel zu entfernen („kein Lego“).
- Abgasventilator (außer D10PX) – für schlechtere Zugverhältnisse – staubfreie Ascheentnahme einmal alle 7 bis 30 Tage.
- Pneumatische Brennerreinigung – Möglichkeit, den Kessel mit einer automatischen Brennerreinigung zu ergänzen, die die Verbrennung von minderwertigeren Pellets ermöglicht – optionales Zubehör.
- Pneumatischer Pellettransport – der Kessel kann mit einem pneumatischen Pellettransport aus einem externen Großspeicher für die gesamte Saison ergänzt werden – optionales Zubehör.
- Spezielle Kesselfunktionen – Kesselschutz gegen niedrige Abgastemperatur (Schornsteinlebensdauer), Schutz gegen vollständige Entleerung des Zuförderers.
- Pelletbehälteraufsätze – jeder Kessel kann mit einem Aufsatz ergänzt werden, um das Volumen des Pelletbehälters zu erhöhen (Verlängerung der Brenndauer ohne Nachfüllen).
- Ekologische Verbrennung – die Kessel nach DIN EN 303-5, efüllen BImSchV Stufe II sowie Ekodesingrichtlinie 2015/1189, BAFA Förderfähig
- Bedienfeld und Verbindungsschlauch vom Förderer
- Offener Pelletbehälter mit einem Volumen von 65 l / 175 l / 215 l
- Offene Brennkammer mit Brenner
- Brennkammer mit Keramikarmaturen
- Abluftventilator (außer D10PX) und Kamin
Instalation
Vorgeschriebene Lösung ist Schaltung des Kessels mit Laddomat 22, oder mit Thermoregelventil, das die Bildung von getrennten Kessel- und Heizkreis (Primär- und Sekundärkreis) ermöglicht, sodass die minimale Rückwassertemperatur in den Kessel 65 °C gesichert ist. Je höher die Rückwassertemperatur in den Kessel ist, desto weniger Teere und Säuren, die das Kesselgehäuse beschädigen kondensieren wird. Die Ausgangwassertemperatur am Kesselausgang muss sich dauernd im Bereich 80 – 90 °C befinden.
Eine weitere Möglichkeit ist die Verwendung eines 3-Wege-Mischventils und des von der Regelung (z.B. ATMOS ACD03, ACD04) gesteuerten Stellantriebs, um die Mindesttemperatur des Kesselrücklaufwassers (65 – 75 °C) zu halten.
Es wird empfohlen die Kessel PX10, PX15, PX20 und PX25 immer mit Pufferspeicher mit Volumen von 500 bis 1000 l einzuschalten. Wird der Kessel mit dem Pufferspeicher betrieben, ist die Steuerung mit zwei auf dem Behälter angebrachten Fühlern TS und TV zu bevorzugen. Die Brennersteuerung durch zwei Fühler im Pufferspeicher ist nötig die zwei Fühler KTF 20 (TV und TS) einzusetzen.
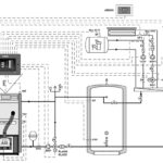
- Laddomat 22 und Thermo-Regelventil
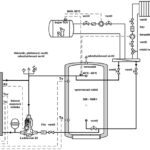
- Anschluss des PX-Kessels mit Pufferspeicher
- Anschluss des PX-Kessels mit Pufferspeicher
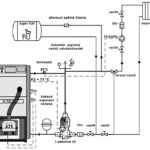
- Möglicher Anschluss von PX-Kessel ohne Pufferspeicher und Kesselpumpensteuerung nach Kesseltemperatur (TK-Fühler) vom Brenner A25
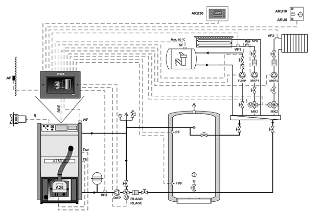
- Anschluss Kessel PX mit Ausdehnungsgefäß für Brennerregelung nach TS- und TV-Fühler und Kesselpumpenregelung nach Kesseltemperatur (TK-Fühler) vom Brenner A25
Betrieb und regulation
Die Kessel werden dem Verbraucher mit Grundregelung der Kesselleistung geliefert, welche die Anforderungen auf Komfort und Sicherheit der Heizung erfüllt. Die Regelung sichert die Soll-Ausgangstemperatur des Wassers am Ausgang aus dem Kessel (80 – 90 °C). Die Kessel sind mit dem Stecker für den Anschluss der Pumpe im Kesselkreis und den Funktionen für die Steuerung der Pumpe direkt von der Regelung des Brenners ATMOS A25 ausgestattet.
Die Kessel PXxx sind von Werk mit Kessefühler TK und Abgasfühler TSV ausgestattet. Fühler TK in Kesselhülse (von Werk eingebaut), Abgasfühler TSV im Abgaskanal des Kessels (von Werk eingebaut), Fühler TV und TS in Pufferspeicher. Alles in den Brennerstecker angeschlossen. Der Pelletbrenner ATMOS A25 steuert direkt den Ventilator des Kessel (R) und Pumpe im Kesselkreis (R2). Ausgang R2 geht in Serie mit dem Pumpethermostat im Kesselkreis TČ 70 °C.
Wird der Kessel mit dem Pufferspeicher betrieben, ist die Steuerung mit zwei auf dem Behälter angebrachten Fühlern TS und TV zu bevorzugen. Die Schaltung der Pumpen im Systemkreis ist in diesem Fall nicht von der Kesseltemperatur abhängig und die Steuerung erfolgt nach Bedarf des Systems.

Schaltfeld – Standardregelung
Aufbau des Panels:
Hauptschalter, Sicherheitsthermostat, Thermometer, Regelungsthermostat und Abgasthermostat
Die elektromechanische Regelung ist die optimale Lösung der Steuerung des Kesselbetriebes (Lüfters) auf einfache Art und Weise.
Die Panelausführung mit der Standardregelung ist die Grundausführung für alle hergestellten Kessel.
Äquitherme Steuerung ACD 03
Jeder Kessel kann mit einer modernen Touch-Elektroniksteuerung ATMOS ACD 03 zur Steuerung des gesamten Heizsystems in Abhängigkeit von Außentemperatur, Raumtemperatur und Uhrzeit ausgestattet werden. Diese Regelung ist in der Lage, den Kessel selbst mit einem Ventilator mit vielen anderen Funktionen zu steuern.

Panel mit elektronischer Regelung ATMOS ACD 03
Nachfüllen des Brennstoffsing
Der Kessel ist mit einem eingebauten Brennstoff-Vorratsbehälter ausgestattet, der regelmäßig nach 1 – 3 Tagen nachgefüllt werden muss.
Zeigt das Brennerdisplay die Alarmmeldung ALARM PELLETS – PELLET EINFÜLLEN an, sind die Pellets in den Vorratsbehälter zuzugeben. Klappen Sie den Deckel des Vorratsbehälters im oberen Bereich des Kessels auf und füllen Sie die erforderliche Menge nach. Sobald Pellets nachgefüllt sind, müssen sie nicht in den Förderer transportiert werden. Der Kessel ist mit einer speziellen Funktion ausgestattet, die seine vollständige Entleerung verhindert.
Ist der Nachfüllintervall für Ihren Fall zu kurz, kann der Kessel mit einem Aufsatz auf den Vorratsbehälter mit der Höhe 200 mm (45 l für PX10, 65 l für PX15 und PX20, 90 l für PX25) oder 300 mm (68 l für PX10, 95 l für PX15 und PX20, 135 l für PX25) ergänzt werden. Es ist jedoch nötig, noch die Treppe für komfortables Nachfüllen entsprechend den gültigen Sicherheitsvorschriften zu besorgen.
Die beste Lösung jedoch stellt der pneumatische Pelletstransport ATMOS APS 150 SPX (PX10) / ATMOS APS 250 SPX (PX15 und PX20) / ATMOS APS 250 SPX2 (PX25) dar. In diesem Fall wird der Brennstoff automatisch aus einem z.B. für die ganze Heizsaison bemessenen Vorratsbehälter (Gewebesilo, selbstständiger Raum) nachgefüllt.
- Beispiel für die Standardnachfüllung von Pellets aus 15 kg Säcken
- Kessel mit pneumatischem Pellettransport ATMOS APS 250 SPX (2)
- Tankerweiterungen für PXxx-Kessel
- PXxx Kessel mit 300 mm Tankverlängerung

Kesselraum mit dem Kessel PXxx und dem Vorratsbehälter mit dem Mehrpunkt-Ansaugen der Pellets vom pneumatischen Förderer ATMOS APS 250 SPX(2)
Kesselreinigung
Die Reinigung des Brenners und Kessels ist regelmäßig und gründlich in Abhängigkeit von der Pelletsqualität und der eingestellten Leistung einmal pro 5 – 14 Tage durchzuführen.
Die Kessel sind nur für hochwertige, weiße Pellets aus Weichholz ohne Rinde mit einem Durchmesser von 6 – 8 mm, einer Länge von 10 – 25 mm und dem Brennwert von 16 – 19 MJ.kg-1 bestimmt. Der Pelletsbrenner ATMOS A25 kann mit der pneumatischen Reinigung der kleinen Verbrennungskammer ausstatten. Diese Möglichkeit werden vor allem die Kesselbesitzer schätzen, die mit Schlacke aus den minderwertigen Pellets ringen.
Einfache Reinigung – bloss von vorne. Aus der ganzen Verbrennungskammer entleeren wir die Asche mit Hilfe des halbrunden Aschekastens (Kesselzubehör). Der Aschekasten stecken wir in den Kessel auf Anschlag, drücken ihn zur hinteren Wand, nehmen Asche auf und ziehen aus. Der Aschekasten darf nie im Kessel bleiben!
Bei Kesselreihe PXxx ist der Rohrwärmetauscher durch Rütteleinheit gereinigt. Für die gewöhnliche Reinigung des Rohraustauschers und der Bremselemente bedienen wir uns des Griffs auf dem Reinigungsdeckel der sich abgedeckt im hinteren Kesselbereich befindet. Durch wiederholtes Ausziehen und Lösen des Griffs wird Asche von den Bremselementen abgeklopft und die Rohrwand abgekratzt.
- Beispielhafter Entleerung mit dem Aschekasten
- Beispiel der gewöhnlichen Reinigung des Rohraustauschers
Spezifikationen
| Beschreibung des kessels – Zeichnung | |||
| 1. | Kesselgehäuse | 16. | Hauptschalter (rot) |
| 2. | Reinigungstür | 17. | Regelthermostat (Kesselth.) |
| 3. | Pelettbrenner ATMOS A25 | 18. | Brennerschalter (schwarz) |
| 4. | Bedienungspaneel | 19. | Sicherheitsthermostat |
| 5. | Förderschnecke | 20. | Sicherung T6,3A/1500 – type H |
| 6. | Türauskleidung – Sibral groß | 21. | Abdeckung des Reinigungsdeckels |
| 7. | Türdichtung 18 x 18 mm | 22. | Abzugsventilator (außer PX10) |
| 8. | Ziermutter | 23. | Kondensator des Abzugsventilator – 1μF |
| 9. | Isolierung unter den Brenner | 24. | Reinigungsdeckel des hinteren Kanals |
| 10. | Pelletsbehälter 65 l (PX10) / 175 l (PX15, PX20) / 215 l (PX25) | 25. | Deckel des Vorratsbehälters |
| 11. | Rohrwärmetauscher | 26. | Verbindungsschlauch des Brenners – Ø 65 mm – Länge 550 m (PX15, PX20, PX25) – Länge 480 m (PX10) |
| 12. | Bremselement mit Reinigungszugstange und Griff | K | – Abzugsrohrstutzen |
| 13. | Feuerfester Formstein – Feuerraumboden + Hintere Wand für PX10 | L | – Wasseraustritt aus Kessel |
| 14. | Feuerfester Formstein – Blende | M | – Wassereintritt in Kessel |
| 15. | Thermometer | N | – Stutzen für Anlasshahn |
| Masse (mm) | Kesseltyp | |||
| PX10 | PX15 | PX20 | PX25 | |
| A | 1221 | 1411 | 1411 | 1411 |
| B1 | 995 | 1145 | 1145 | 1345 |
| B2 | 1150 | 1447 | 1447 | 1647 |
| C | 594 | 674 | 674 | 674 |
| D | 1012 | 1213 | 1213 | 1213 |
| E | 128 / 130 | 150 / 152 | 150 / 152 | 150 / 152 |
| G | 140 | 140 | 140 | 140 |
| H | 950 | 1150 | 1150 | 1150 |
| CH | 166 | 166 | 166 | 166 |
| I | 180 | 180 | 180 | 180 |
| J | 6/4″ | 6/4” | 6/4” | 6/4” |
| Spezifikationen | Kesseltyp | ||||
| PX10 | PX15 | PX20 |
PX25 | ||
| Kesselwärmeleistung | kW | 3 – 10 | 4,5 – 15 | 4,5 – 20 | 4,5 – 24 |
| Kesselfeurungswärmeleistung | kW | 3,2 – 10,9 | 4,8 – 16,3 | 4,8 – 21,9 | 4,8 – 26,2 |
| Heizfläche | m2 | 1,5 | 1,9 | 1,9 | 2,2 |
| Brennstoffschacht Inhalt (Behälter) | dm3 (l) | 65 | 175 | 175 | 215 |
| Füllöffnung Abmessung | mm | 542 x 480 | 542 x 480 | 542 x 480 | 542 x 480 |
| Vorgeschriebener Schornsteinzug | Pa / mbar | 13 / 0,13 | 15 / 0,15 | 16 / 0,16 | 17 / 0,17 |
| Max. Arbeitsüberdruck Wasser | kPa / bar | 250 / 2,5 | 250 / 2,5 | 250 / 2,5 | 250 / 2,5 |
| Kesselgewicht | kg | 287 | 345 | 345 | 418 |
| Abzugsrohrstutzen Durchmesser | mm | 128 / 130 | 150 / 152 | 150 / 152 | 150 / 152 |
| Elektroteile Schutzart | IP | 20 | 20 | 20 | 20 |
| Hilfstromverbrauch bei Nennwärmeleistung (elmax) | W / kW | 42 / 0,042 | 92 / 0,092 | 92 / 0,092 | 92 / 0,092 |
| Hilfstromverbrauch bei Teillastwärmeleistung (elmax) | W / kW | 22 / 0,022 | 22 / 0,022 | 22 / 0,022 | 22 / 0,022 |
| Hilfstromverbrauch bei Nennwärmeleistung (elmax) bei Brennstoffzündung | W / kW | 522 / 0,522 1042 / 1,042 |
522 / 0,522 1042 / 1,042 |
522 / 0,522 1042 / 1,042 |
522 / 0,522 1042 / 1,042 |
| Hilfstromverbrauch bei Bereitschaftsmodus (Psb) | W / kW | 3,3 / 0,033 | 3,3 / 0,033 | 3,3 / 0,033 | 3,3 / 0,033 |
| Anheizmodus | automatisch | ||||
| Abgegebene Nutzwärme bei Nennwärmeleistung (Pn) | 10,8 | 14 | 20,5 | 23,6 | |
| Abgegebene Nutzwärme bei Teillastwärmeleistung (Pn) | 3 | 4,3 | 4,3 | 4,3 | |
| Kessel Wirkungsgrad | % | 91,6 | 92,7 | 91,5 | 93,6 |
| Brennstoff-Wirkungsgrad bei Nennwärmeleistung (nn) | % | 85,8 | 84 | 83,4 | 83,8 |
| Brennstoff-Wirkungsgrad bei Teilastwärmeleistung (nn) | % | 87,2 | 85,5 | 85,7 | 85,6 |
| Kesselklasse | 5 | 5 | 5 | 5 | |
| Kesselkategorie | 1 | ||||
| Betriebsmodus | nicht kondensiert | ||||
| Festbrennstoffkessel mit Kraft-Wärme-Kopplung | nein | nein | nein | nein | |
| Kombiheizgerät | nein | nein | nein | nein | |
| Klasse (Energy efficiency class) | A+ | A+ | A+ | A+ | |
| Abgastemperatur bei Nennleistung (Pellets) | °C | 117 | 118 | 142 | 145 |
| Abgastemperatur / zug zur Berechnung des Abgasweges (Schornstein) | °C / Pa | 127 / 13 | 128 / 15 | 142 / 16 | 145 / 17 |
| Abgasmassenstrom bei Nennleistung (Pellets) | kg / s | 0,055 | 0,083 | 0,011 | 0,013 |
| Vorgeschriebener Brennstoff (präferiert) | hochwertige Pellets mit Durchmesser von 6 – 8 mm mit Heizwert 16 – 19 MJ.kg-1 | ||||
| Durchschnittsverbrauch Brennstoff – Pellets bei Nennleistung | kg.h-1 | 2,3 | 3,6 | 4,5 | 5,4 |
| Wasservolumen im Kessel | l | 50 | 76 | 76 | 85 |
| Hydraulischer Verlust Kessel | mbar | 0,19 | 0,20 | 0,20 | 0,22 |
| Minimalvolumen Pufferspeicher | l | 300 | 500 | 500 | 500 |
| Anschlussspannung | V / Hz | 230 / 50 | |||
| Vorgeschriebene minimale Rückwassertemperatur im Betrieb beträgt 65 °C. Vorgeschriebene Betriebstemperatur des Kessels beträgt 80 – 90 °C. |
|||||
Pelletbrenner
Pelletbrenner ATMOS A25
für Kessel PX10, PX15, PX20 and PX25
Vorgeschriebener Brennstoff: hochwertige Pellets mit einem Durchmesser von 6 – 8 mm, und Länge 5 – 25 mm, Heizwert 16 – 19 MJ.kg-1 (weiße Pellets)
Brenneranzeige: dient zur Anzeige des aktuellen Status des Brenners und zur Einstellung seiner Funktionen
Brennersteuerung: elektronische Steuerung AC07X, die den Betrieb des externen Förderers, zweier Zündspulen und des Ventilators gemäß den Anforderungen des Kessels und der Heizungsanlage steuert. Die Elektronik wird durch einen Sicherheitsthermostat des Kessels, einen Sicherheitsthermostat an der Pelletzufuhr zum Brenner, einen Geschwindigkeitssensor des Gebläses und eine Fotozelle für die Flammenerkennung geschützt. Der Brennerbetrieb wird auf dem elektronischen Kontrolldisplay signalisiert.
Kraftstoffzündung: automatisch mit Hilfe von zwei elektrischen Zündspulen.
Grundfunktionen des Brenners:
Ersatzausgänge R und R2 zur Ansteuerung des Kesselabluftgebläses und der Pumpe im Kesselkreis (werkseitig angeschlossen)
Möglichkeit zum Anschluss von vier verschiedenen Sensoren TS, TV, TK und TSV
TK – Kesseltemperaturfühler (ab Produktion angeschlossen)
TSV – Abgastemperaturfühler (ab Produktion angeschlossen)
TS – Niedrigtemperatursensor am Tank
TV – Temperatursensor oben am Tank
- Steuerung des Kesselgebläses vom Brenner über einen Reserveausgang (R) (werkseitig angeschlossen)
- Steuerung der Kesselpumpe vom Brenner über einen Reserveausgang (R2) (werkseitig angeschlossen)
- Brennersteuerung nach zwei Temperaturen am Ausdehnungsgefäß
Kraftstoffdosierung: Spezielle Schneckenförderer DA1500 – 4000 sind für DxxP-Kessel konzipiert.















