Installation der ATMOS Festbrennstoffkessel
Für die richtige Funktion jedes Kessels ist seine Installation wichtig, die Brennstoffverbrauch, Heizungskomfort und Lebensdauer des Kessels und Schornsteins beeinflusst.
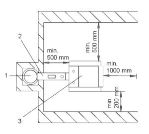
Die Anforderungen an die Installationsweise und den Kesselraum können somit in wenigen Punkte zusammengefasst werden.
Grundlegende Bedingungen für die richtige Funktion und lange Lebensdauer der Kessel ATMOS
- Die Montage des Kessels wird nur durch eine vom Hersteller geschulte Fachfirma durchgeführt.
Deshalb empfehlen wir Ihnen, Ihren Heizungsmonteur auf unsere Webseite im Abschnitt Kontakt auszuwählen - Der Kessel muss in einem trockenen und gut belüfteten Raum (im Kesselraum) installiert werden.
Der guten Funktion des Kessels liegt die Zufuhr der Verbrennungsluft von Außen zugrunde - Beim Anschluss des Kessels muss eine Armatur im Kesselkreis stets verwendet werden, die dafür sorgt, dass die Rücklauftemperatur von 65 °C nicht unterschreitet wird.
Je höher die Rücklauftemperatur ist, desto niedriger ist die Kondensierung des Säureteers (= längere Lebensdauer des Kessels). Es wird deshalb empfohlen, Laddomat 22, Thermoregelventil TV 65/70/75 °C oder gesteuertes 3-Wege-Ventil mit dem Servoantrieb, Regler ACD03/04 und mit der Pumpe zu verwenden.
Die Installation mit dem originellen Anschluss des Kessels ATMOS F5, F6, F7, F8 oder F13 stellt somit die ideale Lösung dar.
Originelle Installation ATMOS = einfache fehlerfreie Installation - In jedem Betriebsmodus des Kessels muss die Wassertemperatur am Kesselausgang stets im Bereich 80 – 90 °C liegen.
Die hohe Betriebstemperatur des Kessels hat keine praktische Wirkung auf den Brennstoffverbrauch oder auf die Solltemperatur des Wassers, das in das Heizsystem (40 – 80 °C) eingelassen wird. Es ist jedoch für die lange Lebensdauer des Kessels von Bedeutung.
Die Pumpen im Kesselkreis und im Heizkreis des Gebäudes werden durch Thermostaten so geschaltet, dass die Pumpen im Heizkreis des Gebäudes nur laufen, wenn die Pumpe im Kesselkreis läuft (Installation ohne Pufferspeicher) oder wenn die aufgeladene Energie in den Pufferspeichern vorhanden ist. - Installation des Kessels mit Pufferspeichern
Der Kessel kann mit oder ohne Pufferspeicher(n) installiert werden. Es gilt jedoch, dass die Installation mit einem Pufferspeicher (Volumen mindestens 55 l pro 1 kW der installierten Leistung) die beste Lösung für Kessel mit manueller Beschickung darstellt.
Bei den Pelletskesseln ist empfehlenswert, nur einen Ausgleichsspeicher von 500 bis 1000 l je nach Kesselleistung zu installieren. Pufferspeicher = geringerer Verbrauch an Brennstoff/Strom und längere Lebensdauer des Kessels. - Den Kessel nicht ständig im Dämpfbetrieb betreiben.
Wird der Kessel ständig bei einer niedrigeren Leistung (< 40 % der Nennleistung) betrieben oder zum Warmwasser-Sommerbetrieb eingesetzt, ist wegen der Kessellebensdauer täglich anzuheizen. Dadurch können Teer und Säuren entstehen, die Schäden am Kesselkörper verursachen.
Die Abgastemperatur sollte im Normalbetrieb 110 °C nicht unterschreiten. Dadurch schützen Sie Ihren Kessel und Schornstein. - Der Kessel muss vor Überheizung beim Stromausfall geschützt sein.
Durch den Anschluss der Kühlschleife des Kessels an die Wasserleitung oder durch die Verwendung einer Notstromquelle schützen Sie den Kessel und das Heizsystem vor Überheizung bei unerwartetem Stromausfall.



































Wir empfehlen, das Holz möglichst trocken zu verbrennen. Die maximal Leistung und lange Kessellebensdauer erreichen Sie beim Verbrennen vom minimal zwei Jahren abgelagerten Holz. Im folgenden Diagramm finden Siedie Abhängigkeit des Heizwertes vom Wassergehalt. Der Holzheizwert sinkt sehr schnell mit steigendem Wassergehalt.

Ökologische Holtzbrikette sind aus Holzabfal durch Hochdruckverdichtung ohne chemische Binder produziert. In der Tschechischen Republik werden sie in einer Reihe von Unternehmen hergestellt, ihre Qualität ist jedoch unterschiedlich. Hochwertige Holzbriketts erkennt man daran, dass sie beim Verbrennen im Beschickungsbereich nicht in Späne zerfallen. Holzbriketts, die in Späne zerfallen, können nur zusammen mit Scheitholz oder Braunkohle verbrannt werden, jedoch nie selbstständig. Sie verstopfen nämlich die Vergasungsdüse oder den Vergasungsrost.
Peletts sind ein neuartiger Brennstoff, der ähnlich wie Holzbriketts aus Abfallholz durch Verpressen hergestellt wird. Hochwertige Peletts sind die weiße Pellets, aus rindlosem Weichholz hergestellt.