Cazane automate compacte pe peleți
(dispozitiv complet cu arzător, buncăr încorporat și transportor peleți)
- Instalare
- Reglarea cazanului
- Alimentarea cu combustibil
- Curățarea cazanului
- Informații tehnice
- Arzător
- Ke stažení
-
Cazanele sunt construite pentru arderea reglată electronic, cu aprinderea automată a combustibilului. Arzătorul pe peleți este încorporat în partea frontală a cazanului în ușa camerei de ardere inferioare. Această cameră este căptușită cu piese fasonate de ceramică pentru asigurarea arderii ideale a flăcării cu o eficiență înaltă și servește și drept spațiu pentru cenușă. În partea dorsală a cazanului este amplasat schimbătorul tubular echipat cu șicane segmentate având funcția de curățare brută (de exploatare) fără necesitatea de scoatere afară a acestora.
Corpul cazanelor este fabricat în formă de construcție sudată din tablă de oțel având grosimea de 3 – 5 mm. Din exterior este izolat cu pâslă minerală și izolație de Sibral introdusă sub capacele de tablă ale mantalei externe a cazanului.
În partea superioară este amplasat rezervorul de combustibil din care peleții sunt transportați în arzător cu ajutorul unui conveier melcat. Dozarea combustibilului este comandată total automat. În partea frontală a cazanelor se află tabloul cu întrerupătorul general, întrerupătorul arzătorului pe peleți (L2) pentru cazul de curățare, termostatul de exploatare (reglare cazan), termostatul de siguranță, termometrul și siguranța 6,3 A.
Cazanele DxxPX sunt echipate cu exhaustor cazan (cu exceptia D10PX).
Cazanul nu este echipat cu bucla de răcire contra supraîncălzirii deoarece, datorită cantității reduse de combustibil în arzător, nu există pericol de supraîncălzire a cazanului în cazul unei pene de curent.
Avantajele cazanelor compacte speciale ATMOS de construcție nouă
- Dimensiuni mici – design compact pentru camere de cazane mici – lățimea cazanului doar 594 mm – D10PX, doar 674 mm – D15PX, D20PX, D25PX.
- Totul într-unul – cazan, transportor melcat și arzător special, precum și rezervor de peleți pentru 1 până la 3 zile într-un spațiu mic.
- Confort termic ridicat – funcționare automată cu aprindere automată a peleților în funcție de temperatura dorită (ca la un cazan pe gaz).
- Operare simplă – posibilitatea de a alege reglarea cazanului – simplă electromecanică / echitermică cu ecran tactil.
- Control de la distanță – posibilitatea de a porni cazanul cu un termostat de cameră simplu sau control prin telefon mobil sau computer utilizând reglarea echitermică ATMOS ACD 03 și gateway-ul WIFI WG1000.
- Eficiență ridicată de 91 până la 93 % în funcție de tip – consum redus de combustibil. Ardere ecologică – cazan conform ČSN EN 303-5 clasa 5, care îndeplinește directiva europeană de ECODESIGN 2015/1189.
- Curățare ușoară – eliminarea cenușii doar din față – un singur punct de eliminare pentru tot – schimbător de căldură tubular cu mecanism de curățare, fără a fi necesară dezasamblarea întregului cazan și scoaterea ceramicii din cazan („fără lego”).
- Ventilator de extracție (cu excepția D10PX) – pentru condiții de tiraj mai slabe – eliminarea cenușii fără praf o dată la 7 până la 30 de zile.
- Curățare pneumatică a arzătorului – posibilitatea de a completa cazanul cu curățare automată a arzătorului, ceea ce permite arderea peleților de calitate inferioară – accesoriu opțional.
- Transport pneumatic de peleți – cazanul poate fi completat cu transport pneumatic de peleți dintr-un rezervor mare extern pentru întregul sezon – accesoriu opțional.
- Funcții speciale ale cazanului – protecția cazanului împotriva temperaturii scăzute a gazelor arse (durata de viață a coșului de fum), protecție împotriva golirii complete a transportorului de alimentare.
- Extensii ale rezervorului de peleți – fiecare cazan poate fi completat cu o extensie pentru a mări volumul rezervorului de peleți (prelungirea timpului de ardere fără realimentare).
- Tablou de comandă și furtun de interconexiune de la conveier
- Rezervor de peleți deschis având capacitatea de 65 l / 175 l / 215 l
- Schimbător tubular cu șicane
- Camera de ardere deschisă cu arzător ATMOS A25
- Camera de ardere cu piese fasonate din ceramică
- Exhaustor și gură de fum
Instalare
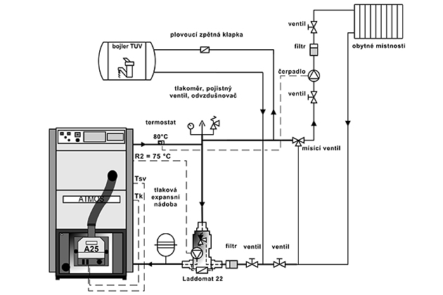
Soluția prescrisă este racordarea cazanului cu Laddomat 22 sau supapă de reglare termică care permite constituirea circuitului (primar și secundar) separat pentru cazan și încălzire în așa fel, încât să asigurăm temperatura minimă a apei de retur în cazan de 65 °C. Cu cât mai mare va fi temperatura apei de retur în cazan, cu atât mai puțin se vor condensa gudroanele și acizii care deteriorează corpul cazanului.
Temperatura apei de ieșire din cazan trebuie să fie continuu în limita 80 – 90 °C.
O altă variantă este racordarea cazanului cu supapa de amestecare cu trei căi și serve acționarea comandată din reglajul (de exemplu ATMOS ACD 03, ACD 04) pentru menținerea temperaturii apei de retur în cazan (65 – 75 °C).
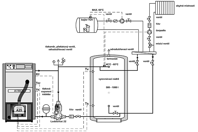
Recomandăm ca, cazanele D10PX, D15PX, D20PX și D25PX să fie întotdeauna racordate la rezervorul de compensare având capacitatea de la 500 până la 1000 l. În cazul racordării cazanului la rezervorul de compensare (acumulare), cazanul este comandat cel mai bine potrivit a doi senzori, TS și TV, amplasați pe rezervor. Pentru comanda arzătorului cu ajutorul a două temperaturi pe rezervorul de compensare (acumulare) este necesar a echipa acest rezervor cu senzorii KTF 20 (senzorii TV și TS).
- Laddomat 22 și supapă de termoreglare
- Conectarea cazanului DxxPX cu rezervor tampon
- Conectarea corectă a cazanului DxxPX cu rezervor de acumulare și reglare ACD03 / 04
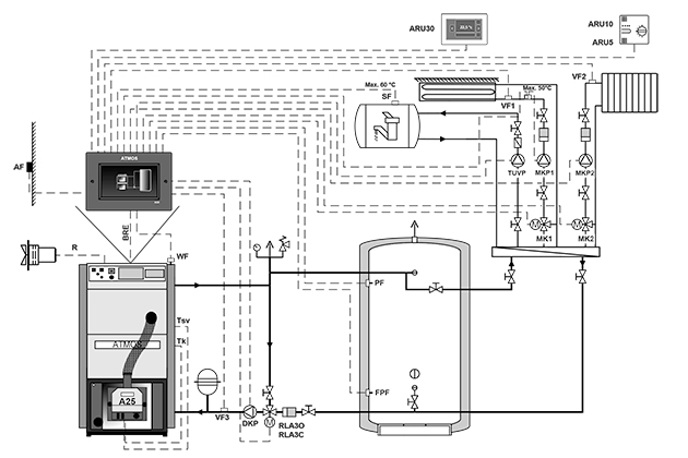
- Posibila conectare a cazanului DxxPX cu rezervor de acumulare si control al pompei cazanului in functie de temperatura cazanului (senzor TK) de la arzatorul A25
- Conectarea corectă a cazanului DxxPX cu rezervor de acumulare și control arzător prin intermediul senzorilor TS și TV și controlul pompei cazanului în funcție de temperatura cazanului (senzor TK) de la arzătorul A25
Reglarea cazanului
Cazanele sunt furnizate către clienți cu reglajul de bază al puterii cazanului, care îndeplinește cerințele pentru o încălzire confortabilă și în condiții de securitate. Reglarea asigură temperatura cerută a apei de ieșire din cazan (80 – 90 °C). Cazanele sunt echipate cu un conector pentru racordarea pompei în circuitul cazanului și funcțiile pentru comanda acesteia direct din reglajul arzătorului ATMOS A25.
Cazanele DxxPX sunt echipate din fabrică cu senzori de temperatură TK și temperatură gaze de evacuare TSV. Senzorul TK introdus în teaca cazanului, senzorul pentru gazele de ardere TSV vor fi încorporate în canalul de fum al cazanului, totul împreună va fi conectat direct la conectorul arzătorului. Arzătorul pe peleți ATMOS A25 comandă direct exhaustorul cazanului (cu rezerva R) și pompa în circuitul cazanului (cu rezerva R2). Ieșirea R2 este pusă din fabrică în serie cu termostatul pentru pompa din circuitul cazanului TČ70 °C.
În cazul racordării recomandate a cazanului la rezervorul de compensare (acumulare), cazanul este comandat cel mai bine în funcție de doi senzori, TS și TV, amplasați în rezervor. În acest caz, cuplarea pompelor în circuitul sistemului nu depinde de temperatura cazanului, de aceea soluția este în funcție de cerințele potențiale ale sistemului.
- Tabloul de comandă al cazanului cu reglare standard
Construcţia panoului:
Întrerupător principal, termostat de siguranță, termometru, termostat de control și termostat gaze arse
Controlul electromecanic este solutia optima pentru controlul functionarii cazanului (ventilatorului) intr-un mod simplu.
Proiectarea panoului cu reglare standard este proiectarea de bază pentru toate cazanele fabricate.
Reglementare echitermică ACD 03
Fiecare cazan poate fi echipat cu un control electronic tactil modern ATMOS ACD 03 pentru controlul intregului sistem de incalzire in functie de temperatura exterioara, temperatura camerei si timp. Această reglare este capabilă să controleze centrala în sine cu un ventilator cu multe alte funcții.
- Panou de comanda cazan cu reglare echitermica ATMOS ACD 03
Alimentarea cu combustibil
Cazanul este echipat cu un rezervor integrat de combustibil care trebuie completat în intervalul de 1 – 3 zile.
În cazul în care pe afișaj apare mesajul ALARM PELLETS – COMPLETAȚI PELEȚII, trebuie să adăugați peleți în rezervorul de combustibil. Deschideți capacul rezervorului din partea superioară a cazanului și adăugați peleți. După completarea peleților nu este necesară prelevarea peleților în conveier! Cazanul este prevăzut cu o funcție specială contra golirii integrale.
În cazul în care intervalul pentru completarea combustibilului este prea scurt pentru necesitățile dumneavoastră, puteți achiziționa la cazan o suprastructură având înălțimea de 200 mm (45 l pentru D10PX – cod: S1343) (65 l pentru D15PX și D20PX – cod: S1233) (90 l pentru D25PX – cod: S1315) sau 300 mm (68 l pentru D10PX – cod: S1344) (95 l pentru D15PX și D20PX – cod: S1234) (135 l pentru D25PX – cod: S1316). Suprastructurile se pot așeza una peste alte. Însă la cazan mai trebuie să cumpărați și scări pentru completarea comodă a combustibilului potrivit tuturor reglementărilor de securitate în vigoare.
Însă soluția ideală este completarea cazanului cu transportul pneumatic de peleți, ATMOS APS 150 SPX (D10PX) / ATMOS APS 250 SPX (D15PX și D20PX) / ATMOS APS 250 SPX2 (D25PX) , pentru completarea automată confortabilă a peleților din orice rezervor, de exemplu, pentru întregul sezon (siloz textil, o încăpere independentă).
- Ilustrație a reumplerii standard de peleți din saci de 15 kg
- Cazan pe peleti ATMOS APS 250 SPX cu transport pneumatic
- Extensie pentru cazane DxxP
- Cazan DxxPX cu extensie rezervor de 300 mm

Cazană cu centrală DxxPX și rezervor cu aspirație multipunct peleți prin transport pneumatic ATMOS APS 250 SPX (2)
Curățarea cazanului
Curățarea cazanului și a arzătorului trebuie efectuată periodic și temeinic o dată la 5 până la 14 zile, în funcție de calitatea peleților și reglarea puterii.
Cazanele sunt destinate doar arderii peleților albi de calitate superioară din lemn de esență moale fără coajă, având un diametru de 6 – 8 mm, o lungime de 10 – 40 mm și putere calorică de 15 – 18 MJ.kg-1. Arzătorul nu este destinat arderii peleților de culoare închisă care se aglutinează în camera de ardere a arzătorului. Într-un astfel de caz este necesară curățarea camerei de ardere a arzătorului o dată pe zi sau arzătorul pe peleți ATMOS A25 trebuie echipat cu curățare pneumatică a camerei de ardere. Această curățare o vor aprecia mai ales cei care ard peleți de calitate mai puțin bună, care se aglutinează.
Scoaterea comodă a cenușii – curățare simplă doar din față Scoatem cenușa din întreaga cameră de ardere cu ajutorul cenușarului semicircular (accesoriu cazan). Introducem cenușarul în cazan până la limită, lovind peretele dorsal, împingem cenușa în cenușar și scoatem afară. Niciodată nu lăsăm cenușarul în cazan!
Cazanele DxxPX sunt prevăzute cu funcția curățării de exploatare a schimbătorului tubular. Pentru curățarea de exploatare a schimbătorului tubular și a șicanelor facem uz de mânerul de pe căpăcelul de curățare din partea dorsală a cazanului, ascuns sub capac. Prin scoaterea afară repetată și lăsarea mânerului are loc scuturarea cenușii fine de pe șicane și răzuirea pereților plăcii tubulare.
- O ilustrare a îndepărtării cenușii folosind o scrumieră
- Ilustrație a curățării de lucru a schimbătorului tubular
Informații tehnice

| Legendă pentru desenele cazanului | |||
| 1. | Corpul cazanului | 16. | Întrerupător principal (roșu) |
| 2. | Ușă de curățare | 17. | Termostat de reglare (cazan). |
| 3. | Arzator pe peleti ATMOS A25 | 18. | Întrerupător pentru arzător (negru) |
| 4. | Panou de control | 19. | Termostat de siguranţă |
| 5. | Transportorul melcat | 20. | Siguranta T6,3A/1500 – tip H |
| 6. | Termoizolaţie uşă – Sibral mare pentru orificiu pentru arzător | 21. | Protecție căpăcel de curățare |
| 7. | Şnur etanşare uşă 18 x 18 mm | 22. | Exhaustor (în afara D10PX) |
| 8. | Bușon | 23. | Condensator pentru exhaustor – 1μF |
| 9. | Izolație pentru arzător | 24. | Căpăcel de curățare canal dorsal |
| 10. | Rezervorul de combustibil 65 l (D10PX) / 175 l (D15PX, D20PX) / 215 l (D25PX) | 25. | Capac rezervor – Ø 65 mm |
| 11. | Schimbătorul tubular | 26. | Furtun de interconexiune arzător – Ø 65 mm – lungimea 550 mm (D15PX, D20PX, D25PX) – lungimea 480 mm (D10PX) |
| 12. | Șicană cu tijă și mâner | K | canalul de fum |
| 13. | Piesă fasonată refractară – fundul focarului + partea din spate pentru D10PX | L | ieşirea apei din cazan |
| 14. | Piesă fasonată refractară – cadrului | M | intrarea apei în cazan |
| 15. | Termometru | N | racord pentru robinetul de umplere |
| Dimensiuni (mm) | Tipul cazanului | |||
| D10PX | D15PX | D20PX | D25PX | |
| A | 1221 | 1411 | 1411 | 1411 |
| B1 | 995 | 1145 | 1145 | 1345 |
| B2 | 1150 | 1447 | 1447 | 1647 |
| C | 594 | 674 | 674 | 674 |
| D | 1012 | 1213 | 1213 | 1213 |
| E | 128/130 | 150/152 | 150/152 | 150/152 |
| G | 140 | 140 | 140 | 140 |
| H | 950 | 1150 | 1150 | 1150 |
| CH | 166 | 166 | 166 | 166 |
| I | 180 | 180 | 180 | 180 |
| J | 6/4″ | 6/4” | 6/4” | 6/4” |
| Specificații | Tipul cazanului | ||||
| D10PX | D15PX | D20PX | D25PX | ||
| Puterea cazanului | kW | 3 – 10 | 4,5 – 15 | 4,5 – 20 | 4,5 – 24 |
| Suprafaţa de încălzire | m2 | 1,5 | 1,9 | 1,9 | 2,2 |
| Volumul rezervorului de combustibil (rezervor) | dm3 (l) | 65 | 175 | 175 | 215 |
| Dimensiuni uşă de alimentare | mm | 542 x 480 | 542 x 480 | 542 x 480 | 542 x 480 |
| Tirajul necesar al coşului | Pa/mbar | 13 / 0,13 | 15 / 0,15 | 16 / 0,16 | 17 / 0,17 |
| Suprapresiunea maximă de lucru a apei | kPa/bar | 250 / 2,5 | 250 / 2,5 | 250 / 2,5 | 250 / 2,5 |
| Greutatea cazanului | kg | 287 | 345 | 345 | 418 |
| Diametru racordare coş (evacuare gaze arse) | mm | 128 / 130 | 150 / 152 | 150 / 152 | 150 / 152 |
| Clasă de protecţie electrică | IP | 20 | 20 | 20 | 20 |
| Putere el. absorbită – la pornire – în cursul exploatării |
W | 522 / 1042 42 |
572 / 1092 92 |
572 / 1092 92 |
572 / 1092 92 |
| Randamentul cazanului | % | 91,6 | 92,7 | 91,5 | 91,8 |
| Clasa cazanului | 5 | 5 | 5 | 5 | |
| Clasa de eficiență energetică | A+ | A+ | A+ | A+ | |
| Temperatura gazelor de ardere la puterea nominală (pelete) | °C | 117 | 118 | 142 | 145 |
| °C / Pa | 127 / 13 | 128 / 15 | 142 / 16 | 145 / 17 | |
| Debit substanţial al gazelor de ardere la puterea nominală (pelete) | kg/s | 0,055 | 0,083 | 0,011 | 0,013 |
| Combustibil recomandat (de bază) | pelete de calitate superioara cu diametrul de 6 – 8 mm, lungimea de 10 – 40 mm si putere calorica de 15 – 18 MJ.kg-1 | ||||
| Consum mediu de combustibil – peleți la puterea nominală | kg.h-1 | 2,3 | 3,6 | 4,5 | 5,4 |
| Volumul apei din cazan | l | 50 | 76 | 76 | 85 |
| Pierderi de presiune în cazan | mbar | 0,19 | 0,20 | 0,20 | 0,22 |
| Volum min. al rezervorului de compensare | l | 300 | 500 | 500 | 500 |
| Tensiune de alimentare | V/Hz | 230/50 | |||
Temperatura minimă obligatorie a apei din retur la funcţionarea cazanului este de 65 °C.
Temperatura obligatorie de lucru a cazanului este de 80 – 90 °C.
Arzător
Arzător de peleți ATMOS A25
pentru cazane D10PX, D15PX, D20PX si D25PX
Combustibil prescris: peleți de lemn de calitate superioară (albi) având diametrul de la 6 până la 8 mm, lungimea de la 10 până la 40 mm și puterea calorică de 15 – 18 MJ.kg-1.
Afișajul arzătorului: servește pentru vizualizarea stării curente a arzătorului și setarea funcțiilor acestuia
Comanda arzătorului: prin reglare electronică AC07X care comandă funcționarea conveierului extern, a două spirale de aprindere și a exhaustorului în funcție de cerințele cazanului și ale sistemului de încălzire. Partea electronică este asigurată cu ajutorul termostatului de siguranță al cazanului, al termostatului de siguranță pentru alimentarea arzătorului cu peleți, al dispozitivului de citire a turațiilor ventilatorului și al fotocelulei pentru recepționarea flăcării. Funcționarea arzătorului este semnalizată pe afișajul reglajului electronic.
Arzătorul în varianta pentru cazanele DxxPX conține în plus modulul de extindere AC07X-C – (R5, R6) pentru comanda curățării pneumatice a arzătorului sau alte aplicații posibile.
Aprinderea combustibilului: automată, cu ajutorul a două spirale de aprindere electrice.
Funcțiile de bază ale arzătorului:
Ieșirile de rezervă R și R2 pentru comanda exhaustorului cazanului și pompei în circuitul cazanului (conectat din fabrică)
Posibilitatea de utilizare a ieșirilor de rezervă R5 și R6 pentru diferite aplicații
Posibilitatea de conectare a patru senzori diferiți TS, TV, TK și TSV
TK – senzor temperatură cazan (conectat din fabrică)
TSV – senzor temperatură gaze de evacuare (conectat din fabrică)
TS – senzor temperatură inferioară pe cazan
TV – senzor temperatură superioară pe cazan
- comanda ventilatorului cazanului din arzător cu ajutorul ieșirii de rezervă (R) (conectat din fabrică) (cu exceptia D10PX)
- comanda pompei cazanului din arzător cu ajutorul ieșirii de rezervă (R2) (conectat din fabrică)
- comanda arzătorului în funcție de două temperaturi pe rezervorul de compensare
Dozarea combustibilului: pentru cazanele DxxPX este stabilit un conveier special DRA25 încorporat direct în cazan. Acest conveier este comandat din reglajul electronic al arzătorului și dozează combustibilul din rezervorul arzătorului.


















