Logo
  • Instalación
  • Regulación de calderas
  • Carga de combustible
  • Limpieza de caldera
  • Información técnica
  • Quemador

D25PX

Caldera automática de pellets.
(dispositivo completo con quemador, cargador incorporado y transportador de pellets)

  • Rendimiento de la caldera 24 kW

  • Eficiencia de caldera 91,8 %

  • Clase de emisión 5 (Ekodesign)

novedad 5to grado ecolabeling

Las calderas están diseñadas para  la combustión de pellets controlada electrónicamente con encendido automático del combustible. El quemador de pellets está incorporado en la parte delantera de la caldera, en la puerta de la cámara de combustión inferior. Esta cámara está revestida con accesorios cerámicos para una combustión ideal de la llama con un alto rendimiento y sirve también como espacio para las cenizas. En la parte trasera de la caldera hay un intercambiador de calor de tubo provisto de frenos segmentados con función de limpieza ordinaria (de servicio) sin necesidad de desmontarlos.

El cuerpo de las calderas está hecho como una soldadura de chapas de acero con un espesor de 3 – 5 mm. Exteriormente, está aislado térmicamente con fieltro mineral y aislamiento sibral insertado bajo las cubiertas de chapa del envolvente exterior de las calderas. En la parte superior hay una tolva de combustible, desde la que los pellets se transportan al quemador mediante un transportador de tornillo. La alimentación de combustible se controla de forma totalmente automática. En la parte delantera de las calderas hay un panel con un interruptor principal, un interruptor del quemador de pellets (L2) para la limpieza, un termóstato de funcionamiento (control de la caldera), un termóstato de seguridad, un termómetro y un fusible de 6,3 A. Las calderas DxxPX vienen equipadas con un extractor (excepto la D10PX). La caldera no está equipada con un bucle de refrigeración contra sobrecalentamiento, ya que la pequeña cantidad de combustible del quemador hace que no haya riesgo de sobrecalentamiento de la caldera en caso de corte de corriente.

Ventajas del nuevo diseño de las calderas compactas especiales ATMOS

  • Dimensiones reducidas – diseño compacto para salas de calderas pequeñas – ancho de la caldera solo 594 mm – D10PX, solo 674 mm – D15PX, D20PX, D25PX.
  • Todo en uno – caldera, transportador de tornillo y quemador especial, y depósito de pellets para 1 a 3 días en un espacio pequeño.
  • Gran confort de calefacción – funcionamiento automático con encendido automático de pellets según la temperatura requerida (como con una caldera de gas).
  • Manejo simple – posibilidad de elegir la regulación de la caldera – electromecánica simple / equitérmico simple con pantalla táctil.
  • Control remoto – posibilidad de encender la caldera con un termostato de ambiente simple o control a través de teléfono móvil u ordenador al utilizar la regulación de equitérmica ATMOS ACD 03 y la puerta de enlace WIFI WG1000.
  • Alta eficiencia del 91 al 93 % según el tipo – bajo consumo de combustible. Combustión ecológica – caldera según ČSN EN 303-5 clase 5, que cumple con la directiva europea de ECODISEÑO 2015/1189.
  • Fácil limpieza – retirada de cenizas solo por la parte frontal – un único punto de recogida para todo – intercambiador de calor tubular con mecanismo de limpieza, sin necesidad de desmontar toda la caldera y quitar la cerámica de la caldera («sin lego»).
  • Ventilador de extracción (excepto D10PX) – para peores condiciones de tiro – retirada de cenizas sin polvo una vez cada 7 a 30 días.
  • Limpieza neumática del quemador – posibilidad de complementar la caldera con limpieza automática del quemador, lo que permite quemar pellets de menor calidad – accesorio opcional.
  • Transporte neumático de pellets – la caldera se puede complementar con transporte neumático de pellets desde un depósito grande externo para toda la temporada – accesorio opcional.
  • Funciones especiales de la caldera – protección de la caldera contra la baja temperatura de los gases de combustión (vida útil de la chimenea), protección contra el vaciado completo del transportador de alimentación.
  • Extensiones del depósito de pellets – cada caldera se puede complementar con una extensión para aumentar el volumen del depósito de pellets (prolongación del tiempo de combustión sin recarga).

 

Instalación

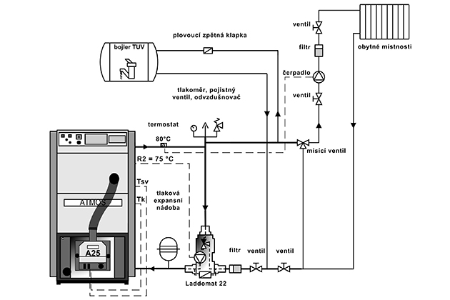
La solución obligatoria es la conexión de la caldera con Laddomat 22 o una válvula termorreguladora que permite crear un circuito separado de caldera y calefacción (primario y secundario) para asegurar la temperatura mínima del agua de retorno a la caldera de 65 °C. Cuanto mayor sea la temperatura del agua de retorno a la caldera, menos se condensarán los alquitranes y ácidos que dañan el cuerpo de la caldera.

La temperatura del agua de salida de la caldera debe estar constantemente entre 80 y 90 °C.
Otra opción es conectar la caldera con una válvula mezcladora de tres vías y un servoaccionamiento controlado desde la regulación (por ejemplo ACD 03, ACD 04) para mantener una temperatura mínima del agua de retorno a la caldera (65 – 75 °C).

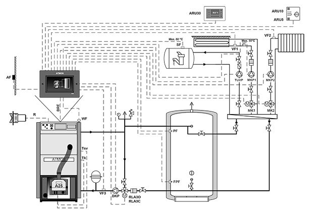
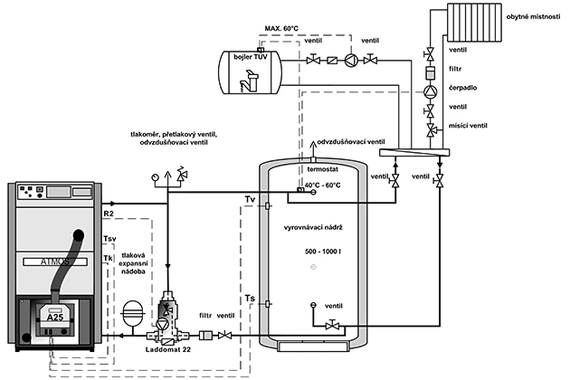
Las calderas D10PX, D15PX, D20PX y D25PX  las recomendamos conectar siempre con el depósito de compensación de 500 a 1000 l. Al conectar la caldera con un depósito de compensación, ella se controla mejor mediante dos sensores TS y TV situados en el depósito.  Para controlar el quemador mediante las dos temperaturas del depósito de inercia (acumulador), éste debe estar equipado con dos sondas KTF 20 (sondas TV y TS).

 

Regulación de calderas

Las calderas se suministran al consumidor con la regulación básica del rendimiento de la caldera que cumple los requerimientos de la comodidad de la calefacción y su seguridad. La regulación asegura la temperatura necesaria de salida del agua de la caldera (80 – 90 °C). Las calderas están equipadas con un conector para conectar la bomba en el circuito de la caldera y funciones para su control directamente desde el control del quemador ATMOS A25.

Las calderas DxxPX están equipadas de fábrica con sensores de temperatura de la caldera TK y de temperatura de los gases de combustión TSV. El sensor TK insertado en el sumidero de la caldera, el sensor de gases de combustión TSV integrado en el conducto de humos de la caldera, todos conectados directamente al conector del quemador.  El quemador de pellets ATMOS A25 controla directamente el ventilador de extracción de la caldera (con la reserva R) y la bomba del circuito de la caldera (con la reserva R2). La salida R2 está configurada de fábrica y pasada a serie con el termóstato de la bomba del circuito de la caldera TC70 °C.

En la conexión recomendada de la caldera con un depósito de inercia (de acumulación), la caldera se controla mejor mediante dos sensores TS y TV situados sobre el depósito. En este caso, la conmutación de las bombas en el circuito de sistema no depende de la temperatura de la caldera, por lo que se diseñan en función de las posibles necesidades del sistema.

Composición del panel:
Interruptor principal, termóstato de seguridad, termómetro, termóstato de control y termóstato de gases de combustión

El control electromecánico es la solución óptima para controlar el funcionamiento de la caldera (ventilador) de forma sencilla.
El diseño del panel con control estándar es el diseño básico para todas las calderas fabricadas.

 

Regulación equitérmica ACD 03

Cada caldera puede equiparse con el moderno control electrónico táctil ATMOS ACD 03 para controlar todo el sistema de calefacción en función de la temperatura exterior, la temperatura ambiente y la hora. Esta regulación también es capaz de controlar la propia caldera con un ventilador con muchas funciones adicionales.

 

Carga de combustible

La caldera está equipada con un depósito de combustible integrado, que debe rellenarse a intervalos de 1 a 3 días.

Si en la pantalla del quemador aparece el mensaje de alarma ALARMA PELLETS – RELLENAR PELLETS, es necesario rellenar el depósito de combustible con pellets.  Abra la tapa del depósito en la parte superior de la caldera y rellene los pellets.  ¡Después de rellenar los pellets, no es necesario cargarlos al transportador!  La caldera está equipada con una función especial contra su vaciado completo.

En caso de que el intervalo de repostaje sea demasiado corto para sus necesidades, se puede instalar una extensión de tolva de 200 mm de altura (45 l para D10PX – código:   S1343) (65 l para D15PX y D20PX – código: S1233) (90 l para D25PX – código: S1315) o de 300 mm (68 l para D10PX – código: S1344) (95 l para D15PX y D20PX – código: S1234) (135 l para D25PX – código: S1316). Las extensiones pueden apilarse. Sin embargo, es necesario comprar escalones adicionales para la caldera para el reabastecimiento de combustible conveniente de acuerdo con todas las normas de seguridad vigentes.
Lo ideal es complementar la caldera con el transportador neumático de pellets ATMOS APS 150 SPX (D10PX) / ATMOS APS 250 SPX (D15PX y D20PX) / ATMOS APS 250 SPX2 (D25PX) para un cómodo repostaje automático desde cualquier depósito, por ejemplo, para toda la temporada (silo textil, sala separada).

 

 

Limpieza de caldera

La limpieza de la caldera y del quemador debe realizarse regularmente y a fondo cada 5 a 14 días, dependiendo de la calidad de los pellets y de la potencia ajustada.
Los quemadores están diseñados únicamente para pellets blancos de alta calidad de madera blanda sin corteza con un diámetro de 6 – 8 mm, una longitud de 10 – 25 mm y un poder calorífico de 16 – 19 MJ.kg-1. La caldera no está diseñada para pellets que se queman en la cámara de combustión del quemador.  En este caso, la cámara de combustión del quemador debe limpiarse una vez al día o el quemador de pellets ATMOS A25 puede equiparse con una limpieza neumática de la cámara de combustión. Esta limpieza es especialmente apreciada por aquellos que queman pellets de menor calidad que producen ciertos aglomerados sinterizados.

Extracción cómoda de la ceniza – limpieza fácil sólo por delante. La ceniza puede retirarse de toda la cámara de combustión utilizando un cenicero de media caña (accesorio de la caldera). Introduzca el cenicero en la caldera hasta el fondo, apriételo contra la pared posterior, cargue la ceniza al cenicero y sáquelo. ¡No deje nunca el cenicero dentro de la caldera! 

Las calderas DxxPX están equipadas con la función de limpieza operativa del intercambiador de tubos. Para la limpieza operativa del intercambiador de tubos y de los frenos, utilice la manivela sobre la tapa de limpieza situada en la parte trasera de la caldera y oculta bajo la cubierta. Tirando y soltando repetidamente de la manivela, se eliminará la ceniza de los frenos y se rasparán las paredes del intercambiador de tubos.

 

Información técnica

Leyenda de esquema de calderas
1. Cuerpo de la caldera 17. Termóstato de control (caldera)
2. Puerta de limpieza 18. Interruptor de quemador (negro)
3. Quemador de pellet ATMOS A25 19. Termóstato de seguridad
4. Panel de mandos 20. Fusible T6,3A/1500 – tipo H
5. Transportador de tornillo 21. Cubierta de tapa de limpieza
6. Relleno de puerta – Sibral grande con orificio para quemador 22. Ventilador – extractor (excepto D10PX)
7. Junta de puerta 18 x 18 mm 23. Condensador para el ventilador de extracción – 1 μF
8. Junta 24. Tapa de limpieza de canal trasero
9. Aislamiento bajo quemador 25. Tapa de tolva
10. Depósito de combustible
–  65 l (D10PX)
– 175 l (D15PX, D20PX)
– 215 l (D25PX)
26. Manguera de conexión de quemador – Ø 65 mm
– longitud 550 mm (D15PX, D20PX, D25PX)
– longitud 480 mm (D10PX)
11. Intercambiador de tubo
12. Freno con varilla de limpieza y asa
13. Pieza perfilada refractaria – fondo del hogar + cara trasera para D10PX K – garganta salida de humos
14. Pieza perfilada refractaria – Apertura L – salida de agua de la caldera
15. Termómetro M – entrada de agua a la caldera
16. Interruptor principal (rojo)  N – espita para grifo de llenado
Dimensiones de la caldera Tipo de caldera
D10PX D15PX D20PX D25PX
A 1221 1411 1411 1411
B1 995 1145 1145 1345
B2 1150 1447 1447 1647
C 594 674 674 674
D 1012 1213 1213 1213
E 128/130 150/152 150/152 150/152
G 140 140 140 140
H 950 1150 1150 1150
CH 166 166 166 166
I 180 180 180 180
J 6/4″ 6/4” 6/4” 6/4”
Datos técnicos Tipo de caldera
  D10PX D15PX D20PX D25PX
Potencia calorífica de la caldera kW 3 – 10 4,5 – 15 4,5 – 20 4,5 – 24
Aporte térmico de la caldera kW 3,2 – 10,9 4,8 – 16,3 4,8 – 21,9 4,8 – 26,2
Superficie de calentamiento m2 1,5 1,9 1,9 2,2
Volumen de la cámara de combustión dm3 (l) 65 175 175 215
Tamaño de la abertura de llenado mm 502 x 480 542 x 480 542 x 480 542 x 480
Tiro de chimenea prescrito
Pa/mbar 13 / 0,13 15 / 0,15 16 / 0,16 17 / 0,17
Sobrepresión máx. del agua de trabajo kPa/bar 250 / 2,5 250 / 2,5 250 / 2,5 250 / 2,5
Peso de caldera kg 287 345 345 418
Diámetro de garganta salida de humos mm 128/130 150/152 150/152 150/152
Cobertura de parte eléctrica IP 20 20 20 20
Modo de encendido   automático
Entrada eléctrica (auxiliar)
– en la puesta en marcha – estándar / especial
– durante el funcionamiento – mínima / nominal
W
522 / 1042

22 / 42

572 / 1092

22 / 92

572 / 1092

22 / 92

572 / 1092

22 / 92
Entrada eléctrica en modo de espera W 3,3 3,3 3,3 3,3
Rendimiento de la caldera % 91,6 92,7 91,5 91,8
Clase de caldera 5 5 5 5
Categoría de caldera 1
Modo operativo no condensante
Caldera de combustible sólido con unidad de cogeneración no
Equipo combinado también para calentamiento de ACS no
Clase de eficiencia energética A+ A+ A+ A+
Temperatura de los gases de combustión a potencia nominal (pellets) °C 117 118 142 145
Temperatura de los gases de combustión / tiro para el cálculo del conducto de humos (chimenea) °C / Pa 127 / 13 128 / 15 142 / 16 145 / 17
Caudal másico de los gases de combustión a potencia nominal (pellets) kg/s 0,055 0,083 0,011 0,013
Combustible prescrito (preferido) pellets de madera de alta calidad (blanca) con un diámetro de 6 a 8 mm, una longitud de 5 a 25 mm y un poder calorífico de 16 a 19 MJ.kg-1
Consumo medio de combustible – pellets a potencia nominal kg 2,3 3,6 4,5 5,4
Volumen de agua en caldera l 50 76 76 85
Pérdida hidráulica de caldera mbar 0,19 0,20 0,20 0,22
Volumen mínimo del depósito de inercia l 300 500 500 500
Tensión de conexión V/Hz 230/50
La temperatura mínima que se recomienda para el agua en régimen de trabajo es de 65 °C.
La temperatura recomendada de la caldera en régimen de trabajo es de 80 – 90 °C.

 

 

Quemador

Quemador de pellets ATMOS A25

para calderas D10PX, D15PX, D20PX y D25PX

Combustible prescrito: pellets de madera de alta calidad (blanca) con un diámetro de 6 a 8 mm, una longitud de 5 a 25 mm y un poder calorífico de 16 a 19 MJ.kg-1

Pantalla del quemador: permite visualizar el estado actual del quemador y ajustar sus funciones

Control del quemador: por la regulación electrónica AC07X que controla la marcha del transportador externo, dos espirales de ignición y ventilador según los requerimientos de la caldera y del mecanismo de calefacción. La electrónica está protegida por un termóstato de seguridad de la caldera, un termóstato de seguridad en la entrada de pellets al quemador, un sensor de velocidad del ventilador y una fotocélula para la detección de la llama. El funcionamiento del quemador se señaliza en la pantalla de la regulación electrónica.
La versión del quemador para calderas DxxPXademás incluye un módulo de expansión AC07X-C – (R5, R6) para controlar la limpieza neumática del quemador u otras posibles aplicaciones.

Encendido del combustible: automático con dos bobinas de encendido eléctrico.

Funciones básicas del quemador:
Salidas de reserva R y R2 para controlar el extractor de humos de la caldera y la bomba del circuito de caldera (conectadas de fábrica)
Posibilidad de aprovechar dos salidas de reserva R5 y R6 para varias aplicaciones
Posibilidad de conectar cuatro sensores diferentesTS, TV, TK y TSV

TK– sensor de temperatura de la caldera (conectado de fábrica)
TSV– sensor de temperatura de los gases de combustión (conectado de fábrica)
TS – sensor de temperatura del fondo del depósito
TV – sensor de temperatura de la parte superior del depósito

  • control del ventilador de la caldera  desde el quemador mediante la salida de reserva (R) (cableado de fábrica) (excepto D10PX)
  • control de la bomba de la caldera  desde el quemador mediante la salida de reserva (R2) (conectada de fábrica)
  • control del quemador en función de dos temperaturas en el depósito de inercia

Dosificación del combustible: para las calderas DxxPX hay un transportador especial DRA25 integrado directamente en la caldera. Este transportador se controla desde la regulación electrónica del quemador y dosifica combustible de la tolva al quemador.