Automatyczny kocioł na pelety
(kompletne urządzenie z palnikiem, wbudowanym zasobnikiem i przenośnikiem pelletu)
- Instalacja
- Regulacja kotłów
- Uzupełnianie paliwa
- Czyszczenie kotła
- Dane techniczne
- Palnik na pellet
- Do pobrania
-
Są to kotły skonstruowane do elektronicznie sterowanego spalania pelet z automatycznym zapłonem paliwa. Palnik na pelety jest wbudowany w przedniej części kotła w drzwiczkach komory spalania. Ta komora wyłożonej kształtkami ceramicznymi w celu idealnego wysoce skutecznego dopalenia się płonienia i służy również jako przestrzeń na popiół. W tylnej części kotła znajduje się wymiennik rurowy osadzony zwalniaczami segmentowymi z funkcją oczyszczania wstępnego (roboczego) bez konieczności ich wyjmowania.
Korpus kotła to zespół zespawany z blach stalowych o grubości 3 – 5 mm. Od strony zewnętrznej został termoizolowany filcem mineralnym, włożonym pod blaszane osłony zewnętrznej obudowy kotła. W górnej części znajduje się zasobnik paliwa, z którego pelety są transportowane do palnika za pomocą przenośnika śrubowego. Dawkowanie paliwa jest sterowane w pełni automatycznie. W przedniej części kotłów znajduje się panel zawierający: wyłącznik główny, wyłącznik palnika na pelety (L2) na wypadek czyszczenia, termostat roboczy (regulacyjny), termostat bezpieczeństwa, termometr i bezpiecznik 6,3 A. Kotły DxxPX jest wyposażony w wentylator wyciągowy (oprócz D10PX). Kocioł nie jest wyposażony w pętlę chłodzącą zabezpieczającą kocioł przed przegrzaniem, ponieważ dzięki małej ilości paliwa w palniku nie występuje ryzyko przegrzania kotła w razie przerwy w dostawie energii elektrycznej.
Zalety specjalnych kompaktowych kotłów ATMOS o nowej budowie
- Małe wymiary – kompaktowa konstrukcja dla małych kotłowni – szerokość kotła tylko 594 mm – D10PX, tylko 674 mm – D15PX, D20PX, D25PX.
- Wszystko w jednym – kocioł, podajnik ślimakowy i specjalny palnik oraz zasobnik na pelety na 1 do 3 dni na małej przestrzeni.
- Duży komfort ogrzewania – automatyczna praca z automatycznym zapłonem peletów zgodnie z wymaganą temperaturą (jak w przypadku kotła gazowego).
- Prosta obsługa – możliwość wyboru sterowania kotłem – proste elektromechaniczne / ekwitermiczne z ekranem dotykowym.
- Zdalne sterowanie – możliwość włączania kotła za pomocą prostego termostatu pokojowego lub sterowania przez telefon komórkowy lub komputer przy użyciu regulacji ekwitermiczne ATMOS ACD 03 i bramy WIFI WG1000.
- Wysoka wydajność 91 do 93 % w zależności od typu – niskie zużycie paliwa. Ekologiczne spalanie – kocioł wg ČSN EN 303-5 klasy 5, spełniający europejską dyrektywę EKOPROJEKT 2015/1189.
- Łatwe czyszczenie – wybieranie popiołu tylko od przodu – jedno miejsce do wybierania wszystkiego – rurowy wymiennik ciepła z mechanizmem czyszczącym, bez konieczności demontażu całego kotła i wyjmowania ceramiki z kotła („żadnego lego”).
- Wentylator wyciągowy (oprócz D10PX) – dla gorszych warunków ciągu – bezpyłowe usuwanie popiołu raz na 7 do 30 dni.
- Pneumatyczne czyszczenie palnika – możliwość doposażenia kotła w automatyczne czyszczenie palnika, co pozwala na spalanie peletów gorszej jakości – wyposażenie opcjonalne.
- Pneumatyczny transport peletów – kocioł można doposażyć w pneumatyczny transport peletów z zewnętrznego dużego zasobnika na cały sezon – wyposażenie opcjonalne.
- Specjalne funkcje kotła – ochrona kotła przed niską temperaturą spalin (żywotność komina), ochrona przed całkowitym opróżnieniem podajnika.
- Nadstawki zasobnika pelet – każdy kocioł można doposażyć w nadstawkę, aby zwiększyć objętość zasobnika pelet (wydłużenie czasu palenia bez dokładania).
- Panel sterowania i wąż przyłączeniowy od przenośnika
- Otwarty zbiornik pelet o pojemności 175 l
- Wymiennik rurowy ze zwalniaczami
- Otwarta komora spalania z palnikiem ATMOS A25
- Komora spalania z kształtkami ceramicznymi
- Wentylator wyciągowy (oprócz D10PX) i króciec dymowy
Instalacja
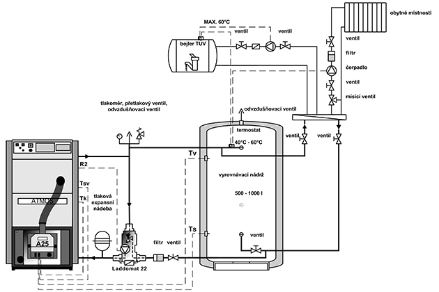
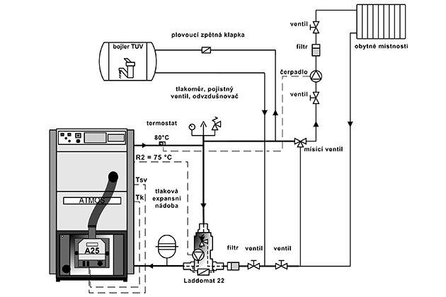
Wymaganą metodą ochrony jest podłączenie kotła w zestawieniu z układem Laddomat 22 lub zaworem termoregulacyjnym, który pozwala na utworzenie niezależnego obwodu kotłowego oraz obwodu grzewczego (obwodu pierwotnego i wtórnego) w celu zapewnienia temperatury wody na powrocie do kotła na poziomie minimum 65 °C. Im wyższa temperatura wody na powrocie do kotła, tym mniej kondensacji smoły i kwasów, które uszkadzają korpus kotła.
Temperaturę na wyjściu z kotła utrzymujemy w przedziale 80 – 90 °C, a na trójdrogowym zaworze mieszającym ustawiamy temperaturę wody dla grzejników lub ogrzewania podłogowego według potrzeb (np. 30 – 80 °C).
Kolejny wariant to podłączenie kotła za pomocą trójdrogowego zaworu mieszającego i słownika sterowanego z regulacji (np. ATMOS ACD 03/04) do utrzymania temperatury minimalnej wody wracającej do kotła (65 – 75 °C).
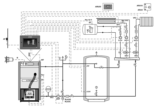
Kotłów D10PX, D15PX, D20PX i D25PX zalecamy podłączenie zawsze w układzie ze zbiornikiem buforowym o pojemności od 500 do 1000 l. W przypadku połączenia kotła ze zbiornikiem wyrównawczym (akumulacyjnym) kocioł jest najlepiej sterowany według dwóch czujników TS i TV znajdujących się na zbiorniku. W celu sterowania palnikiem za pomocą dwóch temperatur w zbiorniku wyrównawczym (akumulacyjnym) należy zainstalować w zbiorniku dwa czujniki KTF 20 (czujniki TV i TS).
- Laddomat 22 i zawór termoregulacyjny
- Podłączenie kotła DxxPX ze zbiornikiem wyrównawczym
- Prawidłowe podłączenie kotła DxxPX ze zbiornikiem akumulacyjnym i regulacją ACD03/04
- Możliwy podłączenie kotła DxxPX ze zbiornikiem akumulacyjnym oraz sterowanie pompy kotła według temperatury kotła (czujnika TK) z palnika A25
- Prawidłowe podłączenie kotła DxxPX ze zbiornikiem akumulacyjnym i sterowaniem palnika za pomocą czujników TS oraz TV oraz sterowanie pompy kotła według temperatury kotła (czujnika TK) z palnika A25
Regulacja kotłów
Klient otrzymuje kotły z podstawową regulacją mocy kotła, która spełnia wymagania dotyczące wygodnego ogrzewania i bezpieczeństwa. Regulacja zapewnia wymaganą temperaturę wody wyjściowej (80 – 90 °C). Kotły są wyposażone w złącze do podłączenia pompy w układzie kotła i w funkcję do jego sterowania bezpośrednio z regulacji palnika ATMOS A25.
W kotłach DxxPX są fabrycznie zainstalowane czujniki temperatury kotła TK i temperatury spalin TSV. Czujnik TK jest wsunięty w osadniku kotła, czujnik spalin TSV wbudowany w kanał dymowy kotła, oba są wspólnie podłączone bezpośrednio do złącza palnika. Palnik na pelety ATMOS A25 bezpośrednio steruje wentylatorem wyciągowym kotła (wyjściem rezerwowym R) i pompą w układzie kotła (wyjściem rezerwowym R2). Wyjście R2 jest fabrycznie połączone szeregowo z termostatem pompy w układzie kotła TČ70 °C.
W przypadku zalecanego podłączenia kotła ze zbiornikiem wyrównawczym (akumulacyjnym), kocioł jest najlepiej sterowany według dwóch czujników TS i TV umieszczonych na zbiorniku. Załączanie pomp w układzie systemowym nie jest w tym przypadku zależne od temperatury kotła, dlatego rozwiązujemy je na podstawie potencjalnych potrzeb systemu.
- Panel sterowania z regulacją standardową
Wyposażenie panelu:
Wyłącznik główny, termostat zabezpieczający, termometr, termostat regulacyjny i termostat spalinowy
Regulacja elektromechaniczna jest optymalnym rozwiązaniem sterowania pracą kotła (wentylatora) w prosty sposób.
Panel ze standardową regulacją jest podstawową wersją dla wszystkich produkowanych kotłów
Regulacja ekwitermiczna ACD 03
Każdy kocioł można wyposażyć u klienta w regulację elektroniczną ATMOS ACD 03 do sterowania całym systemem grzewczym według temperatury na zewnątrz, temperatury pokojowej i czasu. Ta regulacja jest w stanie sterować też samym kotłem z wentylatorem z wieloma innymi funkcjami.
- Panel sterowania kotła z regulacją ekwitermiczną ATMOS ACD 03
Uzupełnianie paliwa
Kocioł jest wyposażony we wbudowany zasobnik paliwa, który należy uzupełniać raz na 1 – 3 dni.
Jeżeli na wyświetlaczu palnika pojawi się komunikat alarmowy ALARM PELLETS – UZUPEŁNIĆ PELETY, należy uzupełnić pelety do zasobniku paliwa. Otwórz pokrywę zasobnika w górnej części kotła i uzupełnij pelety. Po uzupełnieniu pelet nie trzeba zaczerpnąć pelet do przenośnika! Kocioł jest wyposażony w specjalną funkcję przeciw całkowitemu opróżnieniu przenośnika.
Jeżeli częstotliwość uzupełniania paliwa, jest ze względu na Twoje potrzeby zbyt niska, możesz dokupić przedłużenie zasobniku o wysokości 200 mm (45 l do D10PX – kod: S1343) (65 l do D15PX i D20PX – kod: S1233) (90 l do D25PX – kod: S1315) lub 300 mm (68 l do D10PX – kod: S1344) (95 l do D15PX i D20PX – kod: S1234) (135 l do D25PX – kod: S1316) . W takim przypadku należy do kotła koniecznie dokupić schody, w celu wygodnego uzupełniania paliwa zgodnie z obowiązującymi przepisami bezpieczeństwa.
Idealnym rozwiązaniem jest uzupełnienie kotła o transport pneumatyczny ATMOS APS 150 SPX (D10PX) / ATMOS APS 250 SPX (D15PX i D20PX) / ATMOS APS 250 SPX2 (D25PX) do wygodnego automatycznego uzupełniania paliwa z dowolnego zasobniku, np. na cały sezon (silos materiałowy, oddzielne pomieszczenie).
- Ilustracja standardowego uzupełniania pelet z worków 15 kg
- Kotła z transportem pneumatycznym pelet ATMOS APS 250 SPX
- Rozszerzenie do kotłów DxxP
- Kocioł DxxPX z nadstawką zbiornika 300 mm

Kotłownia z kotłem DxxPX i zbiornikiem z wielopunktowym odsysaniem pelletu transportem pneumatycznym ATMOS APS 250 SPX (2)
Czyszczenie kotła
Czyszczenie palnika a kotła należy przeprowadzać regularnie i dokładnie raz na 5 do 14 dni w zależności od jakości peletów i ustawień mocy.
Kotły są przeznaczone do spalania wysokiej jakości białych pelet z miękkiego drewna bez kory o średnicy 6 – 8 mm, o długości 10 – 40 mm i wartości opałowej 15 – 18 MJ.kg-1. Kocioł nie jest przeznaczony do spalania pelet, które spiekają się w komorze spalania palnika. W takim przypadku należy czyścić komorę spalania palnika raz dziennie lub można wyposażyć palnik ATMOS A25 w czyszczenie pneumatyczne komory. Czyszczenie pneumatyczne docenią przede wszystkim ci, którzy spalają pelety gorszej jakości tworzące spieki.
Wygodne usuwanie popiołu – proste czyszczenie jedynie z przodu. Popiół z całej komory usuniemy za pomocą półkulistej popielniczki (akcesoria kotła). Wsuniemy popielniczkę do kotła na styk, dosuwając popielniczkę do tylnej ściany, zgarniemy popiół do popielniczki i wyciągniemy ją. Nigdy nie pozostawiaj popielniczki w kotle!
Kotły DxxPX są wyposażone w funkcje czyszczenia eksploatacyjnego wymiennika rurowego. W celu czyszczenia roboczego wymiennika rurowego i zwalniaczy użyjemy uchwytu na pokrywie czyszczącej w tylnej części kotła ukrytej pod osłoną. Wyciągając wielokrotnie i puszczając uchwyt, pyłki zostaną wytrząśnięte ze zwalniaczy a ściany dna sitowego zostaną porysowane.
- Ilustracją usuwania popiołu za pomocą popielniczki
- Ilustracja czyszczenia roboczego wymiennika rurowego
Dane techniczne
| Legenda do rysunków kotłów | |||
| 1. | Korpus kotła | 16. | Główny wyłącznik (czerwone) |
| 2. | Drzwiczki wyczystne | 17. | Termostat regulacyjny (kotłowy) |
| 3. | Palnik na pelety ATMOS A25 | 18. | Włącznik palnika (czarna) |
| 4. | Panel sterowania | 19. | Termostat bezpieczeństwa |
| 5. | Przenośnik ślimakowy | 20. | Bezpiecznik T6,3A/1500 – typ H |
| 6. | Wypełnienie drzwiczek – Sibral duży z otworem na palnik | 21. | Osłona pokrywki czyszczącej |
| 7. | Uszczelka drzwiczek 18 x 18 mm | 22. | Wentylator – wyciągowy (oprócz D10PX) |
| 8. | Zamknięcie | 23. | Kondensator wentylatora wyciągowego – 1μF |
| 9. | Izolacja pod palnik | 24. | Pokrywa czyszczenia kanału tylnego |
| 10. | Zbiornik paliwa 65 l (D10PX) / 175 l (D15PX, D20PX) / 215 l (D25PX) | 25. | Pokrywa zasobniku |
| 11. | Wymiennik rurowy | 26. | Wąż łączący palnika – Ø 65 mm – długość 550 mm (D15PX, D20PX, D25PX) – długość 480 mm (D10PX) |
| 12. | Zwalniacz z cięgnem czyszczącym i uchwytem | K | – króciec kanału dymowego |
| 13. | Żaroodporna kształtka – dno paleniska + tylna część dla D10PX | L | – wyjście wody z kotła |
| 14. | Żaroodporna kształtka – Osłona | M | – wejście wody do kotła |
| 15. | Termometr | N | – króciec na kurek wlewu |
| Wymiary (mm) | Typ kotła | |||
| D10PX | D15PX | D20PX | D25PX | |
| A | 1221 | 1411 | 1411 | 1411 |
| B1 | 995 | 1145 | 1145 | 1345 |
| B2 | 1150 | 1447 | 1447 | 1647 |
| C | 594 | 674 | 674 | 674 |
| D | 1012 | 1213 | 1213 | 1213 |
| E | 128/130 | 150/152 | 150/152 | 150/152 |
| G | 140 | 140 | 140 | 140 |
| H | 950 | 1150 | 1150 | 1150 |
| CH | 166 | 166 | 166 | 166 |
| I | 180 | 180 | 180 | 180 |
| J | 6/4″ | 6/4” | 6/4” | 6/4” |
| Dane techniczne | Typ kotle | ||||
| D10PX | D15PX | D20PX | D25PX | ||
| Moc kotła | kW | 3 – 10 | 4,5 – 15 | 4,5 – 20 | 4,5 – 24 |
| Powierzchnia grzewcza | m2 | 1,5 | 1,9 | 1,9 | 2,2 |
| Pojemność zasypu paliwa | dm3 (l) | 65 | 175 | 175 | 215 |
| Wymiary otworu zasypowego | mm | 542 x 480 | 542 x 480 | 542 x 480 | 542 x 480 |
| Wymagany ciąg komina | Pa/mbar | 13 / 0,13 | 15 / 0,15 | 16 / 0,16 | 17 / 0,17 |
| Maks. ciśnienie robocze wody | kPa/bar | 250 / 2,5 | 250 / 2,5 | 250 / 2,5 | 250 / 2,5 |
| Masa kotła | kg | 287 | 345 | 345 | 418 |
| Średnica króćca spalinowego | mm | 128/130 | 150/152 | 150/152 | 150/152 |
| Stopień ochrony części elektrycznej | IP | 20 | 20 | 20 | 20 |
| Moc el. pobierana – podczas rozruchu – podczas pracy |
W | 522/1042 42 |
572/1092 92 |
572/1092 92 |
572/1092 92 |
| Sprawność kotła | % | 91,6 | 92,7 | 91,5 | 91,8 |
| Klasa kotła | 5 | 5 | 5 | 5 | |
| Klasa efektywności energetycznej | A+ | A+ | A+ | A+ | |
| Temperatura spalin przy mocy znamionowej (pelety) | °C | 117 | 118 | 142 | 145 |
| Temperatura spalin / ciąg do obliczenia drogi spalin (komin) |
°C / Pa | 127 / 13 | 128 / 15 | 142 / 16 | 145 / 17 |
| Przepływ masowy spalin przy mocy znamionowej (pelety) | kg / s | 0,055 | 0,083 | 0,011 | 0,013 |
| Wymagane paliwo (korzystne) | jakościowy pellet o średnicy 6 – 8 mm, długości od 10 do 40 mm i kaloryczności 15 – 18 MJ.kg-1 (biały pellet) | ||||
| Przeciętne zużycie paliwa – peletów przy mocy znamionowej |
kg | 2,3 | 3,6 | 4,5 | 5,4 |
| Objętość wody w kotle | l | 50 | 76 | 76 | 85 |
| Strata hydrauliczna kotła | mbar | 0,19 | 0,20 | 0,20 | 0,22 |
| Minimalna objętość zbiornika buforowego | l | 300 | 500 | 500 | 500 |
| Napięcie zasilania | V/Hz | 230/50 | |||
Wymagana temperatura minimalna wody na powrocie w czasie pracy kotła wynosi 65 °C.
Wymagana temperatura robocza kotła wynosi 80 – 90 °C.
Palnik na pellet
Palnik na pellet ATMOS A25

do kotłów D10PX, D15PX, D20PX i D25PX
Wymagane paliwo: jakościowy pellet o średnicy 6 – 8 mm, długości od 10 do 40 mm i kaloryczności 15 – 18 MJ.kg-1 (biały pellet)
Wyświetlacz palnika: służy do wyświetlania aktualnego stanu palnika i ustawiania jego funkcji
Sterowanie palnikiem: elektroniczna regulacja AC07X, która steruje pracą podajnika zewnętrznego, dwóch spiral zapłonowych i wentylatorów według potrzeb kotła i systemu grzewczego. Elektronika jest zabezpieczona termostatem zabezpieczającym kotła, termostatem zabezpieczającym na doprowadzeniu pelet do palnika, czujnikiem obrotów wentylatora i fotokomórką do śledzenia płomienia. Praca palnika jest sygnalizowana na wyświetlaczu regulacji elektronicznej.
Palnik w wykonaniu do kotłów DxxPX posiada dodatkowo moduł rozszerzający AC07X-C – (R5, R6) do sterowania pneumatycznego czyszczenia palnika lub innego wyposażenia.
Zapalanie opału: automatyczne z pomocą dwóch elektrycznych spiral zapłonowych.
Podstawowe funkcje palinka:
Wyjścia rezerwowe R i R2 do sterowania wentylatora wyciągowego kotła i pompy w układzie kotła (podłączono fabrycznie)
Możliwość wykorzystania dwóch wyjść rezerwowych R5 i R6 do różnych zastosowań
Możliwość podłączenia czterech różnych czujników TS, TV, TK i TSV
TK – czujnik temperatury kotła (podłączono fabrycznie)
TSV – czujnik temperatury spalin (podłączono fabrycznie)
TS – czujnik dolnej temperatury na zbiorniku
TV – czujnik górnej temperatury na zbiorniku
- sterowanie wentylatorem kotła z palnika za pomocą wyjścia rezerwowego (R) (podłączono fabrycznie) (oprócz D10PX)
- sterowanie pompą kotła z palnika za pomocą wyjścia rezerwowego (R2) (podłączono fabrycznie)
- sterowanie palnikiem według dwóch temperatur na zbiorniku wyrównawczym
Dawkowanie paliwa: do kotłów DxxPX jest przeznaczony specjalny przenośnik DRA25 wbudowany bezpośrednio w kotle. Przenośnik jest sterowany z elektronicznej regulacji palnika i dawkuje paliwo ze zbiornika do palnika.

















