Automatický kotel na pelety
(Zplynovací kotel původně na dřevo s úpravou pro hořák na pelety ve vrchních dvířkách)
- Technické informace
- Ke stažení
-
DC30SX s úpravou
-
Výkon kotle 7 - 24 kW
-
Účinnost kotle 91,2 %
-
Emisní třída 5 (Ekodesign)
-
Dotovaný kotel (SVT24534)
Najděte si k instalaci kotle technika ve vašem okolí
Zplynovací kotle ATMOS s úpravou pro hořák jsou moderním řešením, kdy do vrchních dvířek standardního zplynovacího kotle zabudujeme hořák na pelety ATMOS A25/A45.
Vytvoříme tak kotel na pelety přímo na míru s automatickým zapalováním paliva.
Výhody zabudování hořáku do vrchních dvířek kotle
- Jednoduché a cenově přijatelné řešení
- Možnost vytápět komfortně peletami bez ručního přikládání – automatický provoz s automatickým zapalováním pelet dle požadované teploty (jako u plynového kotle)
- Malé rozměry a různé délky dopravníků podle velikosti a možností kotelny
- Různé velikosti zásobníků na pelety – 240, 250, 300, 400, 500, 1000 l / textilní zásobník, část kotelny jako zásobník = doplňování paliva jednou za 7 a 14 dní / jednou za rok
- Vysoká účinnost 90 až 92 % podle typu – malá spotřeba paliva a úspora nákladů na vytápění
- Ekologicky šetrné spalování – kotel dle ČSN EN 303-5 třídy 5 splňující evropskou směrnici o EKODESIGNU 2015/1189
- Odtahový ventilátor – pro horší tahové podmínky – bezprašné vybírání popela jednou za 7 až 30 dní
- Chladící smyčka proti přetopení = bez rizika poškození kotle
- Automatické vypnutí kotle po dohoření paliva
- Pneumatické čištění hořáku – možnost doplnit kotel o automatické čištění hořáku, které umožní spalovat méně kvalitní pelety – volitelné příslušenství
- Pneumatická doprava pelet – zásobník na pelety je možné doplnit o pneumatickou dopravou pelet z externího velkého zásobníku na celou sezónu – volitelné příslušenství
Kotle s úpravou jsou vybaveny z výroby veškerým potřebným příslušenstvím pro snadné řízení kotle (hořáku) podle potřeb zákazníka a dvou teplot (čidel) na vyrovnávací nádrži TV a TS.
(Od výrobního čísla kotle 327 700 jsou kotle vybaveny: 2x modul AD03, přepínací vypínač, čidlo teploty kotle TK (KTF 20), čidla TV a TS (2x KTF20 – 5 m), termostatem na čerpadlo 70 °C, vývod pro čerpadlo v kotlovém okruhu.)
Hořák na pelety ATMOS A25 lze použít pro všechny zplynovací kotle do výkonu 40 kW (mimo DC50S – 45 kW s hořákem ATMOS A45), vybavené odtahovým ventilátorem (mimo modelů řady DCxxGD, DCxxGS, DCxxGSX).
Zásobník na pelety a typ dopravníku zvolíme podle velikosti kotelny a tepelných ztrát objektu.
Standardně jsou v této variantě vyráběny tyto modely:
| Název kotle | Výkon na původní palivo – DŘEVO (kW) | Výkon – pelety (kW) | ![]() |
| DC18S s úpravou pro hořák | 20 | 6 – 20 | |
| DC22S s úpravou pro hořák | 22 | 7 – 24 | |
| DC25S s úpravou pro hořák | 27 | 7 – 24 | |
| DC30SX s úpravou pro hořák | 30 | 7 – 24 | |
| DC32S s úpravou pro hořák | 35 | 7 – 24 | |
| DC50S s úpravou pro hořák* | 49,9 | 13,5 – 45 |
*pro tento model je určen hořák ATMOS A45
| Název kotle | Výkon na původní palivo – UHLÍ (kW) | Výkon – pelety (kW) | ![]() |
| C15S s úpravou pro hořák | 16 | 3 – 12 | |
| C18S s úpravou pro hořák | 20 | 6 – 20 | |
| C25ST s úpravou pro hořák | 25 | 7 – 24 | |
| C32ST s úpravou pro hořák | 32 | 7 – 24 | |
| AC25S s úpravou pro hořák | 26 | 6 – 20 |
Kotle jsou zkonstruovány tak, že těleso kotlů je vyrobeno jako svařenec z kvalitních ocelových plechů o síle 3 až 8 mm, které se skládá:
- Vrchní komora (6 mm) je opatřena dvířky s otvorem pro zabudování hořáku na pelety.
- Spodní prostor je vybaven zplynovací tryskou (DCxxS(SX)) nebo otočným litinovým roštem (CxxS(ST), ACxxS) pro snadné odstranění popela. Keramické tvarovky podporují ideální vyhoření všech spalitelných látek s vysokou účinností při ekologicky šetrném spalování a slouží i jako popelník.
- Kotel DC18S s úpravou pro hořák s kompaktní nádrží na pelety AZPU 400 C Design (400 l)
- Kotel C15S s úpravou pro hořák s kompaktní nádrží na pelety AZPU 240
- Kotel DC18S s úpravou pro hořák s dopravníkem DA2000 (2 m) a nádrží na pelety 500 l
Technické informace
| Technické údaje | Typ kotle s úpravou |
|||||||||||
|---|---|---|---|---|---|---|---|---|---|---|---|---|
| DC18S | DC22S | DC25S | DC30SX | DC32S | DC50S | C15S | C18S | C25ST | C32ST | AC25S | ||
| Výkon kotle na dřevěné pelety | kW | 6 – 20 | 7 – 24 | 7 – 24 | 7 – 24 | 7 – 24 | 13,5 – 45 | 3 – 12 | 6 – 20 | 7 – 24 | 7 – 24 | 4 – 20 |
| Výkon kotle na původní palivo | kW | 20 | 22 | 27 | 30 | 35 | 49 | 16 | 20 | 25 | 32 | 25 |
| Předepsaný tah komína | Pa/mbar | 18/0,18 | 23/0,23 | 23/0,23 | 24/0,24 | 24/0,24 | 25/0,25 | 16/0,16 | 20/0,20 | 23/0,23 | 25/0,25 | 20/0,20 |
| Hmotnost kotle | kg | 283 | 324 | 326 | 335 | 345 | 433 | 276 | 298 | 379 | 415 | 297 |
| Objem vody | l | 45 | 58 | 58 | 58 | 80 | 89 | 37 | 45 | 68 | 74 | 45 |
| Obsah násypky | dm3 (l) | 60 | 95 | 95 | 95 | 135 | 180 | 45 | 60 | 90 | 110 | 60 |
| Připojovací napětí | V/Hz | 230/50 | 230/50 | 230/50 | 230/50 | 230/50 | 230/50 | 230/50 | 230/50 | 230/50 | 230/50 | 230/50 |
| Předepsaná délka dřeva | mm | 330 | 530 | 530 | 530 | 530 | 730 | 250 | 330 | 330 | 430 | 330 |
| Původní palivo | dřevo | dřevo | dřevo | dřevo | dřevo | dřevo | uhlí (dřevo) | uhlí (dřevo) | uhlí (dřevo) | uhlí (dřevo) | uhlí (dřevo) | |
| Předepsané palivo (preferované) | Kvalitní dřevěné pelety o průměru 6 – 8 mm, délce 10 až 40 mm a výhřevnosti 15 – 18 MJ.kg-1 (bílé pelety) | |||||||||||
| Minimální teplota vratné vody | °C | 65 | ||||||||||
| Účinnost | % | 91,5 | 91,2 | 91,2 | 91,2 | 91,8 | 90,4 | 90,1 | 91,5 | 91,1 | 92,4 | 91,5 |
| Třída kotle dle ČSN EN 303-5 | 5 | 5 | 5 | 5 | 5 | 5 | 5 | 5 | 5 | 5 | 5 | |
| Třída energetické účinnosti | A+ | A+ | A+ | A+ | A+ | A+ | A+ | A+ | A+ | A+ | A+ | |
| EKODESIGN | ano | ano | ano | ano | ano | ano | ano | ano | ano | ano | ano | |
| Dotované kotle v ČR | ano / SVT1059 | ano / SVT20022 | ano / SVT20021 | ano / SVT24534 | ano / SVT1061 | ano / SVT21210 | ano / SVT24533 | ano / SVT20024 | ano / SVT21096 | ano / SVT21099 | ano / SVT20023 | |
| Hořák | A25 | A25 | A25 | A25 | A25 | A45 | A25 | A25 | A25 | A25 | A25 | |
Instalace
Při instalaci hořáku do vrchních dvířek zplynovacího kotle, je nutné použít dopravník o minimální délce 2 metry, tak aby délka hadice mezi dopravníkem a hořákem byla minimálně 20 cm z důvodu bezpečnosti.
Optimální délka hadice je však cca 40 cm, tak aby bylo možné snadno otevřít dvířka s hořákem na pelety při čištění spalovací komory.
- Legenda: 1 – Komín | 2 – Kouřovod | 3 – Kotel | 4 – Hořák | 5 – Dopravník | 6 – Zásobník
- Schéma instalace dopravníku pelet
Doporučené zapojení
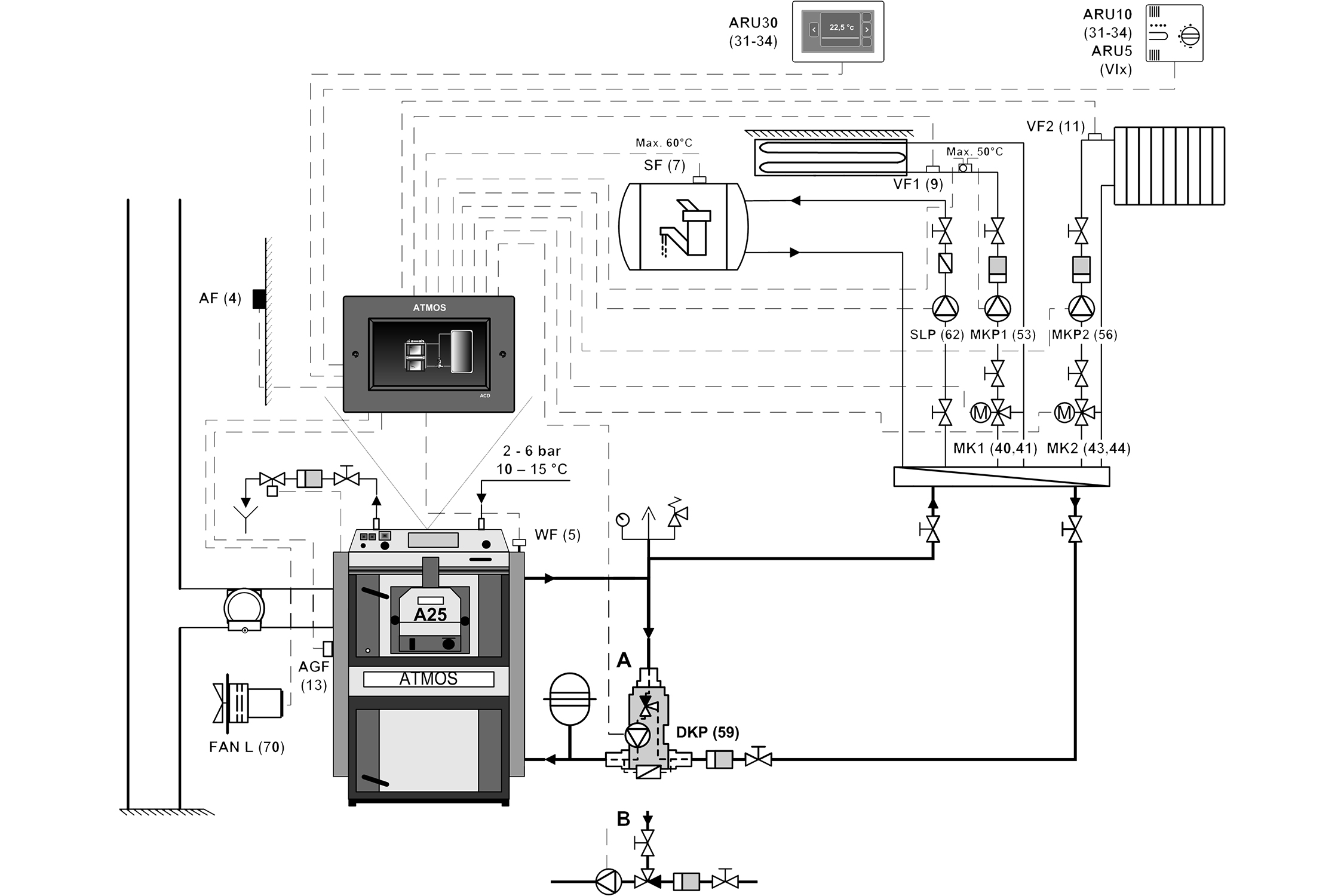
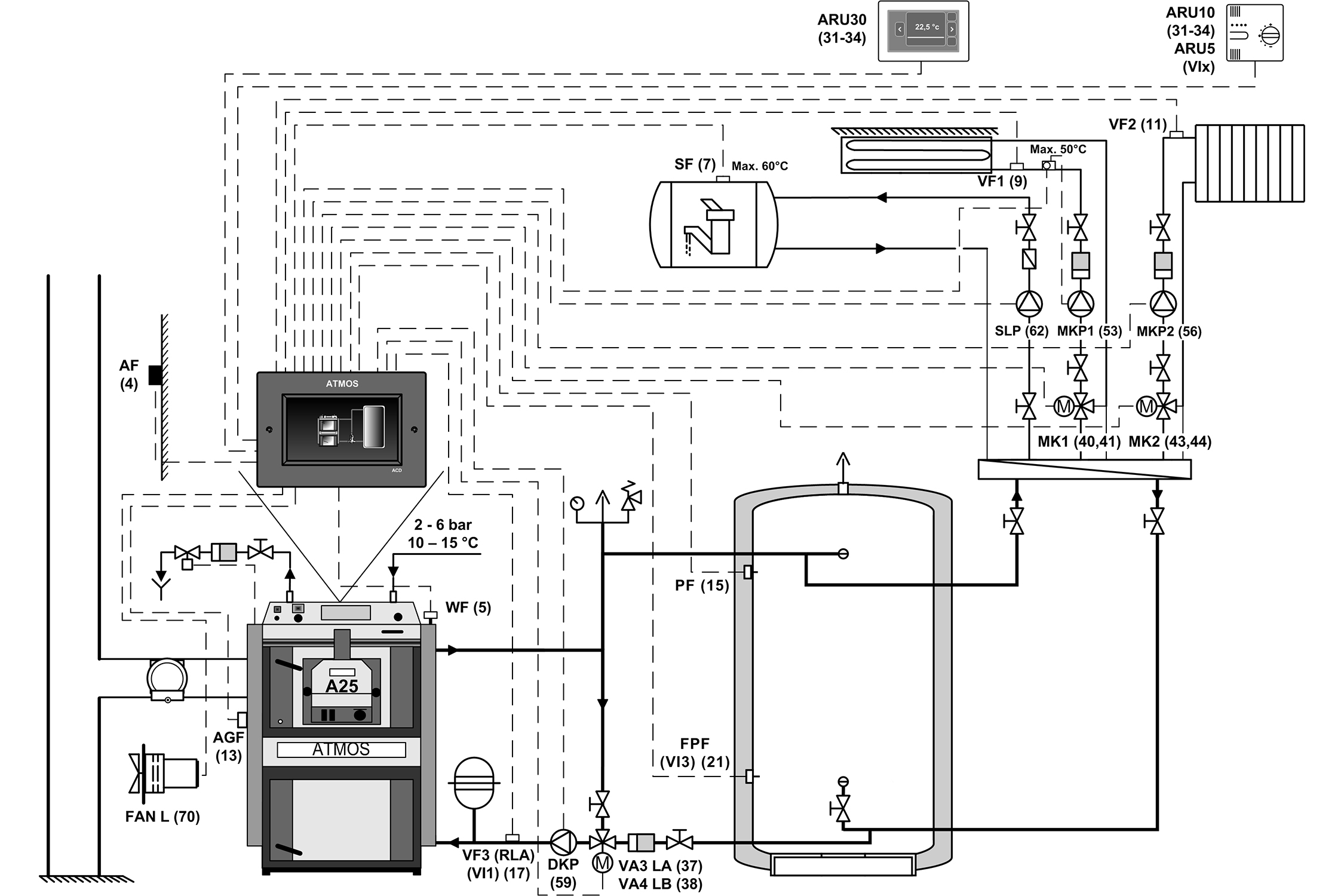
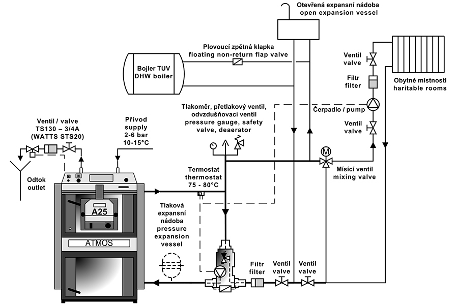
Doporučeným zapojením kotle je zapojení s Laddomatem 22 nebo termoregulačním ventilem a vyrovnávací nádrží o objemu 500 nebo 1000 l pro docílení nízké spotřeby paliva a vysoké životnosti hořáku a kotle. Pro další úsporu paliva (až 20 %) a správnou funkci nabíjení vyrovnávací nádrže použijte speciálně vyvinutou regulaci ATMOS ACD 03 nebo čidla TV a TS, které jsou určeny pro speciální funkce hořáku ATMOS A25 a jsou umístěny na vyrovnávací (akumulační) nádrži. Řídící jednotka si hlídá natopení vyrovnávací (akumulační) nádrže zcela automaticky a zaručuje vždy dostatek energie pro topný systém. Tento způsob zapojení vám uspoří palivo, elektrickou energii a zvýší životnost hořáku na pelety.
![]() |
Od 1. 3. 2017 jsou kotle s úpravou pro hořák vybaveny z výroby dvěma moduly AD03, přepínacím vypínačem, čidlem teploty kotle TK (KTF 20), termostatem na čerpadlo 70 °C a vývodem s konektorem pro čerpadlo v kotlovém okruhu. Čidlo TK zasunuté v jímce kotle (z výroby), čidla TV a TS (příslušenství kotle od 1.3.2019) v jímkách na akumulační nádrži, vše společně zapojeno přímo do konektoru hořáku. Moduly (2x AD03) vloženy pod přístrojovou kapotu kotle a zapojeny na svorkovnici kotle. Oba moduly AD03 ovládají odtahový ventilátor kotle a čerpadlo v kotlovém okruhu. Provedení kotlů 2016 obsahují pouze jeden modul AD02 pro ovládání odtahového ventilátoru. |
- Zapojení kotle s hořákem ATMOS A25/A45 a akumulační nádrží
- Zapojení kotle s hořákem ATMOS A25/A45
- Zapojení kotle s hořákem A25/A45, akumulační nádrží a elektronickou regulaci ACD03
- Zapojení kotle s hořákem A25/A45 a elektronickou regulaci ACD03
Zplynovací kotle ATMOS s úpravou pro hořák na pelety A25 / A45 je možné si objednat přímo z výroby v levém nebo pravém provedení. Úpravu je možné provést pouze u kotlů vybavených odtahovým ventilátorem do výkonu 40/50 kW (mimo typu DCxxGS, DCxxGD). V případě, že budete chtít hořák zabudovat do již nainstalovaného kotle ATMOS, je možné si objednat speciální sadu pro jeho přestavbu. Sada se skládá z kompletních upravených dvířek, speciální elektroinstalace a příslušenství o 23 položkách.
Kotle s úpravou MODEL od 2017 jsou vybaveny (od výrobního čísla kotle 327 700): 2x modul AD03 pro ovládání odtahového ventilátoru kotle a čerpadla v kotlovém okruhu, přepínací vypínač, čidlo teploty kotle TK (KTF 20), čidla TV a TS (2x KTF20 – 5 m) pro řízení provozu podle dvou teplot na vyrovnávací (akumulační) nádrži, termostatem na čerpadlo 70 °C, vývod pro čerpadlo v kotlovém okruhu.
Sada pro zabudování hořáku na pelety do vrchních dvířek
- s pravým otvíráním – hořák A25 – kód: S0532 – staré provedení s AD02
- s levým otvíráním – hořák A25 – kód: S0533 – staré provedení s AD02
- s pravým otvíráním – hořák A25 – kód: S1222 – model 2017-2020
- s levým otvíráním – hořák A25 – kód: S1223 – model 2017-2020
- s pravým otvíráním – hořák A45 – kód: S0624 – staré provedení s AD02
- s levým otvíráním – hořák A45 – kód: S0625 – staré provedení s AD02
- s pravým otvíráním – hořák A45 – kód: S1224 – model 2017-2020
- s levým otvíráním – hořák A45 – kód: S1225 – model 2017-2020
Hořáky
Hořák na pelety ATMOS A25
Předepsané palivo: kvalitní dřevěné pelety (bílé) o průměru 6 až 8 mm, délce 10 až 40 mm a výhřevnosti 15 – 18 MJ.kg-1.
Displej hořáku: slouží k zobrazení aktuálního stavu hořáku a k nastavení jeho funkcí
Řízení hořáku: elektronickou regulací AC07X, která ovládá chod externího dopravníku, dvou zapalovacích spirál a ventilátoru dle požadavků kotle a topného systému. Elektronika je jištěná bezpečnostním termostatem kotle, bezpečnostním termostatem na přívodu pelet do hořáku, snímačem otáček ventilátoru a fotocelou pro snímání plamene. Chod hořáku je signalizován na displeji elektronické regulace.
Zapalování paliva: automatické za pomoci dvou elektrických zapalovacích spirál.
Základní funkce hořáku:
Rezervní výstupy R a R2 pro ovládání odtahového ventilátoru kotle a čerpadla v kotlovém okruhu (zapojeno z výroby)
Možnost zapojení čtyř různých čidel TS, TV, TK a TSV
TK – čidlo teploty kotle (zapojeno z výroby)
TSV – čidlo tepoty spalin (zapojeno z výroby)
TS – čidlo spodní teploty na nádrži
TV – čidlo vrchní teploty na nádrži
- řízení ventilátoru kotle z hořáku za pomoci rezervního výstupu (R) (zapojeno z výroby)
- řízení kotlového čerpadla z hořáku za pomoci rezervního výstupu (R2) (zapojeno z výroby)
- řízení hořáku podle dvou teplot na vyrovnávací nádrži
Dávkování paliva: pro tento hořák jsou určeny speciální šnekové dopravník DA1500 – 4000.
Hořák na pelety ATMOS A45
Předepsané palivo: kvalitní dřevěné pelety (bílé) o průměru 6 až 8 mm, délce 10 až 40 mm a výhřevnosti 15 – 18 MJ.kg-1.
Displej hořáku: slouží k zobrazení aktuálního stavu hořáku a k nastavení jeho funkcí
Řízení hořáku: elektronickou regulací AC07X, která ovládá chod externího dopravníku, dvou zapalovacích spirál a ventilátoru dle požadavků kotle a topného systému. Elektronika je jištěná bezpečnostním termostatem kotle, bezpečnostním termostatem na přívodu pelet do hořáku, snímačem otáček ventilátoru a fotocelou pro snímání plamene. Chod hořáku je signalizován na displeji elektronické regulace.
Zapalování paliva: automatické za pomoci dvou elektrických zapalovacích spirál.
Základní funkce hořáku:
Rezervní výstupy R a R2 pro ovládání odtahového ventilátoru kotle a čerpadla v kotlovém okruhu (zapojeno z výroby)
Možnost zapojení čtyř různých čidel TS, TV, TK a TSV
TK – čidlo teploty kotle (zapojeno z výroby)
TSV – čidlo tepoty spalin (zapojeno z výroby)
TS – čidlo spodní teploty na nádrži
TV – čidlo vrchní teploty na nádrži
- řízení ventilátoru kotle z hořáku za pomoci rezervního výstupu (R) (zapojeno z výroby)
- řízení kotlového čerpadla z hořáku za pomoci rezervního výstupu (R2) (zapojeno z výroby)
- řízení hořáku podle dvou teplot na vyrovnávací nádrži
Dávkování paliva: pro tento hořák jsou určeny speciální šnekové dopravníky typu DRA.












