Automatyczny kocioł na pelety
(Kocioł zgazowujący pierwotnie na drewno z modyfikacją na palnik pelletowy w górnych drzwiach)
- Dane techniczne
- Do pobrania
-
Kotły zgazowujące ATMOS z modyfikacją na palnik to nowoczesne rozwiązanie, w którym palnik pelletowy ATMOS A25/A45 montujemy w górnych drzwiach standardowego kotła zgazowującego.
Stworzymy skrojony na miarę kocioł na pellet z automatycznym zapłonem paliwa.
Korzyści z wbudowania palnika do standardowego kotła
- Proste i przystępne cenowo rozwiązanie
- Możliwość komfortowego ogrzewania peletami bez ręcznego dokładania – automatyczna praca z automatycznym zapłonem peletów zgodnie z wymaganą temperaturą (jak w przypadku kotła gazowego).
- Małe wymiary i różne długości podajników w zależności od wielkości i możliwości kotłowni.
- Różne rozmiary zasobników na pelety – 240, 250, 300, 400, 500, 1000 l / zasobnik tekstylny, część kotłowni jako zasobnik = uzupełnianie paliwa raz na 7 i 14 dni / raz w roku.
- Wysoka wydajność 90 do 92 % w zależności od typu – niskie zużycie paliwa i oszczędność na kosztach ogrzewania.
- Ekologiczne spalanie – kocioł wg ČSN EN 303-5 klasy 5, spełniający europejską dyrektywę EKOPROJEKT 2015/1189.
- Wentylator wyciągowy – dla gorszych warunków ciągu – bezpyłowe usuwanie popiołu raz na 7 do 30 dni.
- Wężownica chłodząca przeciw przegrzaniu = bez ryzyka uszkodzenia kotła.
- Automatyczne wyłączanie kotła po wypaleniu paliwa.
- Pneumatyczne czyszczenie palnika – możliwość doposażenia kotła w automatyczne czyszczenie palnika, co pozwala na spalanie peletów gorszej jakości – wyposażenie opcjonalne.
- Pneumatyczny transport peletów – zasobnik na pelety można uzupełnić o pneumatyczny transport peletów z zewnętrznego dużego zasobnika na cały sezon – wyposażenie opcjonalne.
Zmodyfikowane kotły wyposażone są fabrycznie we wszystkie niezbędne akcesoria umożliwiające łatwe sterowanie kotłem (palnikiem) według potrzeb klienta oraz dwie temperatury (czujniki) na zbiorniku buforowym TV i TS.
(od numeru seryjnego kotła 327 700, kotły wyposażone są w: 2x moduł AD03, przełącznik, czujnik temperatury kotła TK (KTF 20), czujniki TV i TS (2x KTF20 – 5 m), termostat do pompy 70 °C, wyjście na pompa w obiegu kotła.)
Palnik na pellet ATMOS A25 może być stosowany do wszystkich kotłów zgazowujących do 40 kW (z wyjątkiem DC50S – 45 kW z palnikiem ATMOS A45), wyposażonych w wentylator wyciągowy (z wyjątkiem modeli DCxxGD, DCxxGS, DCxxGSX).
Zasobnik i rodzaj przenośnika dobieramy w zależności od wielkości kotłowni i strat ciepła budynku.
W tym wariancie standardowo produkowane są następujące modele:
| Nazwa kotła | Moc – paliwo oryginalne – DREWNO (kW) | Moc – pellet (kW) | ![]() |
| DC18S z modyfikacją do palnika na pellet | 20 | 6 – 20 | |
| DC22S z modyfikacją do palnika na pellet | 22 | 7 – 24 | |
| DC25S z modyfikacją do palnika na pellet | 27 | 7 – 24 | |
| DC30SX z modyfikacją do palnika na pellet | 30 | 7 – 24 | |
| DC32S z modyfikacją do palnika na pellet | 35 | 7 – 24 | |
| DC50S z modyfikacją do palnika na pellet* | 49,9 | 13,5 – 45 |
*ten palnik jest przeznaczony do tego kotła – ATMOS A45
| Nazwa kotła | Moc – paliwo oryginalne – WĘGIEL (kW) | Moc – pellet (kW) | ![]() |
| C15S z modyfikacją do palnika na pellet | 16 | 3 – 12 | |
| C18S z modyfikacją do palnika na pellet | 20 | 6 – 20 | |
| C25ST z modyfikacją do palnika na pellet | 25 | 7 – 24 | |
| C32ST z modyfikacją do palnika na pellet | 32 | 7 – 24 | |
| AC25S z modyfikacją do palnika na pellet |
26 | 6 – 20 |
Kotły są skonstruowane tak, że korpus kotłów jest spawany z wysokiej jakości blachy stalowej o grubości od 8 do 3 mm, składa się:
- Z komory górnej (6 mm), która jest w górnej części z drzwiczkami z otworem do wbudowania palnika na pelety i w dolnej części z dyszą zgazującą lub obrotowym rusztem żeliwnym dla łatwego usuwania popiołu.
- Z przestrzeni dolnej, która jest wykładana kształtkami ceramicznymi dla idealnego spałenia wszystkich palnych substancji z wysoką sprawnością i przyjaznym ekologicznie spalaniem, która służy też jako popielnik.
- Kocioł DC18S z modyfikacją palnika z kompaktowym zbiornikiem na pellet AZPU 400 C Design (400 l)
- Kocioł C15S z modyfikacją na palnik z kompaktowym zasobnikiem pelletu AZPU 240
- Kocioł DC18S z modyfikacją na palnik z przenośnikiem DA2000 (2 m) i zbiornikiem na pelety 500 l
Dane techniczne
| Dane techniczne | Typ kotła z modyfikacją | |||||||||||
|---|---|---|---|---|---|---|---|---|---|---|---|---|
| DC18S | DC22S | DC25S | DC30SX | DC32S | DC50S | C15S | C18S | C25ST | C32ST | AC25S | ||
| Moc kotła na pelety drzewne | kW | 6 – 20 | 7 – 24 | 7 – 24 | 7 – 24 | 7 – 24 | 13,5 – 45 | 3 – 12 | 6 – 20 | 7 – 24 | 7 – 24 | 4 – 20 |
| Moc kotła na oryginalnym paliwie | kW | 20 | 22 | 27 | 30 | 35 | 49 | 16 | 20 | 25 | 32 | 25 |
| Wymagany ciąg komina | Pa/mbar | 18/0,18 | 23/0,23 | 23/0,23 | 24/0,24 | 25/0,25 | 25/0,25 | 16/0,16 | 20/0,20 | 23/0,23 | 25/0,25 | 20/0,20 |
| Masa kotła | kg | 283 | 324 | 326 | 335 | 345 | 433 | 276 | 298 | 379 | 415 | 297 |
| Objętość wody w kotle | l | 45 | 58 | 58 | 58 | 80 | 89 | 37 | 45 | 68 | 74 | 45 |
| Pojemność zasypu paliwa | dm3 (l) | 60 | 95 | 95 | 95 | 135 | 180 | 45 | 60 | 90 | 110 | 60 |
| Napięcie zasilania | V/Hz | 230/50 | 230/50 | 230/50 | 230/50 | 230/50 | 230/50 | 230/50 | 230/50 | 230/50 | 230/50 | 230/50 |
| Zalecana długość drewna | mm | 330 | 530 | 530 | 530 | 530 | 730 | 250 | 330 | 330 | 430 | 330 |
| Oryginalne paliwo | drewno | drewno | drewno | drewno | drewno | drewno | węgiel (drewno) | węgiel (drewno) | węgiel (drewno) | węgiel (drewno) | węgiel (drewno) | |
| Wymagane paliwo | Jakościowy pellet o średnicy 6 – 8 mm, długości od 10 do 40 mm i kaloryczności 15 – 18 MJ.kg-1 (biały pellet) | |||||||||||
| Minimalna temperatura powrotu | °C | 65 | ||||||||||
| Sprawność kotła | % | 91,5 | 91,2 | 91,2 | 91,2 | 91,8 | 90,4 | 90,1 | 91,5 | 91,1 | 92,4 | 91,5 |
| Klasa kotła | 5 | 5 | 5 | 5 | 5 | 5 | 5 | 5 | 5 | 5 | 5 | |
| Klasa energetyczna | A+ | A+ | A+ | A+ | A+ | A+ | A+ | A+ | A+ | A+ | A+ | |
| EKODESIGN | Tak | Tak | Tak | Tak | Tak | Tak | Tak | Tak | Tak | Tak | Tak | |
| Palnik | A25 | A25 | A25 | A25 | A25 | A45 | A25 | A25 | A25 | A25 | A25 | |
Instalacja
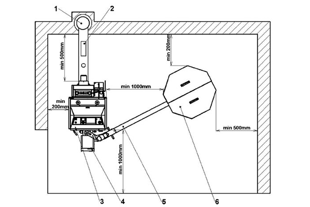
Instalując palnik w górnych drzwiczkach kotła gazującego niezbędne jest użycie podajnika o minimalnej długości 2 metrów tak, aby długość węża między przenośnikiem i palnikiem wynosiła z powodów bezpieczeństwa minimalnie 20 cm. Optymalna długość węża jednak wynosi ok. 40 cm, aby było możliwe łatwe otwarcie drzwiczek z palnikiem na pelety podczas czyszczenia paleniska.
- Opis: 1 – Komin | 2 – Czopuch | 3 – Kocioł | 4 – Palnik | 5 – Podajnik | 6 – Zasobnik
- Schemat instalacji przenośnika pelletu
Zalecane podłączenie
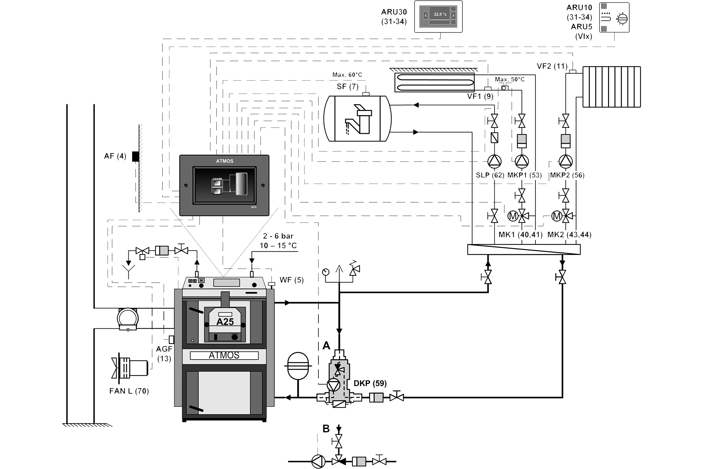
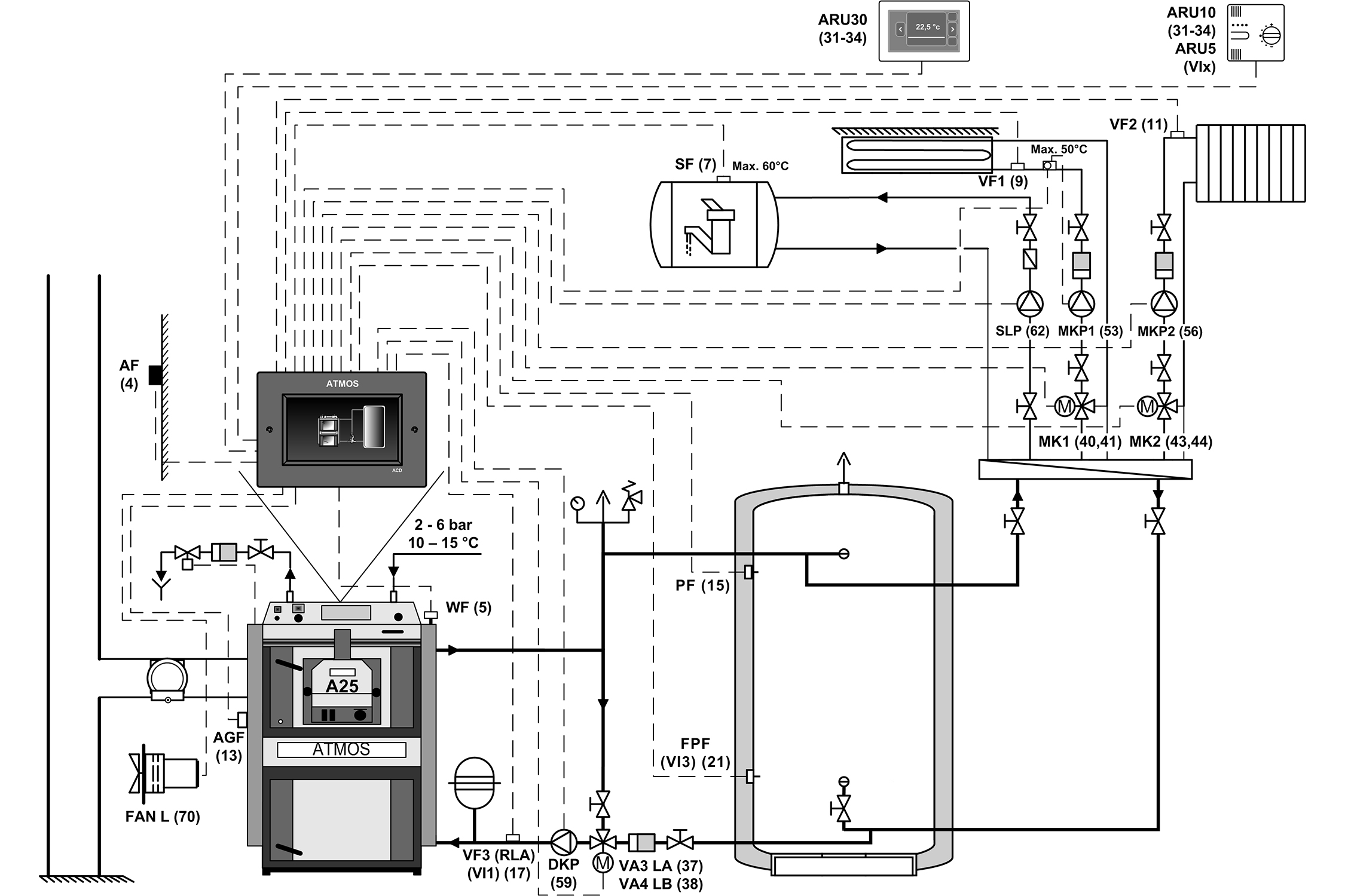
Zalecanym podłączeniem kotła jest podłączenie z LADDOMAT-em 22 lub zaworem termoregulacyjnym oraz ze zbiornikiem wyrównawczym o pojemności 500 lub 1000 litrów dla osiągnięcia niskiego zużycia paliwa i wysokiej żywotności palnika i kotła. W celu dalszej oszczędności paliwa (do 20 %) i odpowiedniej funkcji ładowania zbiornika buforowego należy zastosować specjalnie opracowane sterowanie ATMOS ACD 03 lub czujniki TV i TS, które są przeznaczone do funkcji specjalnych palnika ATMOS A25 i znajdują się na zbiorniku buforowym . Jednostka sterująca całkowicie automatycznie monitoruje ogrzewanie bufora i zawsze gwarantuje wystarczającą ilość energii dla systemu grzewczego. Tego typu podłączenie pozwoli zaoszczędzić paliwo, energię elektryczną i wydłużyć żywotność palnika na pellet.
![]() |
Od 1 marca 2017 kotły zmodyfikowane pod palnik wyposażone są fabrycznie w dwa moduły AD03, przełącznik dwustabilny, czujnik temperatury kotła TK (KTF 20), termostat pompy 70 °C oraz wyjście z przyłączem do pompa w obiegu kotła. Czujnik TK umieszczony w misce kotła (z produkcji), czujniki TV i TS (wyposażenie kotła od 1. 3. 2019) w miskach na zasobniku, wszystkie podłączone bezpośrednio do złącza palnika. Moduły (2x AD03) umieszcza się pod pokrywą przyrządu kotła i podłącza do listwy zaciskowej kotła. Oba moduły AD03 sterują wentylatorem wyciągowym kotła oraz pompą w obiegu kotła. Wersje kotłów 2016 zawierają tylko jeden moduł AD02 do sterowania wentylatorem wyciągowym. |
- Podłączenie kotła z palnikiem ATMOS A25/A45 i zasobnikiem
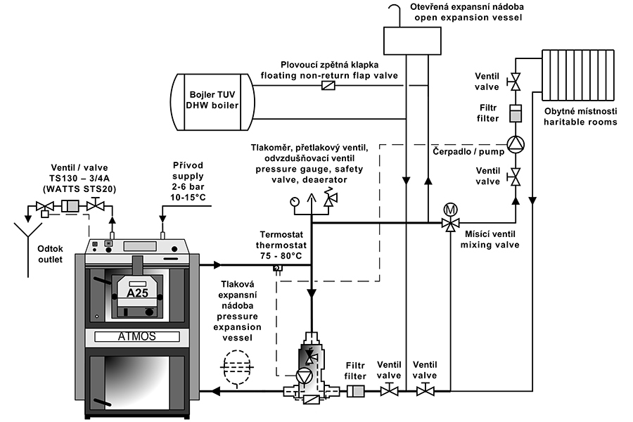
- Podłączenie kotła z palnikiem A25/A45 z Laddomatem 22
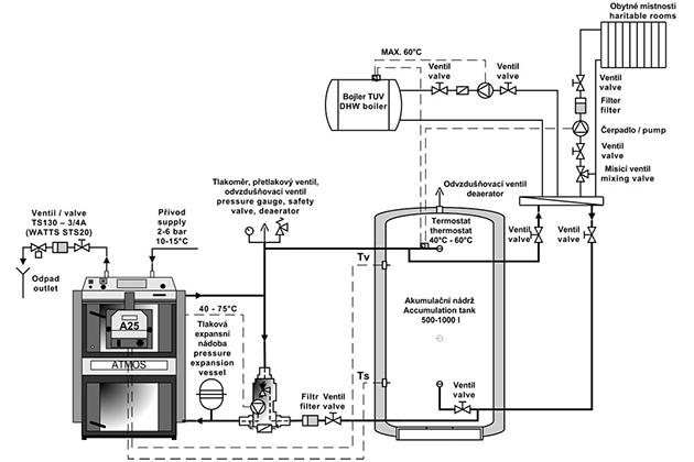
- Podłączenie kotła z palnikiem A25/A45, zasobnikiem i regulacją elektroniczną ACD03
- Podłączenie kotła z palnikiem A25/A45 i sterowaniem elektronicznym ACD03
Kotły zgazowujące ATMOS z modyfikacją do palnika pelletowego A25 / A45 można zamówić bezpośrednio z fabryki w wykonaniu lewym lub prawym. Regulacja jest możliwa tylko dla kotłów wyposażonych w wentylator wyciągowy do 40/50 kW (oprócz typu DCxxGS, DCxxGD). W przypadku chęci zamontowania palnika w już zainstalowanym kotle ATMOS istnieje możliwość zamówienia specjalnego zestawu do jego przebudowy. Zestaw składa się z kompletnych zmodyfikowanych drzwi, specjalnego okablowania i akcesoriów składających się z 23 elementów.
Kotły z modyfikacją MODEL z 2017 roku są wyposażone (od numeru seryjnego kotła 327 700): 2x moduł AD03 do sterowania wentylatorem wyciągowym kotła i pompą w obiegu kotła, przełącznik dwustabilny, czujnik temperatury kotła TK (KTF 20), czujniki TV i TS ( 2x KTF20 – 5 m) do sterowania pracą wg dwóch temperatur na zbiorniku buforowym, termostat dla pompy 70 °C, wyjście dla pompy w obiegu kotła.
Zestaw do wbudowania palnika na pelety do drzwiczek górnych
- z prawostronnym otwieraniem – palnik A25 – kod: S0532 – wersja z AD02
- z lewostronnym otwieraniem – palnik A25 – kod: S0533 – wersja z AD02
- z prawostronnym otwieraniem – palnik A25 – kod: S1222 – model 2017 – 2020
- z lewostronnym otwieraniem – palnik A25 – kod: S1223 – model 2017 – 2020
- z prawostronnym otwieraniem – palnik A45 – kod: S0624 – wersja z AD02
- z lewostronnym otwieraniem – palnik A45 – kod: S0625 – wersja z AD02
- z prawostronnym otwieraniem – palnik A45 – kod: S1224 – model 2017 – 2020
- z lewostronnym otwieraniem – palnik A45 – kod: S1225 – model 2017 – 2020
Palniki
Palniki na pellet ATMOS A25
Wymagane paliwo: jakościowy pellet o średnicy 6 – 8 mm, długości od 10 do 40 mm i kaloryczności 15 – 18 MJ.kg-1 (biały pellet)
Wyświetlacz palnika: służy do wyświetlania aktualnego stanu palnika i ustawiania jego funkcji
Sterowanie palnikiem: elektroniczna regulacja AC07X (AC07), która steruje pracą przenośnika zewnętrznego, dwóch spiral zapłonowych i wentylatora według potrzeb kotła i systemu grzewczego. Elektronika jest zabezpieczona termostatem bezpieczeństwa kotła, termostatem bezpieczeństwa na doprowadzeniu pelet do palnika, czujnikiem obrotów wentylatora i fotokomórką do śledzenia płomienia. Praca palnika jest sygnalizowana na wyświetlaczu regulacji elektronicznej.
Zapalanie paliwa: automatyczne za pomocą dwóch elektrycznych spiral zapłonowych.
Podstawowe funkcje palinka:
Wyjścia rezerwowe R i R2 do sterowania wentylatorem wyciągowym kotła i pompą w obiegu kotła (podłączone fabrycznie)
Możliwość podłączenia czterech różnych czujników TS, TV, TK i TSV
TK – czujnik kotła lub czujnik środkowy na zbiorniku
TSV – czujnik spalin lub panelu solarnego
TS – czujnik dolny na zbiorniku
TV – czujnik górny na zbiorniku
- sterowanie wentylatorem kotła z palnika poprzez wyjście rezerwowe (R) (podłączone fabrycznie)
- sterowanie pompą kotła z palnika poprzez wyjście rezerwowe (R2) (podłączone fabrycznie)
- sterowanie palnikiem według dwóch temperatur na zbiorniku akumulacznym
Dawkowanie paliwa: Do kotłów DxxP przeznaczone są specjalne przenośniki ślimakowe DA1500 – 4000.
Palniki na pellet ATMOS A45
Wymagane paliwo: jakościowy pellet o średnicy 6 – 8 mm, długości od 10 do 40 mm i kaloryczności 15 – 18 MJ.kg-1 (biały pellet)
Wyświetlacz palnika: służy do wyświetlania aktualnego stanu palnika i ustawiania jego funkcji
Sterowanie palnikiem: elektroniczna regulacja AC07X (AC07), która steruje pracą przenośnika zewnętrznego, dwóch spiral zapłonowych i wentylatora według potrzeb kotła i systemu grzewczego. Elektronika jest zabezpieczona termostatem bezpieczeństwa kotła, termostatem bezpieczeństwa na doprowadzeniu pelet do palnika, czujnikiem obrotów wentylatora i fotokomórką do śledzenia płomienia. Praca palnika jest sygnalizowana na wyświetlaczu regulacji elektronicznej.
Zapalanie paliwa: automatyczne za pomocą dwóch elektrycznych spiral zapłonowych.
Wyjścia rezerwowe R i R2 do sterowania wentylatorem wyciągowym kotła i pompą w obiegu kotła (podłączone fabrycznie)
Możliwość podłączenia czterech różnych czujników TS, TV, TK i TSV
TK – czujnik kotła lub czujnik środkowy na zbiorniku
TSV – czujnik spalin lub panelu solarnego
TS – czujnik dolny na zbiorniku
TV – czujnik górny na zbiorniku
- sterowanie wentylatorem kotła z palnika poprzez wyjście rezerwowe (R) (podłączone fabrycznie)
- sterowanie pompą kotła z palnika poprzez wyjście rezerwowe (R2) (podłączone fabrycznie)
- sterowanie palnikiem według dwóch temperatur na zbiorniku akumulacznym
Dawkowanie paliwa: Do kotłów DxxP przeznaczone są specjalne przenośniki ślimakowe typu DRA.













