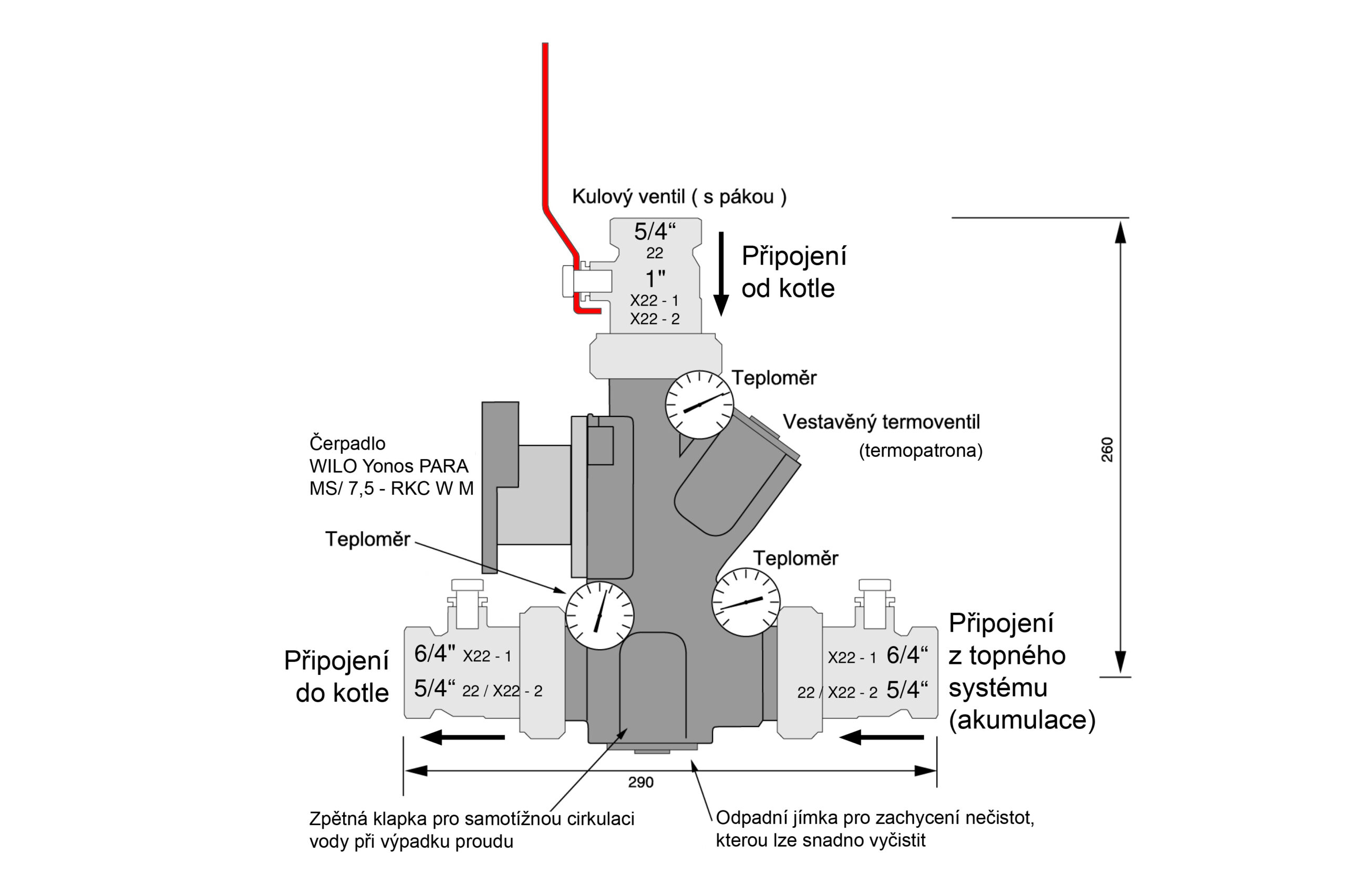
Svou konstrukcí s masivním litinovým tělem nahrazuje klasické zapojení z jednotlivých hydraulických armatur pro kotlový okruh (termoregulační ventil, čerpadlo, zpětná klapka, kulové ventily, teploměry, šroubení a izolace). Laddomat 22 lze použít pro kotle o výkonu od 15 do 100 kW. Laddomat 22 je dodáván s termopatronou 78 °C a s náhradní termopatronou 72 °C umístěnou v polystyrenové izolaci. Termopatronu 72 °C používáme pro kotle nad 32 kW nebo pro systémy bez akumulační nádrže, kde není požadavek na vyšší provozní teplotu kotle. Zapojení kotle s Laddomatem 22 je podstatně snadnější, rychlejší a samotná instalace je jednodušší v porovnání s klasickým termoregulačním ventilem a dalšími potřebnými armaturami, proto vám ho můžeme jen doporučit.
Při zapojení kotle lze také k ochraně proti nízkoteplotní korozi použít termoregulační ventil TV 60 °C (65 °C) nebo třícestný mísící ventil řízený regulací se servopohonem, který bude udržovat teplotu vracející se vody do kotle min. 65 – 75 °C.
Laddomat 22 má za úkol:
- Ochránit kotel proti nízkoteplotní korozi
- Zajistit, aby kotel po zátopu rychle dosáhl provozní teploty.
- Nabíjet akumulační nádrže na vysokou teplotu s nízkou rychlostí proudění k dosažení optimálního rozvrstvení v nádrži.
- Po ukončení topení převést zbývající teplo z kotle do nádrže.
- Při přerušení dodávky el. proudu a zastavení oběhového čerpadla odvést částečně přebytečné teplo přes zpětnou klapku z kotle do nádrže nebo systému samotížným oběhem.
- Laddomat X22-3F – výška 281 mm, šířka 450 mm
| Provozní údaje | |
| Maximální provozní tlak | 0,25 MPa |
| Výpočtový přetlak | 0,25 MPa |
| Zkušební přetlak | 0,33 MPa |
| Nejvyšší pracovní teplota | 100 °C |
Správné připojení konektoru a nastavení čerpadla
Varianty Laddomatu 22
- Laddomat 22 – 3x 5/4″ vnitřní závit; doporučen pro kotle do 100 kW
- Laddomat X22-1 – 2x 6/4″ vnější závit; 1x 1″ vnější závit; doporučen pro kotle do 50 kW
- Laddomat X22-2 – 2x 5/4″ vnitřní závit; 1x 1″ vnější závit; doporučen pro kotle do 50 kW
- Laddomat X22-2 – 3x 5/4″ vnitřní závit; s magnetickým filtrem Slovarm K-508M-DN32; doporučen pro kotle do 70 kW
Objednací kód:
Laddomat 22 – P0227
Laddomat X22-1 – P0247
Laddomat X22-2 – P0262
Laddomat X22-3F – P0273






