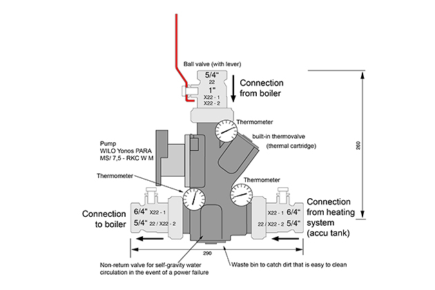
With its construction with a massive cast iron body, it replaces the classic connection of individual hydraulic fittings for the boiler circuit (thermoregulation valve, pump, non-return valve, ball valves, thermometers, fittings and insulation). Laddomat 22 can be used for boilers with output from 15 to 100 kW. The Laddomat 22 is supplied with a 78 °C thermocartridge and a spare 72 °C thermocartridge placed in polystyrene insulation. We use the 72 °C thermal cartridge for boilers over 32 kW or for systems without an accumulation tank, where there is no requirement for a higher operating temperature of the boiler. Connecting with Laddomat 22 is much easier and therefore we can only recommend it.
When connecting the boiler, a thermoregulation valve TV 60 °C (65 °C) or a three-way mixing valve controlled by regulation with a servo drive can also be used to protect against low-temperature corrosion, which will maintain the temperature of the water returning to the boiler min. 65 – 75 °C.
Laddomat 22 has the task of:
- Ensure that the boiler reaches operating temperature quickly after ignition
- Charge storage tanks to high temperature with low flow rate to achieve optimal stratification in the tank
- After heating, transfer the remaining heat from the boiler to the tank
- In the event of an interruption in the supply of electricity. Flow and stopping the circulation pump to partially remove excess heat through the non-return valve from the boiler to the tank or system by gravity circulation.
| Operational data | |
| Maximum operating pressure | 0,25 MPa |
| Calculated overpressure | 0,25 MPa |
| Test overpressure | 0,33 MPa |
| Highest working temperature | 100 °C |
Correct connector connection and pump settings
Variants of Laddomat 22
- Laddomat X22
- Laddomat X22-1
- Laddomat X22-2 –





