Nowa regulacja ekwitermiczna ATMOS ACD 03 i ACD 04 z ekranem dotykowym
Regulacja ekwitermiczna ATMOS ACD 03 i 04 to nowy element sterujący z dotykowym kolorowym wyświetlaczem umożliwiający łatwe sterowanie kotłem i systemem grzewczym w intuicyjny sposób zgodnie z
najnowsze trendy.
Sterownik ACD 03 przeznaczony jest do dodatkowej zabudowy w panelu kotła.
Sterownik ACD 04 jest wbudowany w kocioł bezpośrednio z fabryki.
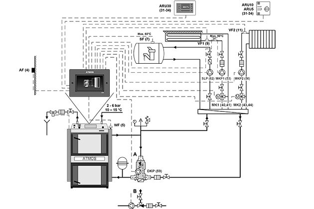
Kontroler może sterować:
1. ogrzewanie trzech obiegów grzewczych (np. dwa obiegi grzejnikowe klasyczne + jeden obieg ogrzewania podłogowego) według wymaganej temperatury pokojowej, temperatury zewnętrznej (krzywe ekwitermiczne) oraz w zależności od czasu za pomocą trzech rodzajów zadajników pokojowych (czujników)
lub
jeden obieg kotłowy i dwa obiegi grzewcze – obieg kotłowy do utrzymywania minimalnej temperatury wody powrotnej do kotła 65°C z wykorzystaniem trójdrogowego zaworu mieszającego z siłownikiem i pompą oraz grzania dwóch obiegów grzewczych (np. grzejniki konwencjonalne lub ogrzewanie podłogowe) wg. do wymaganej temperatury pokojowej, temperatury zewnętrznej (krzywe ekwitermiczne) oraz w funkcji czasu za pomocą trzech typów zadajników pokojowych (czujników)
2. grzanie ciepłej wody użytkowej (CWU) do wymaganej temperatury (np. 55°C)
3. ogrzewanie słoneczne za pomocą kolektorów słonecznych
4. optymalne ładowanie i rozładowywanie zbiorników magazynowych zgodnie z wymaganiami klienta
5. automatyczne przełączanie pracy dwóch źródeł ciepła (kotłów) np. kotłów na drewno i gaz ziemny / na drewno i pelety
6. pełna eksploatacja kotła w oparciu o potrzeby instalacji grzewczej wraz z wentylatorem wyciągowym
Sterownik elektroniczny ATMOS ACD 03 dostarczany jest w komplecie z niezbędnymi czujnikami i listwą zaciskową do łatwego montażu w panelu kotła:
sterownik ekwitermiczny przeznaczony do kotłów z podajnikiem ręcznym (z czujnikiem spalin) ATMOS ACD 03 AGF – kod zamówieniowy S0106
sterownik ekwitermiczny przeznaczony do kotłów pelletowych (bez czujnika spalin) ATMOS ACD 03 – kod zamówieniowy S0103
W celu optymalnego i ekonomicznego ogrzewania budynku zalecamy zakup jednego z naszych zadajników pokojowych ARU5, ARU10 i ARU30 z ekranem dotykowym jako akcesorium (dla każdego obiegu grzewczego) w celu lepszej regulacji systemu grzewczego. W przypadku stosowania regulacji do ogrzewania solarnego należy dokupić czujnik do solaru FF00–75P65 (-20 – 300 °C) oraz drugi czujnik KTF20.




