Nová ekvitermní regulace ATMOS ACD 03 a ACD 04 s dotykovým displejem
Ekvitermní regulace ATMOS ACD 03 a 04 je novým regulačním prvkem s dotykovým barevným displejem umožňující snadné ovládání kotle a topného systému intuitivním způsobem podle
nejmodernějších trendů.
Regulace ACD 03 je určena k dodatečné instalaci do panelu kotle.
Regulace ACD 04 je zabudována do kotle přímo z výroby.
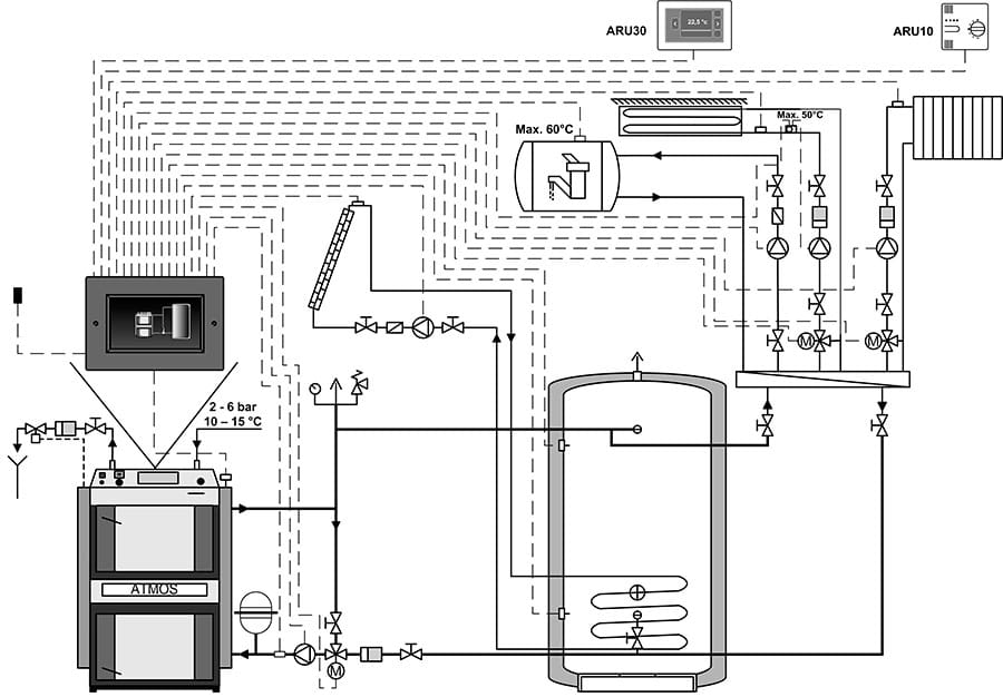
Regulátor je schopen řídit následující:
1. vytápění tří topných okruhů (např. dva okruhy klasické radiátory + jeden okruh podlahové vytápění) podle požadované teploty v místnosti, venkovní teploty (ekvitermní křivky) a v závislosti na čase pomocí tří typů pokojových jednotek (čidel)
nebo
jeden kotlový okruh a dva topné okruhy – kotlový okruh pro dodržení minimální teploty vratné vody do kotle 65 °C, pomocí trojcestného mísícího ventilu se servopohonem a čerpadlem a vytápění dvou topných okruhů (např. klasické radiátory nebo podlahové vytápění) podle požadované teploty v místnosti, venkovní teploty (ekvitermní křivky) a v závislosti na čase pomocí tří typů pokojových jednotek (čidel)
2. ohřev teplé užitkové vody (TUV) na požadovanou teplotu (např. 55 °C)
3. solární ohřev přes sluneční kolektory
4. optimální nabíjení a vybíjení akumulačních nádrží dle požadavků zákazníka
5. automatické přepínání provozu dvou zdrojů tepla (kotlů), např. kotle na dřevo a zemní plyn / dřevo a pelety
6. kompletní provoz kotle na základě potřeb topného systému včetně odtahového ventilátoru
Elektronická regulace ATMOS ACD 03 je dodávána jako sada včetně potřebných čidel a připojovací svorkovnice pro snadnou montáž do panelu kotle:
sada ekvitermní regulace určená pro kotle s ručním přikládáním (s čidlem spalin) ATMOS ACD 03 AGF – obj. kód S0106
sada ekvitermní regulace určená pro kotle na pelety (bez čidla spalin) ATMOS ACD 03 – obj. kód S0103
Pro optimální a úsporné vytápění vašeho objektu vám doporučujeme dokoupit jako příslušenství, (pro každý topný okruh) jednu z našich pokojových jednotek ARU5, ARU10 a ARU30 s dotykovým displejem pro lepší možnost zregulovat topný systém. V případě využití regulace pro solární ohřev je nutné dokoupit čidlo pro solár FF00–75P65 (-20 – 300 °C) a další čidlo KTF20.




