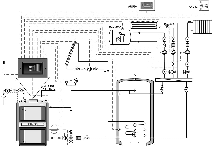
ARU 5
– пассивный датчик комнатной температуры. Используется для измерения комнатной температуры, чтобы система электронного регулирования могла оптимизировать нагрев (температуру воды) для данного отопительного контура. Настенный модуль должен быть размещён на высоте примерно 1,2 — 1,5 м в нейтральном месте, т. е. в контрольном месте для всех помещений (отопительного контура). Рекомендуется разместить у одной внутренних перегородок самой холодной комнаты дневного пребывания.

