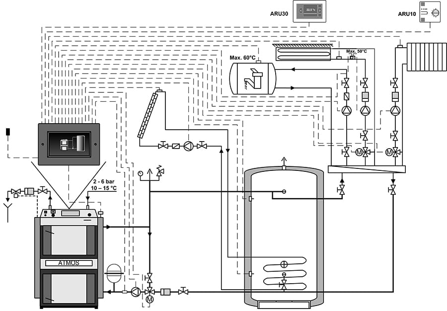
ARU 5
– jest pasywnym czujnikiem temperatury pokojowej. Służy do pomiaru temperatury w pomieszczeniu, aby sterowanie elektroniczne mogło zoptymalizować ogrzewanie (temperaturę wody) dla danego obiegu grzewczego. Meblościankę należy ustawić na wysokości ok. 1,2 do 1,5 mw neutralnym miejscu tj. do punktu odniesienia dla wszystkich pomieszczeń (obieg grzewczy). Do umieszczenia wskazane jest wybranie jednej z wewnętrznych przegród najzimniejszego pomieszczenia w ciągu dnia.

