Logo
  • Техническая информация

DC50S с модификацией

Автоматический пеллетный котел
(Дровяной газификационный котел с регулировкой пеллетной горелки в верхней дверце)

  • Мощность котла 13,5 - 45 кВт

  • КПД котла 90,4 %

  • Класс эмиссии 5 (Ekodesign)

Газификационные котлы ATMOS с модификацией для горелки — это современное решение, при котором в верхнюю дверцу стандартного газификационного котла мы встраиваем пеллетную горелку ATMOS A25/A45.
Таким образом, мы создаём пеллетный котел под индивидуальный заказ с автоматическим розжигом топлива.

Преимущества встраивания горелки в стандартный котёл

  • Простое и доступное решение
  • Возможность комфортного отопления пеллетами без ручной загрузки — автоматическая работа с автоматическим розжигом пеллет в соответствии с требуемой температурой (как у газового котла).
  • Малые габариты и различная длина конвейеров в зависимости от размера и возможностей котельной.
  • Различные размеры бункеров для пеллет — 240, 250, 300, 400, 500, 1000 л / текстильный бункер, часть котельной как бункер = пополнение топлива один раз в 7 и 14 дней / один раз в год.
  • Высокий КПД от 90 до 92 % в зависимости от типа – низкий расход топлива и экономия на затратах на отопление.
  • Экологически чистое сжигание – котел согласно ČSN EN 303-5 класса 5, соответствующий европейской директиве по ЭКОДИЗАЙНУ 2015/1189.
  • Вытяжной вентилятор – для худших условий тяги — беспыльное удаление золы один раз в 7–30 дней.
  • Охлаждающий змеевик против перегрева = без риска повреждения котла.
  • Автоматическое отключение котла после сгорания топлива.
  • Пневматическая очистка горелки — возможность дополнить котел автоматической очисткой горелки, что позволяет сжигать пеллеты более низкого качества — дополнительный аксессуар.
  • Пневматическая подача пеллет — бункер для пеллет можно дополнить пневматической подачей пеллет из внешнего большого бункера на весь сезон — дополнительный аксессуар.

Модифицированные котлы оснащены на заводе-производителе всеми необходимыми аксессуарами для простого управления котлом (горелкой) в соответствии с потребностями заказчика, а также двумя датчиками температуры на буферном баке TV и TS.

(Начиная с серийного номера котла 327 700 и далее, котлы оснащены следующим: 2x модуль AD03, переключающий выключатель, датчик температуры котла TK (KTF 20), датчики TV и TS (2x KTF20 — 5 м), термостатом для насоса 70 °C, выходом для насоса в котловом контуре).

Горелку для пеллет ATMOS A25 можно применить для всех газификационных котлов с мощностью до 40 кВт (кроме DC50S — 45 кВт с горелкой ATMOS A45), оснащённых вытяжным вентилятором (кроме моделей серии DCxxGD, DCxxGS, DCxxGSX).

Бункер для пеллет и тип транспортёра выберем в зависимости от размера котельной и тепловых потерь здания.

Стандартно в этом варианте производятся следующие модели:

Название котла Мощность на первоначальное топливо — ДРОВА (кВт) Мощность — пеллеты (кВт)
DC18S с модификацией для горелки 20 6 — 20
DC22S с модификацией для горелки 22 7 — 24
DC25S с модификацией для горелки 27 7 — 24
DC30SX с модификацией для горелки 30 7 — 24
DC32S с модификацией для горелки 35 7 — 24
DC50S с модификацией для горелки* 49,9 13,5 — 45

*для этой модели предназначена горелка ATMOS A45

 

Название котла Мощность на первоначальное топливо — УГОЛЬ (кВт) Мощность — пеллеты (кВт)
C15S с модификацией для горелки 16 3 — 12
C18S с модификацией для горелки 20 6 — 20
C25ST с модификацией для горелки 25 7 — 24
C32ST с модификацией для горелки 32 7 — 24
AC25S с модификацией для горелки 26 6 — 20

 

Корпус котлов изготовлен как сварная конструкция из высококачественных стальных листов толщиной 3 – 8 мм и состоит из следующих частей:

  • Верхняя камера (6 мм) оснащена дверцой с отверстием для пеллетной горелки.
  • Нижний отсек оснащён газификационной форсункой (DCxxS(SX)) или поворотным чугунным колосником (CxxS(ST), ACxxS) для простого золоудаления. Керамическая футеровка способствует идеальному сгоранию всех горючих веществ с высоким КПД для обеспечения экологически чистого сжигания, а также служит в качестве зольника.

 

Техническая информация

Техническая информация Тип котла с модификацией
  DC18S DC22S DC25S DC30SX DC32S DC50S C15S C18S C25ST C32ST AC25S
Производительность котла на древесных пеллетах кВт 6 — 20 7 — 24 7 — 24 7 — 24 7 — 24 13,5 — 45 3 — 12 6 — 20 7 — 24 7 — 24 4 — 20
Производительность котла на исходном топливе кВт 20 22 27 30 35 49 16 20 25 32 25
Предписанная тяга дымовой трубы Па/мбар 18/0,18 23/0,23 23/0,23 24/0,24 25/0,25 25/0,25 16/0,16 20/0,20 23/0,23 25/0,25 20/0,20
Вес котла кг 283 324 326 335 345 433 276 298 379 415 297
Объём воды в котле л 45 58 58 58 80 89 37 45 68 74 45
Объём бункера дм3 (л) 60 95 95 95 135 180 45 60 90 110 60
Напряжение питания В/Гц 230/50 230/50 230/50 230/50 230/50 230/50 230/50 230/50 230/50 230/50 230/50
Предписанная длина дров мм 330 530 530 530 530 730 250 330 330 430 330
Оригинальное топливо дров дров дров дров дров дров уголь (дров) уголь (дров) уголь (дров) уголь (дров) уголь (дров)
Предписанное топливо (предпочтительно) качественные пеллеты диаметром 6 — 8 мм, длиной 5 — 25 мм  и с теплотворностью 16 — 19 МДж.кг-1 (белые пеллеты)
Минимальная температура обратной воды °C 65
КПД % 91,5 91,2 91,2 91,2 91,8 90,4 90,1 91,5 91,1 92,4 91,5
Класс котла согласно ČSN EN 303-5 5 5 5 5 5 5 5 5 5 5 5
Класс энергоэффективности A+ A+ A+ A+ A+ A+ A+ A+ A+ A+ A+
Экодизайн Да Да Да Да Да Да Да Да Да Да Да
Горелка A25 A25 A25 A25 A25 A45 A25 A25 A25 A25 A25

 

 

 

Установка

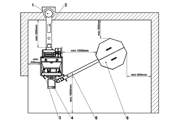
При установке горелки в верхнюю дверцу газификационного котла необходимо использовать конвейер длиной не менее 2 метров, чтобы длина шланга между конвейером и горелкой в ​​целях безопасности составляла не менее 20 см.
Однако оптимальная длина шланга составляет около 40 см, чтобы можно было легко открыть дверцу пеллетной горелки при чистке камеры сгорания.

Doporučené zapojení

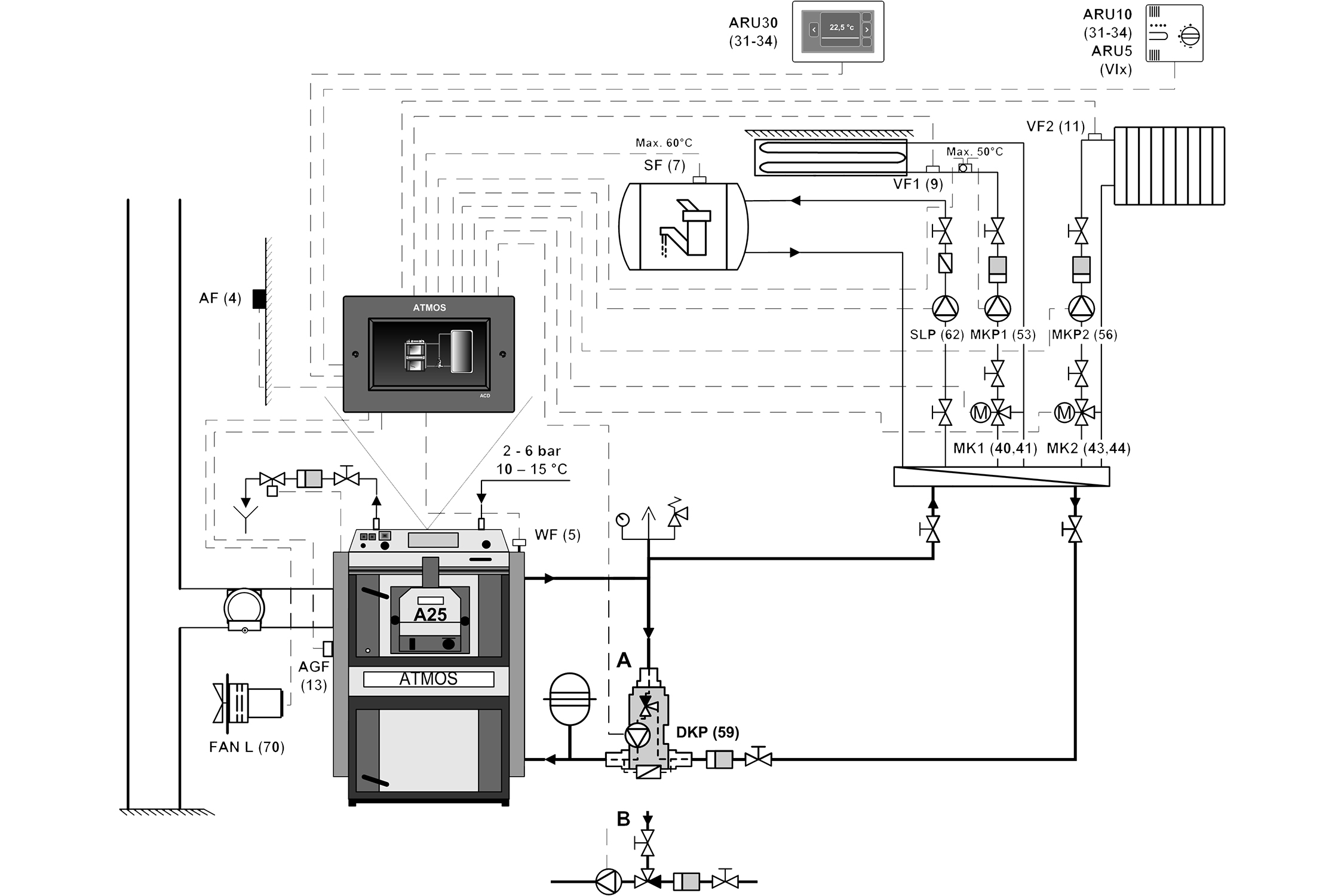
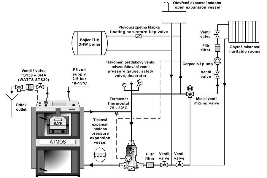
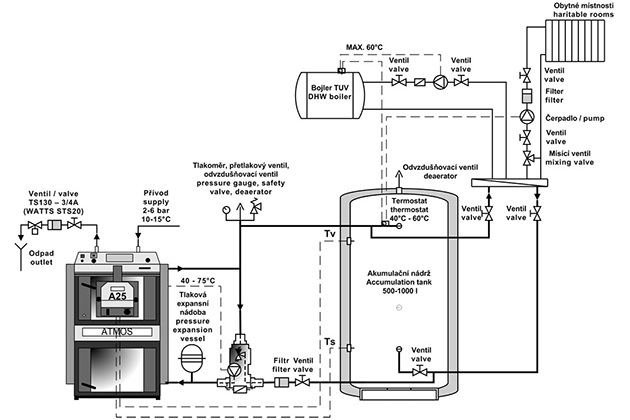
Рекомендуемое подключение котла – подключение с помощью Laddomat 22 или терморегулирующего клапана и буферной емкости объемом 500 или 1000 л для достижения низкого расхода топлива и длительного срока службы горелки и котла. Для дополнительной экономии топлива (до 20%) и правильной загрузки буферного бака используйте специально разработанный регулятор ATMOS ACD 03 или датчики TV и TS, которые предназначены для специальных функций горелки ATMOS A25 и расположены на Буферная (накопительная) емкость. Блок управления контролирует нагрев уравнительного (аккумулирующего) бака полностью автоматически и гарантирует, что энергии для системы отопления всегда будет достаточно. Такой способ подключения позволит сэкономить топливо, электроэнергию и увеличить срок службы пеллетной горелки.

Котлы с модификациями горелок с 1 марта 2017 года комплектуются на заводе двумя модулями АД03, тумблером, датчиком температуры котла ТК (КТФ 20), термостатом насоса 70°С и розеткой с разъемом насоса в контуре котла. .
Датчик TK вставлен в поддон котла (с завода), датчики TV и TS (аксессуары для котлов с 1 марта 2019 г.) в поддоне, все соединены вместе непосредственно с разъемом горелки. Модули (2x AD03) вставляются под колпак котла и подключаются к клеммной колодке котла. Оба модуля AD03 управляют вытяжным вентилятором котла и насосом в контуре котла.
В котлах 2016 года выпуска имеется только один модуль AD02 для управления вытяжным вентилятором.

Газификационные котлы ATMOS с модификацией под пеллетную горелку A25/A45 можно заказать прямо с завода в левом или правом исполнении. Регулировка возможна только для котлов, оснащенных вытяжным вентилятором мощностью до 40/50 кВт (кроме типов DCxxGS, DCxxGD). Если вы хотите встроить горелку в уже установленный котел АТМОS, можно заказать специальный комплект для ее переоборудования. Комплект состоит из полностью модифицированной двери, специальной проводки и аксессуаров из 23 предметов.

Котлы модификации МОДЕЛЬ с 2017 года комплектуются (с заводского номера котла 327 700): 2х модулем AD03 для управления вытяжным вентилятором котла и насосом в контуре котла, тумблером, датчиком температуры котла TK (KTF 20), датчиками TV и TS ( 2x KTF20 — 5 м) для управления работой по двум температурам на уравнительном (аккумулирующем) баке, термостат насоса 70 °С, выход для насоса в контуре котла.

Комплект для встраивания пеллетной горелки в верхнюю дверь

  • с правым открытием — горелка A25 — код: S0532 — старый дизайн с AD02
  • с левым открытием — горелка A25 — код: S0533 — старый дизайн с AD02
     
  • с правым открытием — горелка A25 — код: S1222 — Модель 2017-2020 гг.
  • с левым открытием — горелка A25 — код: S1223 — Модель 2017-2020 гг.
  • с правым открытием — горелка A45 —  код: S0624 — старый дизайн с AD02
  • с левым открытием — горелка A45 — код: S0625 — старый дизайн с AD02
     
  • с правым открытием — горелка A45 —  код: S1224 — Модель 2017-2020 гг.
  • с левым открытием — горелка A45 — код: S1225 — Модель 2017-2020 гг.

 

 

Горелки

Пеллетная горелка ATMOS A25

Предписанное топливо: качественные древесные пеллеты (белые) диаметром 6 — 8 мм, длиной 5 — 25 мм и с теплотворностью 16 — 19 МДж.кг-1.

Дисплей горелки: используется для отображения текущего состояния горелки и настройки её работы

Управление горелкой: электронный регулятор AC07X, который управляет работой внешнего транспортёра, двух спиралей розжига и вентилятора в зависимости от требований котла и системы отопления. Электроника защищена предохранительным термостатом котла, предохранительным термостатом на входе пеллет в горелку, датчиком скорости вращения вентилятора и фотоэлементом для определения наличия пламени. Работа горелки отображается на дисплее электронного регулятора.

Розжиг топлива: автоматический с помощью двух электрических спиралей розжига.

Основные функции горелки:
Резервные выходы R и R2 для управления вытяжным вентилятором котла и насоса в котловом контуре (подключено на заводе-производителе)
Можно подключить четырёх разных датчиков TS, TV, TK и TSV
TK — датчик температуры котла (подключено на заводе-производителе)
TSV — датчик температуры дымовых газов (подключено на заводе-производителе)
TS — датчик нижней температуры в баке
TV — датчик верхней температуры в баке

  • система управления вентилятором котла от горелки с помощью резервного выхода (R) (подключено на заводе-производителе)
  • система управления насосом котла от горелки с помощью резервного выхода (R2) (подключено на заводе-производителе)
  • система управления горелкой по двум температурам в буферном баке

Дозировка топлива: для котлов DxxP предназначены специальные шнековые транспортёры DA1500 — 4000

 

 

Пеллетная горелка ATMOS A45

Предписанное топливо: качественные древесные пеллеты (белые) диаметром 6 — 8 мм, длиной 5 — 25 мм и с теплотворностью 16 — 19 МДж.кг-1.

Дисплей горелки: используется для отображения текущего состояния горелки и настройки её работы

Управление горелкой: электронный регулятор AC07X, который управляет работой внешнего транспортёра, двух спиралей розжига и вентилятора в зависимости от требований котла и системы отопления. Электроника защищена предохранительным термостатом котла, предохранительным термостатом на входе пеллет в горелку, датчиком скорости вращения вентилятора и фотоэлементом для определения наличия пламени. Работа горелки отображается на дисплее электронного регулятора.

Розжиг топлива: автоматический с помощью двух электрических спиралей розжига.

Основные функции горелки:
Резервные выходы R и R2 для управления вытяжным вентилятором котла и насоса в котловом контуре (подключено на заводе-производителе)

Можно подключить четырёх разных датчиков TS, TV, TK и TSV
TK — датчик температуры котла (подключено на заводе-производителе)
TSV — датчик температуры дымовых газов (подключено на заводе-производителе)
TS — датчик нижней температуры в баке
TV — датчик верхней температуры в баке

  • система управления вентилятором котла от горелки с помощью резервного выхода (R) (подключено на заводе-производителе)
  • система управления насосом котла от горелки с помощью резервного выхода (R2) (подключено на заводе-производителе)
  • система управления горелкой по двум температурам в буферном баке

Дозировка топлива: для котлов DxxP предназначены специальные шнековые транспортёры типа DRA