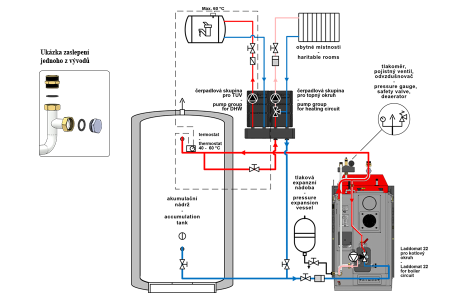
Комплект подключения ATMOS F12 Laddomat
Профессиональный комплект подключения из нержавеющей стали, состоящий из труб диаметром 35 x 1,5 мм, предназначен для поддержания минимальной температуры обратной воды, поступающей в котёл, и быстрого подключения котла с помощью двух резьбовых соединений 6/4” с плоской прокладкой. Комплект подключения включает в себя все необходимые компоненты, предусмотренные производителем (предохранительный клапан на 2,5 бар, воздуховыпускной клапан, манометр, Laddomat 22 и неподключённую отдельную насосную группу типа ESBE GRA211 с трёхходовым клапаном с ручным управлением и насосом. Комплект подключения готов для подключения котла непосредственно к системе отопления или для соединения котла с аккумулирующими баками.
В случае более крупной системы отопления комплект подключения позволяет расширить систему до двух или трёх отопительных контуров путём приобретения специального коллектора и необходимой насосной группы.
Данный комплект содержит четыре трубы различной длины для установки на различные типы котлов ATMOS.
Для получения дополнительной информации нажмите


