Caldaia automatica a pellet
(apparecchiatura completa con bruciatore, contenitore incorporato e trasportatore di pellet)
- Installazione
- Regolazione delle caldaie
- Aggiunta di carburante
- Pulizia della caldaia
- Dati tecnici
- Bruciatore a pellet
-
Le caldaie sono predisposte per la combustione di pellet a controllo elettronico con accensione automatica del combustibile. Il bruciatore a pellet è integrato nella parte anteriore della caldaia nella porta della camera di combustione inferiore. Questa camera è rivestita con raccordi in ceramica per una combustione ideale della fiamma con un’elevata efficienza e funge anche da spazio per la cenere. Nella parte posteriore della caldaia è presente uno scambiatore di calore tubolare dotato di freni a segmenti con funzione di pulizia grossolana (operativa) senza la necessità di rimuoverli.
Il corpo delle caldaie è costituito da una parte saldata di lamiere di acciaio con uno spessore di 3 – 5 mm. Isolati termicamente dall’esterno con feltro minerale e isolante Sibral, inseriti sotto le coperture in lamiera del mantello esterno delle caldaie. Nella parte superiore si trova un serbatoio del combustibile, dal quale i pellet vengono trasportati al bruciatore tramite un trasportatore a coclea. Il dosaggio del carburante è controllato in modo completamente automatico. Nella parte anteriore delle caldaie è presente un pannello con interruttore generale, interruttore bruciatore a pellet (L2) per la pulizia, termostato di funzionamento (regolazione caldaia), termostato di sicurezza, termometro e fusibile da 6,3 A. Le caldaie DxxPX sono dotate di aspiratore (eccetto D10PX). La caldaia non è dotata di circuito di raffreddamento contro il surriscaldamento, perché a causa della piccola quantità di combustibile nel bruciatore, non c’è pericolo che la caldaia si surriscaldi in caso di mancanza di corrente.
Vantaggi delle speciali caldaie compatte ATMOS di nuovo design
- Dimensioni ridotte – design compatto per piccole centrali termiche – larghezza della caldaia solo 594 mm – D10PX, solo 674 mm – D15PX, D20PX, D25PX.
- Tutto in uno – caldaia, coclea e bruciatore speciale e serbatoio pellet per 1-3 giorni in un piccolo spazio.
- Grande comfort di riscaldamento – funzionamento automatico con accensione automatica del pellet in base alla temperatura richiesta (come con una caldaia a gas).
- Funzionamento semplice – possibilità di scelta della regolazione della caldaia – semplice elettromeccanica / equitermico con display touch
- Scambiatore di calore tubolare con possibilità di pulizia operativa
- Controllo remoto – possibilità di accensione della caldaia con un semplice termostato ambiente o controllo tramite telefono cellulare o computer utilizzando la regolazione equitermico ATMOS ACD 03 e il gateway WIFI WG1000
- Alta efficienza dal 91 al 93 % a seconda del tipo – basso consumo di carburante. Combustione ecologica – caldaia secondo la norma ČSN EN 303-5 classe 5, conforme alla direttiva europea di ECODESIGN 2015/1189.
- Pulizia facile – rimozione della cenere solo dalla parte anteriore – un unico punto di rimozione per tutto – scambiatore di calore a tubi con meccanismo di pulizia, senza la necessità di smontare l’intera caldaia e rimuovere la ceramica dalla caldaia (“niente lego”).
- Ventilatore di scarico (tranne D10PX) – per condizioni di tiraggio peggiori – rimozione della cenere senza polvere una volta ogni 7-30 giorni.
- Pulizia pneumatica del bruciatore – possibilità di dotare la caldaia di un sistema automatico di pulizia del bruciatore, che consente di bruciare pellet di qualità inferiore – accessorio opzionale.
- Trasporto pneumatico del pellet – la caldaia può essere integrata con un sistema di trasporto pneumatico del pellet da un grande serbatoio esterno per tutta la stagione – accessorio opzionale.
- Funzioni speciali della caldaia – protezione della caldaia contro la bassa temperatura dei fumi (durata del camino), protezione contro lo svuotamento completo del trasportatore di alimentazione.
- Estensioni del serbatoio pellet – ogni caldaia può essere integrata con un’estensione per aumentare il volume del serbatoio pellet (prolungamento del tempo di combustione senza ricarica).
- Pannello comandi e tubo di collegamento convogliatore
- Serbatoio pellet aperto con una capacità di 175 l
- Scambiatore di calore tubolare con freni
- Camera di combustione aperta con bruciatore ATMOS A25
- Camera di combustione con raccordi in ceramica
- Aspiratore (eccetto D10PX) e scarico fumi
Installazione
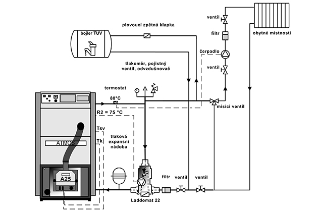
Le caldaie a gassificazione di legna ATMOS devono essere collegate con LADDOMAT 22 o con una valvola di termoregolazione (valvola a tre vie servocomandata in caso di utilizzo della centralina elettronica di regolazione ACD 03/04) per raggiungere la temperatura minima dell’acqua di ritorno alla caldaia di 65 °C. Maggiore è la temperatura dell’acqua di ritorno alla caldaia, minore sarà la condensa di catrame e acidi che danneggiano il corpo caldaia.
Manteniamo la temperatura di uscita della caldaia nell’intervallo 80 – 90 °C e impostiamo la temperatura dell’acqua verso i radiatori o il riscaldamento a pavimento sulla valvola miscelatrice a tre vie secondo necessità (ad esempio 30 – 80 °C).
Altra variante è il collegamento di una caldaia con valvola miscelatrice a tre vie e servoazionamento comandato dalla regolazione (es. ACD 03, ACD 04) per mantenere la temperatura minima dell’acqua di ritorno alla caldaia (65 – 75 °C) .
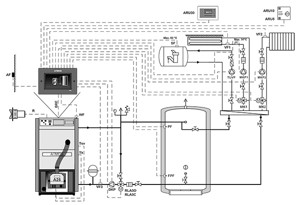
Si consiglia di collegare sempre le caldaie D10PX, D15PX, D20PX e D25PX con un serbatoio di accumulo con un volume da 500 a 1000 L. Quando si collega una caldaia con un serbatoio di accumulo (accumulo), la regolazione della caldaia è ottimale in base ai due sensori TS e TV situata sul serbatoio. Per controllare il bruciatore utilizzando due temperature sul serbatoio di equalizzazione (accumulo), è necessario dotare questo serbatoio di due sensori KTF 20 (sensori TV e TS).
- Laddomat 22
- Collegamento di una caldaia DxxPX con un serbatoio di accumulo
- Corretto collegamento della caldaia DxxPX con il serbatoio di accumulo e regolazione ACD03/04
- È possibile collegare una caldaia DxxPX con serbatoio di accumulo e comandare la pompa caldaia in funzione della temperatura caldaia (sonda TK) dal bruciatore A25
- Corretto collegamento della caldaia DxxPX con il serbatoio di accumulo e controllo del bruciatore tramite sonde TS e TV e controllo della pompa della caldaia in funzione della temperatura della caldaia (sonda TK) dal bruciatore A25
Regolazione delle caldaie
Le caldaie vengono consegnate ai consumatori con una regolazione di base delle prestazioni della caldaia che soddisfa i requisiti per il comfort e la sicurezza del riscaldamento. La regolazione garantisce la temperatura desiderata dell’acqua in uscita dalla caldaia (80 – 90 °C). Le caldaie sono dotate di connettore per il collegamento della pompa nel circuito caldaia e funzioni per il suo comando direttamente dal comando bruciatore ATMOS A25.
Le caldaie DxxPX sono dotate in fabbrica di sensori temperatura caldaia TK e temperatura fumi TSV. Sonda TK inserita nel pozzetto della caldaia, sonda fumi TSV integrata nella canna fumaria della caldaia, tutte collegate tra loro direttamente al connettore del bruciatore. Il bruciatore a pellet ATMOS A25 comanda direttamente l’aspiratore della caldaia (riserva R) e la pompa nel circuito della caldaia (riserva R2). L’uscita R2 è impostata di fabbrica in serie al termostato per la pompa nel circuito della caldaia TČ70 °C.
Con il collegamento consigliato della caldaia con un serbatoio di equalizzazione (accumulo), la caldaia viene controllata al meglio in base ai due sensori TS e TV posti sul serbatoio. In questo caso la commutazione delle pompe nel circuito dell’impianto non dipende dalla temperatura della caldaia, quindi le risolviamo in base alle potenziali esigenze dell’impianto.

Pannello di controllo della caldaia
Composizione del pannello:
Interruttore generale, termostato di sicurezza, termometro, termostato di regolazione e termostato prodotti di combustione
La regolazione elettromeccanica rappresenta una soluzione ottimale per il controllo del funzionamento della caldaia (ventilatore) in modo semplice.
Per tutte le caldaie in produzione viene usato, di serie, il pannello con la regolazione standard.
Regolazione in curva climatica ACD 03
Tutte le caldaie possono essere equipaggiate, in un secondo momento, con la moderna centralina elettronica di regolazione con touch screen ATMOS ACD 03 per il controllo dell’intero impianto di riscaldamento in funzione della temperatura esterna, della temperatura ambiente e degli orari. La centralina è in grado di controllare la caldaia stessa con il ventilatore, nonché molte altre funzioni.

Pannello di controllo della caldaia con regolazione in curva climatica ATMOS ACD 03
Aggiunta di carburante
La caldaia è dotata di un serbatoio del combustibile integrato, che deve essere rabboccato ogni 1 – 3 giorni.
Se sul display del bruciatore compare il messaggio di allarme ALLARME PELLET – RIEMPIRE PELLET, è necessario aggiungere pellet al serbatoio del combustibile. Aprire il coperchio del serbatoio nella parte superiore della caldaia e aggiungere i pellet. Dopo aver rifornito i pellet, non è necessario pompare i pellet nel nastro trasportatore! La caldaia è dotata di una funzione speciale contro il suo completo svuotamento.
Se l’intervallo di rifornimento è troppo breve per le proprie esigenze, è possibile acquistare una prolunga serbatoio alta 200 mm per la caldaia (45 l per D10PX – codice: S1343) (65 l per D15PX e D20PX – codice: S1233) (90 l per D25PX – codice: S1315) o 300 mm (68 l per D10PX – codice: S1344) (95 l per D15PX e D20PX – codice: S1234) (135 l per D25PX – codice: S1316). Le estensioni possono essere impilate una sopra l’altra. Tuttavia, è necessario acquistare passaggi aggiuntivi per la caldaia per un comodo rifornimento di carburante in conformità con tutte le norme di sicurezza valide.
Tuttavia, la soluzione ideale è integrare la caldaia con il trasporto pneumatico del pellet ATMOS APS 150 SPX (D10PX) / ATMOS APS 250 SPX (D15PX e D20PX) / ATMOS APS 250 SPX2 (D25PX) per un comodo rifornimento automatico da qualsiasi serbatoio, ad es. tutta la stagione (silo tessile, stanza separata).
- Illustrazione della ricarica standard di pellet da sacchi da 15 kg
- Caldaie con trasporto pneumatico del pellet ATMOS APS 250 SPX
- Modulo d’estensione per caldaie DxxPX
- Caldaia DxxPX con modulo d’estensione del contenitore di 300 mm
- Locale caldaia con caldaia DxxPX e serbatoio con aspirazione pellet multipunto mediante trasporto pneumatico ATMOS APS 250 SPX(2)
Pulizia della caldaia
La caldaia e il bruciatore devono essere puliti regolarmente e accuratamente una volta ogni 5 – 14 giorni, a seconda della qualità del pellet e della potenza impostata.
Nelle caldaie deve essere usato esclusivamente pellet bianco di legno tenero senza corteccia, di qualità, dal diametro 6 – 8 mm, lunghezza 10 – 40 mm e potere calorifico 15 – 18 MJ/kg-1. La caldaia non è indicata per pellet che forma scorie all’interno della camera del bruciatore. In tale caso, la camera del bruciatore va pulita una volta al giorno; in alternativa, il bruciatore a pellet ATMOS A25 deve essere dotato di pulizia pneumatica della camera del bruciatore. Questo tipo di pulizia potrebbe essere particolarmente apprezzato da chi usa pellet di qualità inferiore che forma delle scorie.
Estrazione ceneri comoda – facile pulizia solo dalla parte anteriore. Togliamo la cenere da tutta la camera di combustione utilizzando un posacenere semicircolare (accessorio caldaia). Inserire il posacenere nella caldaia fino in fondo, spingere la cenere contro la parete posteriore e ammucchiare la cenere nel posacenere ed estrarlo. Non lasciamo mai un posacenere nella caldaia!
Le caldaie DxxPX dispongono della funzione di pulizia operativa dello scambiatore a tubi. Per la pulizia operativa dello scambiatore a tubi e dei turbolatori viene usata la maniglia sul tappo di pulizia sul retro della caldaia, nascosta dietro il mantello. Tirando e rilasciando ripetutamente la maniglia, i ceneri volanti vengono rimossi sia dai turbolatori che dalle pareti del tubo scambio.
- Un’illustrazione della rimozione della cenere utilizzando un posacenere
- Illustrazione della pulizia di uno scambiatore a tubi funzionante
Dati tecnici

| Legenda al disegno della caldaia | |||
| 1. | Corpo caldaia | 16. | Interruttore generale (rosso) |
| 2. | Porta di pulizia | 17. | Termostato di regolazione (della caldaia) |
| 3. | Bruciatore a pellet ATMOS A25 | 18. | Interruttore del bruciatore (nero) |
| 4. | Quadro comandi | 19. | Termostato di sicurezza |
| 5. | Trasportatore a coclea | 20. | Fusibile T6,3A/1500 – tipo H |
| 6. | Pannello portello – Sibral grande con foro per bruciatore | 21. | Copertura del coperchio di pulizia |
| 7. | Guarnizione sportello – cordone 18 x 18 mm | 22. | Ventilatore – scarico (tranne D10PX) |
| 8. | Foca | 23. | Condensatore per ventilatore di tiraggio – 1μF |
| 9. | Isolamento sotto il bruciatore | 24. | Tappo pulizia canale posteriore |
| 10. | Serbatoio di carburante 65 l (D10PX) / 175 l (D15PX, D20PX) / 215 l (D25PX) | 25. | Coperchio del serbatoio |
| 11. | Scambiatore di calore a tubi | 26. | Tubo di collegamento al bruciatore – Ø 65 mm – lunghezza 550 mm (D15PX, D20PX, D25PX) – lunghezza 480 mm (D10PX) |
| 12. | Freno con asta di pulizia e maniglia | K | – collo canna fumaria |
| 13. | Profilato laterizio refrattario – fondo braciere + frontale posteriore vano sferico per D10PX | L | – uscita acqua dalla caldaia |
| 14. | Profilato laterizio refrattario – apertura | M | – entrata acqua nella caldaia |
| 15. | Termometro | N | – manicotto per il rubinetto di carico |
| Dimensioni caldaia (mm) | Tipo di caldaia | |||
| D10PX | D15PX | D20PX | D25PX | |
| A | 1221 | 1411 | 1411 | 1411 |
| B1 | 995 | 1145 | 1145 | 1345 |
| B2 | 1150 | 1447 | 1447 | 1647 |
| C | 594 | 674 | 674 | 674 |
| D | 1012 | 1213 | 1213 | 1213 |
| E | 128/130 | 150/152 | 150/152 | 150/152 |
| G | 140 | 140 | 140 | 140 |
| H | 950 | 1150 | 1150 | 1150 |
| CH | 166 | 166 | 166 | 166 |
| I | 180 | 180 | 180 | 180 |
| J | 6/4″ | 6/4” | 6/4” | 6/4” |
| Dati tecnici | Tipo di caldaia | ||||
| D10PX | D15PX | D20PX | D25PX | ||
| Potenza termica della caldaia | kW | 3 – 10 | 4,5 – 15 | 4,5 – 20 | 4,5 – 24 |
| Apporto termico della caldaia | kW | 3,2 – 10,9 | 4,8 – 16,3 | 4,8 – 21,9 | 4,8 – 26,2 |
| Superficie di riscaldamento | m2 | 1,5 | 1,9 | 1,9 | 2,2 |
| Capienza pozzetto combustibile | dm3 (l) | 65 | 175 | 175 | 215 |
| Dimensione apertura di caricamento | mm | 542 x 480 | 542 x 480 | 542 x 480 | 542 x 480 |
| Tiraggio raccomandato di canna fumaria | Pa/mbar | 13 / 0,13 | 15 / 0,15 | 16 / 0,16 | 17 / 0,17 |
| Massima pressione idrica di lavoro | kPa/bar | 250 / 2,5 | 250 / 2,5 | 250 / 2,5 | 250 / 2,5 |
| Peso complessivo caldaia | kg | 287 | 345 | 345 | 418 |
| Diametro raccordo di tiraggio | mm | 128/130 | 150/152 | 150/152 | 150/152 |
| Copertura parte elettrica | IP | 20 | 20 | 20 | 20 |
| Ingresso elettrico – all’avvio – durante l’operazione |
W | 522/1042 42 |
572/1092 92 |
572/1092 92 |
572/1092 92 |
|
Efficienza della caldaia (diretta) |
% | 91,6 | 92,7 | 91,5 | 91,8 |
| Efficienza utile alla potenza nominale (ηn) | % | 85,8 | 84,0 | 83,4 | 83,8 |
| Classe caldaia | 5 | 5 | 5 | 5 | |
| Categoria della caldaia | 1 | ||||
| Modalità di lavoro | senza condensazione | ||||
| Caldaia a combustibile solido con unità di cogenerazione | NO | ||||
| Impianti combinati anche per il riscaldamento ACS | NO | ||||
| Classe di efficienza energetica | A+ | A+ | A+ | A+ | |
| Temperatura gas combusti alla potenza nominale (pellet) | °C | 117 | 118 | 142 | 145 |
| Temperatura fumi / tiraggio per il calcolo della via fumi (camino) | °C / Pa | 127 / 13 | 128 / 15 | 142 / 16 | 145 / 17 |
| Portata di massa gas combusti alla potenza nominale (pellet) | kg / s | 0,055 | 0,083 | 0,011 | 0,013 |
| Combustibile prescritto (preferito) | il pellet di qualità, diametro di 6 – 8 mm, lunghezza di 10 – 40 mm e potenza termica di 15 – 18 MJ.kg-1 (pellet bianco) | ||||
| Consumo medio combustibile alla potenza nominale (pellet) | kg | 2,3 | 3,6 | 4,5 | 5,4 |
| Volume acqua nella caldaia | l | 50 | 76 | 76 | 85 |
| Perdita idraulica della caldaia | mbar | 0,19 | 0,20 | 0,20 | 0,22 |
| Capienza minima serbatoio di compensazione | l | 300 | 500 | 500 | 500 |
| Tensione allacciamento | V/Hz | 230/50 | |||
La temperatura minima prescritta dell’acqua di ritorno durante il funzionamento è 65 °C.
La temperatura prescritta durante il funzionamento è 80 – 90 °C.
Bruciatore a pellet
Bruciatore a pellet ATMOS A25
per caldaie D10PX, D15PX, D20PX a D25PX
Combustibile prescritto: il pellet di qualità, diametro di 6 – 8 mm, lunghezza di 10 – 40 mm e potenza termica di 15 – 18 MJ.kg-1.
Display del bruciatore: serve per visualizzare lo stato attuale del bruciatore e per impostarne le funzioni.
Controllo del bruciatore: mediante la centralina elettronica di regolazione AC07X che controlla il funzionamento del trasportatore esterno, delle due spirali di accensione e del ventilatore in funzione delle richieste della caldaia e dell’impianto di riscaldamento. L’elettronica è protetta da: termostato di sicurezza della caldaia, termostato di sicurezza sull’alimentazione pellet al bruciatore, sensore giri ventilatore e fotocellula di rilevamento fiamma. Il funzionamento del bruciatore è segnalato sul display della centralina elettronica di regolazione.
Il bruciatore nella versione per caldaie DxxPX contiene inoltre il modulo di estensione AC07X-C – (R5, R6) per il controllo della pulizia pneumatica del bruciatore o altre possibili applicazioni.
Accensione del combustibile: automatica con due spirali di accensione elettriche.
Funzioni principali del bruciatore:
Uscite di riserva R e R2 per il controllo del ventilatore aspirante caldaia e della pompa nel circuito caldaia (collegate di fabbrica)
Possibilità di collegamento di quattro diversi sensori TS, TV, TK e TSV
TK – sensore temperatura caldaia (collegato di fabbrica)
TSV – sonda temperatura fumi (collegata di fabbrica)
TS – sensore inferiore temperatura serbatoio
TV – sensore superiore temperatura serbatoio
- controllo del ventilatore caldaia dal bruciatore con utilizzo dell’uscita di riserva (R) (collegato di fabbrica) (tranne D10PX)
- controllo della pompa caldaia dal bruciatore con utilizzo dell’uscita di riserva (R2) (collegato di fabbrica)
- controllo del bruciatore in funzione delle due temperature rilevate sul serbatoio di compensazione
Dosaggio del combustibile: per le caldaie DxxPX è previsto uno speciale convogliatore DRA25 integrato direttamente nella caldaia. Questo convogliatore è comandato dal controllo elettronico del bruciatore ed eroga il combustibile dal serbatoio al bruciatore.

















