Комбинированный котел на дровах и пеллетах
- Техническая информация
-
Преимущества котлов ATMOS
- возможность комбинации отдельных видов топлива — чередование топлива дрова + пеллеты без модификации котла
- высокий КПД на отдельных видах топлива — практически такой же, как у специальных пеллетных котлов (до 92,3 % при номинальной мощности)
- экономически выгодное решение — если сложить затраты на приобретение двух котлов, их подключение и дымоудаление (дымовая труба), то окажется, что один котёл, хотя и дороже, но экономически выгоднее
- малое занимаемое пространство — по сравнению с несколькими котлами
- одна дымовая труба и дымоход
- экологическая эксплуатация — котёл согласно ČSN EN 303-5 класса 5 и EKODESIGN 2015/1189
- субсидированный котёл
- можно выбрать дверцу левая/правая
- котёл оснащён функцией автоматического запуска горелки для пеллет после того, как догорят дрова
- DC18SP, DC25SP, DC30SPX, DC32SP
- DC40SPT
Монтаж
- Котёл DCxxSP с компактным бункером AZPD 240 R и пневматической системой подачи APS250S
- Котёл DCxxSP с компактным бункером AZPD 300 C объёмом 300 л. Этот бункер вмещает 195 кг пеллет.
- Котёл DCxxSP со стандартным бункером для пеллет объёмом 500 л. Этот бункер вмещает 325 кг пеллет.
- Котёл DCxxSP с аккумулирующими баками и эквитермическим регулятором ATMOS ACD 03
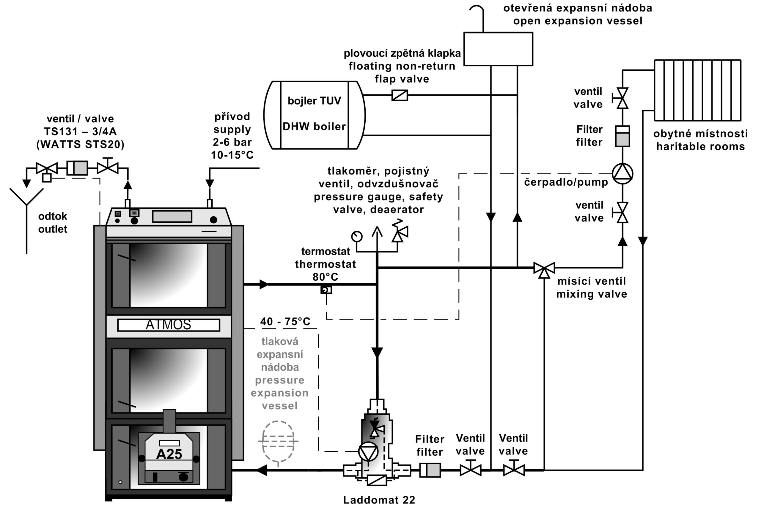
- Котёл DCxxSP с Laddomat 22
Рекомендуемый способ подключения — подключить котёл с Laddomat 22 или терморегулирующим клапаном к буферному баку объёмом 500-1000 л. Другой вариант — установка котла с аккумулирующими баками необходимого объёма (например, 2000 л), которые кроме прочего позволяют нагревать аккумулирующий бак с помощью электричества или посредством подключённых солнечных батарей.
Регулирование котлов
Работа котла полностью автоматически регулируется до необходимой температуры воды на выходе, чтобы обеспечить максимальный КПД котла и наилучшее качество сгорания. Для этого служит:
- Регулятор тяги HONEYWELL
- Котловой (управляющий) термостат
- Термостат дымовых газов
- Термостат насоса
- Главный выключатель и переключающий выключатель работы котла
С 2018 года котлы и горелки DCxxSP(X)(T) оснащаются функцией автоматического закрытия или открытия подачи воздуха в котёл/горелку, с помощью сервопривода, при отоплении дровами или пеллетами.
Котлы оснащены датчиком температуры дымовых газов AGF2 и датчиком температуры котловой воды KTF20, которые обеспечивают автоматический запуск горелки после того, как догорят дрова. Кроме того, котлы оснащены двумя датчиками (температуры воды и температуры дымовых газов) KTF20 для управления горелкой по двум температурам в аккумулирующем баке. Таким образом, весь комплект продаётся в максимальной комплектации, для полностью автоматического режима и простой установки типа «plug and play».
- Регулятор тяги FR 124
- Вытяжной вентилятор и дымовая горловина
- Сервопривод BELIMO и воздушная регулирующая заслонка
- Панель управления со стандартным регулированием
Состав панели:
Главный выключатель, предохранительный термостат, термометр, термостат управления и термостат дымовых газов
Электромеханическое регулирование — это оптимальное решение для простого управления работой котла (вентилятора). Исполнение пульта со стандартным регулированием является базовым для всех производимых котлов.
Регулятор ACD 03
Каждый котёл может быть дооснащён современным сенсорным электронным регулятором АТMOS ACD 03 для управления всей системой отопления в зависимости от наружной температуры, температуры в помещении и времени. Этот регулятор также способен управлять самим котлом с вентилятором и обеспечивает большое количество дополнительных функций.
- • Панель управления котла с эквитермическим регулятором ATMOS ACD 03
Техническая информация
- Котёл DCxxSP(X)
| Пояснения к чертежам котлов DCxxSP(X) | |||
| 1. | Корпус котла | 25. | Заполнение дверцы — Сибрал |
| 2. | Дверца для загрузки (для дровяного отопления) | 26. | Прокладка дверцы 18 x 18 мм |
| 3. | Дверца зольника (для дровяного отопления) | 27. | Огнеупорный блок — полумесяц (заслонка дверцы) |
| 4. | Вентилятор — вытяжной | 28. | Горелки для пеллет ATMOS A25 |
| 5. | Огнеупорный блок — форсунка | 29. | Регулятор первичного воздуха |
| 6. | Панель управления | 30. | Регулятор вторичного воздуха |
| 7. | Предохранительный термостат (Внимание — при перегреве нужно вдавить) |
31. | Огнеупорный блок — сферический отсек — (дрова) |
| 8. | Регулирующая заслонка | 32. | Огнеупорный блок — задний торец сферического отсека — (дрова) |
| 9. | Огнеупорный блок — удлинение сферического отсека — (пеллеты) | 33. | Термостат для насоса |
| 10. | Огнеупорный блок — удлинение сферического отсека — (пеллеты) |
34. | Предохранитель 6,3 A — T6, 3A/1500 — типа H |
| 11. | Прокладка форсунки — 12 x 12 | 35. | Термостат дымовых газов |
| 12. | Дверца — для горелки для пеллет (нижняя) | 36. | Переключающий выключатель I-0-II |
| 13. | Растопочная заслонка | 37. | Концевой выключатель с кнопкой |
| 14. | Огнеупорный блок — задний торец сферического отсека — (пеллеты) |
38. | Конденсатор вытяжного вентилятора — 1 мкФ |
| 15. | Крышка для чистки | 39. | Прокладка из сибрала под горелку |
| 16. | Заслонка | 40. | Измерительное место для анализатора дымовых газов |
| 17. | Тяга растопочной заслонки | 41. | Сервопривод Belimo с заслонкой |
| 18. | Термометр | 42. | Модуль AD03 |
| 19. | Заслонка рамки | ||
| 20. | Выключатель с сигнальной лампой | K | — горловина дымохода |
| 21. | Замедлитель (только DC30SPX) | L | — выход воды из котла |
| 22. | Регулятор мощности Honeywell FR 124 | M | — вход воды в котёл |
| 23. | Охладительный контур для защиты от перегрева | N | — патрубок для напускного клапана |
| 24. | Регулирующий термостат | P | — патрубок для датчика клапана, управляющего контуром охлаждения (TS 131, STS 20) |
- Котёл DC40SPT
| Пояснения к чертежам котлов DC40SPT | |||
| 1. | Корпус котла | 26. | Прокладка дверцы 18 x 18 мм |
| 2. | Дверца для загрузки (для дровяного отопления) | 27. | Огнеупорный блок — полумесяц (заслонка дверцы) — (камера для топки пеллетами) |
| 3. | Дверца зольника (для дровяного отопления) | 28. | Горелки для пеллет ATMOS A45 SPT |
| 4. | Вентилятор — вытяжной | 29. | Огнеупорный блок — боковина топки |
| 5. | Огнеупорный блок — форсунка | 31. | Огнеупорный блок — сферический отсек (камера для дровяного отопления) |
| 6. | Панель управления | 32. | Огнеупорный блок — задний торец сферического отсека (камера для дровяного отопления) |
| 7. | Предохранительный термостат (Внимание — при перегреве нужно вдавить) |
33. | Огнеупорный блок — удлинение сферического отсека (камера для дровяного отопления) |
| 8. | Регулирующая заслонка | 34. | Термостат для насоса |
| 9. | Огнеупорный блок — удлинение сферического отсека (камера для топки пеллетами) |
35. | Предохранитель 6,3 A — T6, 3A/1500 — типа H |
| 10. | Огнеупорный блок — сферический отсек (камера для топки пеллетами) |
36. | Термостат дымовых газов |
| 11. | Прокладка форсунки — 12 x 12 | 37. | Переключающий выключатель I-0-II |
| 12. | Дверца — для горелки для пеллет | 38. | Концевой выключатель с кнопкой |
| 13. | Растопочная заслонка | 41. | Прокладка из сибрала под горелку |
| 14. | Огнеупорный блок — задний торец сферического отсека (камера для топки пеллетами) |
42. | Измерительное место для анализатора дымовых газов |
| 15. | Крышка для чистки | 43. | Заслонка дверцы |
| 16. | Трубчатый теплообменник | 44. | Модуль AD03 |
| 17. | Тяга растопочной заслонки | 45. | Огнеупорный блок — удлинение форсунки (блок) |
| 18. | Термометр | 46. | Конденсатор вытяжного вентилятора — 1 мкФ |
| 19. | Заслонка рамки | ||
| 20. | Выключатель с сигнальной лампой | ||
| 21. | Сервопривод Belimo с заслонкой | K | — горловина дымохода |
| 22. | Регулятор мощности Honeywell FR 124 | L | — выход воды из котла |
| 23. | Охладительный контур для защиты от перегрева | M | — вход воды в котёл |
| 24. | Регулирующий (котловой) термостат | N | — патрубок для напускного клапана |
| 25. | Заполнение дверцы — Сибрал | P | — патрубок для датчика клапана, управляющего контуром охлаждения (TS 131, STS 20) |
| Размеры котлов (мм) | |||||
| DC18SP | DC25SP | DC30SPX | DC32SP | DC40SPT | |
| A | 1695 | 1695 | 1695 | 1772 | 1755 |
| B1 | 757 | 957 | 957 | 957 | 1230 |
| B2 | 1301 | 1501 | 1501 | 1501 | 1792 |
| C | 643 | 643 | 643 | 678 | 680 |
| D | 1375 | 1375 | 1375 | 1448 | 1445 |
| E | 150 / 152 |
150 / 152 | 150 / 152 | 150 / 152 | 150 / 152 |
| F | 65 | 65 | 65 | 70 | 87 |
| G | 207 | 207 | 207 | 184 | 204 |
| H | 1436 | 1436 | 1436 | 1507 | 1507 |
| CH | 212 | 212 | 212 | 212 | 256 |
| I | 212 | 212 | 212 | 212 | 256 |
| J | 6/4″ | 6/4″ | 6/4″ | 6/4″ | 6/4″ |
| Технические характеристики |
Тип котла | |||||
| DC18SP | DC25SP | DC30SPX | DC32SP | DC40SPT | ||
| Тепловая мощность котла — на пеллетах — на дровах |
кВт | 4,5 — 15 20 |
6 — 20 27 |
6 — 20 30 |
6 — 20 35 |
9 — 30 40 |
| Тепловая потребляемая мощность котла — на пеллетах — на дровах |
кВт | 4,9 — 16,2 22,2 |
6,5 — 21,9 27 |
6,5 — 21,9 33,4 |
6,5 — 21,9 39,4 |
9,7 — 32,3 43,9 |
| Поверхность нагрева | м2 | 2,5 | 3,3 | 3,3 | 3,8 | 4,9 |
| Объём топливной шахты | дм3 (л) | 66 | 100 | 100 | 140 | 160 |
| Размер загрузочного отверстия | мм | 450 x 260 | 450 x 260 | 450 x 260 | 450 x 260 | 450 x 260 |
| Предписанная тяга дымовой трубы — на пеллетах — на дровах |
Па / мбар | 15 / 0,15 20 / 0,20 |
18 / 0,18 23 / 0,23 |
18 / 0,18 23 / 0,23 |
18 / 0,18 24 / 0,24 |
20 / 0,20 22 / 0,22 |
| Макс. рабочее избыточное давление воды | кПа / бар | 250 / 2,5 | 250 / 2,5 | 250 / 2,5 | 250 / 2,5 | 250 / 2,5 |
| Вес котла | кг | 435 | 531 | 537 | 596 | 768 |
| Диаметр вытяжной горловины | мм | 150 / 152 | 150 / 152 | 150 / 152 | 150 / 152 | 150 / 152 |
| Степень защиты электрической части | IP | 20 | 20 | 20 | 20 | 20 |
| Электрическая потребляемая мощность — при запуске — на пеллетах (макс.) — при работе — на пеллетах (макс.) — при работе — на дровах (макс.) |
Вт | 522 (572) / 1042 (1092) 42 (92) 50 |
572 / 1092 97 50 |
|||
| Электрическая потребляемая мощность в режиме ожидания | Вт | 3,3 | 3,3 | 3,3 | 3,3 | 3,3 |
| Запальный режим | автоматический / ручной | |||||
| КПД котла — на пеллетах — на дровах |
% | 92,5 90,1 |
91,2 89,9 |
91,2 89,9 |
91,2 88,9 |
92,8 91,0 |
| Класс котла | 5 | 5 | 5 | 5 | 5 | |
| Категория котла | 1 | |||||
| Рабочий режим | неконденсирующий | |||||
| Котёл на твёрдом топливе с когенерационным модулем | Нет | |||||
| Комбинированный котёл, служащий и для нагрева ГВС | Нет | |||||
| Класс энергоэффективности | A+ | A+ | A+ | A+ | A+ | |
| Температура продуктов сгорания при номинальной мощности согласно EN303-5 — на пеллетах — на дровах |
°C | 109 157 |
139 177 |
139 177 |
139 185 |
116 147 |
| Температура дымовых газов/тяга для расчета дымохода (дымохода) — на дровах |
°C / Па | 177 / 20 |
197 / 23 |
197 / 23 |
205 / 24 |
167 / 22 |
| Массовый расход дымовых газов при номинальной мощности — на пеллетах — на дровах |
кг/с | 0,008 0,012 |
0,011 0,014 |
0,011 0,017 |
0,011 0,020 |
0,017 0,023 |
| Предписанное топливо для ручной загрузки | Сухая древесина (бревна) теплотворной способностью 15 – 17 МДж/кг-1, диаметром 80 – 150 мм и влажностью 12 – 20 %. | |||||
| Топливо для автоматической загрузки — пеллеты | качественные пеллеты диаметром 6 — 8 мм, длиной 10 — 40 мм и с теплотворностью 15 — 18 МДж.кг-1 (белые пеллеты) | |||||
| Средний расход древесного топлива при номинальной мощности | кг.ч-1 | 5,6 | 7,2 | 7,6 | 9,2 | 10,1 |
| За отопительный сезон | 1 Вт = 1 пространственный метр |
|||||
| Предписанная длина дров | мм | 330 | 530 | 530 | 530 | 730 |
| Время горения при номинальной мощности — на дровах |
ч | 2 |
3 |
2 |
2 |
2,5 |
| Объём воды в котле | л | 78 | 109 | 109 | 160 | 131 |
| Гидравлические потери котла | мбар | 0,22 | 0,23 | 0,23 | 0,23 | 0,23 |
| Минимальный объём буферном баке | л | 500 | 500 | 500 | 500 | 750 — пеллетах 2200 — дровах |
| Напряжение питания | В / Гц | 230 / 50 | ||||
| EKODESIGN | да | да | да | да | да | |
| Предписанная минимальная температура обратной воды при работе составляет 65 °C. | ||||||
| Предписанная рабочая температура котла — 80 — 90 °C. | ||||||
Горелка
Горелки для пеллет, применяемые для котлов DC18SP, DC25SP, DC30SPX, DC32SP, DC40SPT
ГОРЕЛКА ДЛЯ ПЕЛЛЕТ ATMOS A25 (для моделей DCxxSP(X)) — Код: H00488
ГОРЕЛКА ДЛЯ ПЕЛЛЕТ ATMOS A45SP (для модели DC40SPT) — Код: H0352
Горелки для моделей DCxxSP(X)(T) оснащены функцией автоматического закрытия или открытия подачи воздуха в горелку с помощью сервопривода при отоплении дровами или пеллетами.
Предписанное топливо: качественные древесные пеллеты (белые) диаметром 6 — 8 мм, длиной 5 — 25 мм и с теплотворностью 16 — 19 МДж.кг-1.
Дисплей горелки: используется для отображения текущего состояния горелки и настройки её работы
Система управления горелкой: электронный регулятор AC07X, который управляет работой внешнего транспортёра, двух спиралей розжига и вентилятора в зависимости от требований котла и системы отопления. Электроника защищена предохранительным термостатом котла, предохранительным термостатом на входе пеллет в горелку, датчиком скорости вращения вентилятора и фотоэлементом для определения наличия пламени. Работа горелки отображается на дисплее электронного регулятора.
Розжиг топлива: автоматический с помощью двух электрических спиралей розжига.
Основные функции горелки:
Можно применить два резервных выхода R и R2для различных приложений
Можно подключить четыре разных датчика TS, TV, TK и TSV
TS — датчик нижний в баке
TV — датчик верхний в баке
TK — датчик котла или средний датчик в баке
TSV — датчик дымовых газов или солярной панели
- система управления горелкой по двум температурам в буферном баке
- система управления вентилятором котла от горелки с помощью резервного выхода
- система управления насосом котла от горелки с помощью резервного выхода
- система управления солярной системой непосредственно с горелки
- автоматический запуск горелки после того, как догорят дрова в котлах SP(X)(T)
Горелки предназначены только для высококачественных белых пеллет из мягкой древесины без коры диаметром 6 — 8 мм, длиной 10 — 25 мм и теплотворностью 16 — 19 МДж.кг-1. Горелка не предназначена для пеллет, которые спекаются в камере сгорания горелки. В этом случае камеру сгорания горелки необходимо очищать один раз в день.
Для горелки ATMOS A25 предназначены следующие транспортёры:
- Шнековый транспортёр для горелки ATMOS A25 — DA1500 длиной 1,5 м и диаметром 75 мм
- Шнековый транспортёр для горелки ATMOS A25 — DA2000 длиной 2 м и диаметром 75 мм
- Шнековый транспортёр для горелки ATMOS A25 — DA2500 длиной 2,5 м и диаметром 75 мм
- Шнековый транспортёр для горелки ATMOS A25 — DA3000 длиной 3 м и диаметром 75 мм
- Шнековый транспортёр для горелки ATMOS A25 — DA4000 длиной 4 м и диаметром 75 мм
Для горелки ATMOS A45 предназначены следующие транспортёры:
- Шнековый транспортёр для горелки ATMOS A45 — DRA50 длиной 1,7 м и диаметром 80 мм
- Шнековый транспортёр для горелки ATMOS A45 — DRA50 длиной 2,5 м и диаметром 80 мм
- Шнековый транспортёр для горелки ATMOS A45 — DRA50 длиной 4 м и диаметром 80 мм
- Шнековый транспортёр для горелки ATMOS A45 — DRA50 длиной 5 м и диаметром 80 мм
Все комбинированные котлы на дровах и пеллетах могут быть также подключены к компактному бункеру AZPD









