New equithermal control ATMOS ACD 03 and ACD 04 with touch display
Equithermal control ATMOS ACD 03 and 04 is a new control element with a touch color display enabling easy control of the boiler and heating system in an intuitive way according to
the latest trends.
The ACD 03 control is intended for additional installation into the boiler panel.
The ACD 04 control is built into the boiler directly from the factory.
The controller is able to control the following:
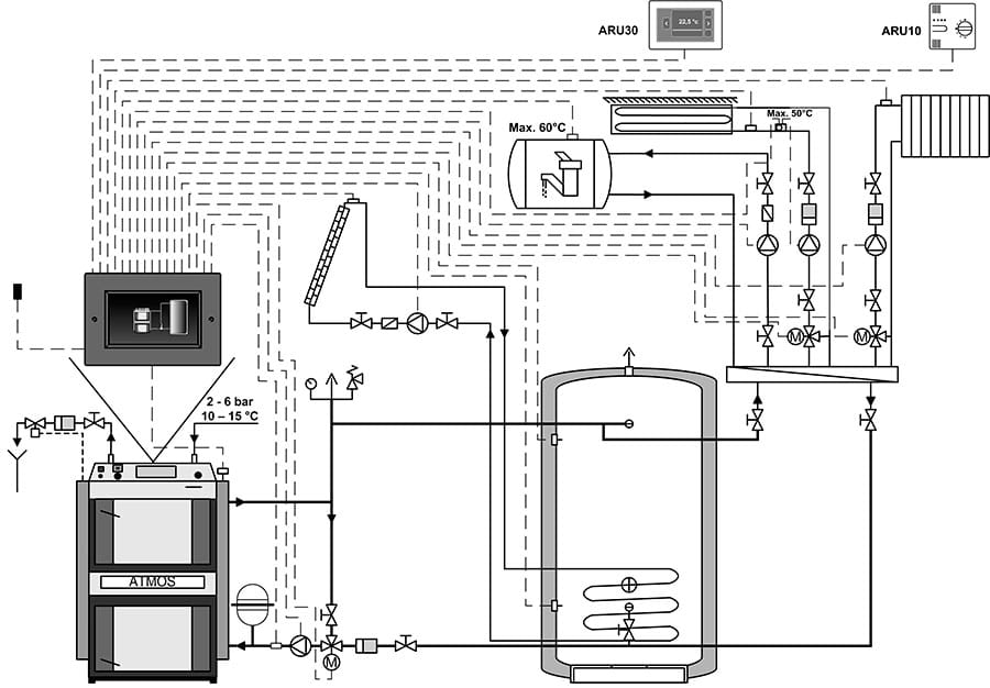
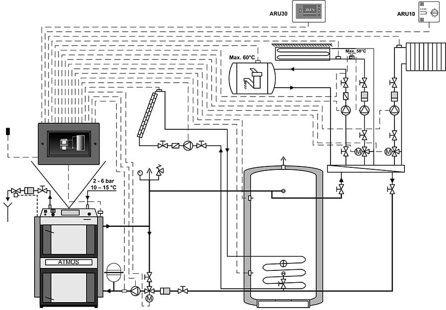
1. heating of three heating circuits (eg two circuits classic radiators + one circuit underfloor heating) according to the required room temperature, outdoor temperature (equithermal curves) and depending on the time using three types of room units (sensors)
or
one boiler circuit and two heating circuits – boiler circuit for maintaining the minimum return water temperature to the boiler of 65 °C, by means of a three-way mixing valve with actuator and pump and heating of two heating circuits (eg conventional radiators or underfloor heating) according to the required room temperature, outdoor temperature (equithermal curves) and depending on time using three types of room units (sensors)
2. domestic hot water (DHW) heating to the required temperature (eg 55 °C)
3. solar heating via solar collectors
4. optimal charging and discharging of storage tanks according to customer requirements
5. automatic switching of operation of two heat sources (boilers), eg wood and natural gas / wood boilers and pellets
6. complete operation of the boiler based on the needs of the heating system, including the exhaust fan
Electronic control ATMOS ACD 03 is supplied as a set including the necessary sensors and connection terminal block for easy installation in the boiler panel:
equithermal control set designed for boilers with manual application (with flue gas sensor) ATMOS ACD 03 AGF – order code S0106
equithermal control set designed for pellet boilers (without flue gas sensor) ATMOS ACD 03 – order code S0103
For optimal and economical heating of your building, we recommend that you purchase one of our room units ARU5, ARU10 and ARU30 with a touch screen as an accessory (for each heating circuit) for a better possibility to regulate the heating system. If the regulation for solar heating is used, it is necessary to purchase a sensor for solar FF00–75P65 (-20 – 300 °C) and another sensor KTF20.

