Accumulation
Installing a boiler with storage tanks brings the following advantages:
- lower fuel consumption (by 20 to 30 %), the boiler works at full capacity until the fuel burns out at optimal efficiency
- high service life of the boiler and chimney – minimal formation of tars and acids
- possibility of combination with other methods of heating – storage electricity
- designed for combinations of radiators with underfloor heating
- comfortable heating and ideal fuel combustion
- guaranteed more environmentally friendly heating
- warranty on the boiler body 3 years
We recommend connecting with batteries as the main connection.
If you cannot have the recommended volume of storage tanks, connect the boiler with at least one buffer tank with a volume of 500 – 1000 l. If you choose a large accumulation tank volume, you must also choose the appropriate boiler output so that it is able to charge these tanks in a reasonable time. For the correct calculation of the volume of the storage tank, 1 kW of boiler power = 55 l of tank volume.
Operation of the system with storage tanks
After flooding the boiler, we charge the maximum volume of storage tanks to the required water temperature of 90 – 100 °C during operation at maximum output (for 2 to 4 loads). We then let the boiler burn out. Furthermore, we only take heat from the storage tank with the help of a three-way valve for a time that corresponds to the size of the accumulator and the outdoor temperature. During the heating season (observing the minimum battery volumes, see the table) this can be 1 – 3 days. If accumulation cannot be used, we recommend at least one tank with a volume of 500 – 1000 l for balancing boiler starts and stops.
Tank insulation
Accumulation tanks are normally supplied without insulation. A suitable solution is the joint insulation of a given number of tanks of the required volume with mineral wool into a plasterboard skeleton, or additional filling with loose insulation. Recommended insulation thickness, when using mineral wool is 120 mm. Another option is to purchase already insulated tanks with mineral wool (100 mm) in a leatherette case, which our company also supplies.
DHW heating
For domestic hot water heating, we can use a combined boiler or storage tank with a copper flow heater.
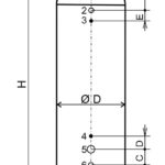
Tank parameters
- Basic type | Tank with DHW inner vessel | tank with DHW inner vessel and solar heat exchanger
| Description of accumulation tanks | |||
| 1. | socket – 5/4“ | 8. | socket under DHW inner vessel – 5/4“ |
| 2. | upper outlet – 5/4“ | 9. | socket between DHW inner vessel and solar heat exchanger – 5/4“ |
| 3. | socket for thermometer – 1/2“ | 10. | sockets for DHW – 1“ |
| 4. | socket for thermometer – 1/2“ | 11. | solar exchanger socket – inlet – 1“ |
| 5. | socket for electronic heating element – TJ-M48x2 | 12. | solar exchanger socket – outlet – 1“ |
| 6. | lower outlet – 5/4“ | 13. | upper socket – 1“ |
| 7. | socket for drain valve – 1“ | ||
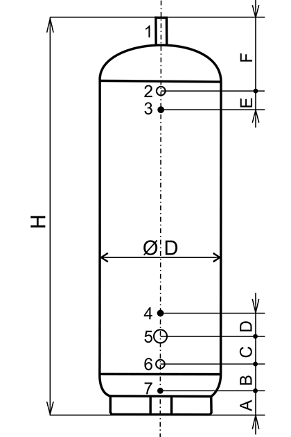
| Dimensions of ATMOS accumulation tanks | ||||||||
| Tank type | AN 500 (DZ) |
AN 600 (DZ) |
AN 750 (DZ) |
AN 750 (DH) |
AN 800 (DH) |
AN 1000 (DH) |
AN 1000 (DZ) |
|
| Dimension (mm) |
H | 1946 | 1611 | 2001 | 1761 | 1916 | 2214 | 2015 |
| H1 | 1971 | – | 2029 | – | 1944 | – | 2044 | |
| Hk | 1966 | 1631 | 2021 | 1781 | 1936 | 2234 | 2035 | |
| Hk1 | 1991 | – | 2049 | – | 1964 | – | 2064 | |
| A | 142 | 169 | 169 | 179 | 179 | 179 | 167 | |
| B | 273 | 300 | 300 | 280 | 280 | 280 | 275 | |
| C | 1633 | 1270 | 1660 | 1384 | 1540 | 1840 | 1675 | |
| E | 513 | 540 | 540 | 520 | 520 | 520 | 515 | |
| F | 1543 | 1180 | 1570 | 1294 | 1450 | 1750 | 1585 | |
| G | 383 | 410 | 410 | 390 | 390 | 390 | 385 | |
| I | 195 | – | 195 | 195 | – | – | 195 | |
| J | 76 | – | 76 | 76 | – | – | 76 | |
| K | 993 | – | 1020 | 932 | – | – | 1065 | |
| L | 923 | – | 910 | 870 | – | – | 1015 | |
| M | 263 | – | 290 | 250 | – | – | 265 | |
| N | 673 | – | 720 | 639 | – | – | 715 | |
| Diameter (mm) |
Ø d | 600 | 750 | 750 | 790 | 790 | 790 | 850 |
| 1/2/6/8/9/ | 5/4“ | 5/4“ | 5/4“ | 5/4“ | 5/4“ | 5/4“ | 5/4“ | |
| 3/4 | 1/2“ | 1/2“ | 1/2“ | 1/2“ | 1/2“ | 1/2“ | 1/2“ | |
| 5 | M48x2 | M48x2 | M48x2 | M48x2 | M48x2 | M48x2 | M48x2 | |
| 7/10/11/12/13 | 1“ | 1“ | 1“ | 1“ | 1“ | 1“ | 1“ | |
Accumulation tanks – basic type
| Tank – type DZ | Tank without insulation | Insulation (100 mm) | Tank with insulation | ![]() |
|||
| Code | Weight | Code | Weight | Code | Weight | ||
| AN 500 | P0139 | 91,00 kg | P0151 | 23,00 kg | P0142 | 114,00 kg | |
| AN 600 | P0236 | 82,00 kg | P0237 | 10,50 kg | P0238 | 100,00 kg | |
| AN 750 | P0140 | 120,00 kg | P0152 | 22,00 kg | P0143 | 144,00 kg | |
| AN 1000 | P0141 | 136,00 kg | P0153 | 25,00 kg | P0144 | 161,00 kg | |
| Tank – type DH | |||||||
| AN 750 | P0170 | 120,00 kg | P0173 | 22,00 kg | P0176 | 142,00 kg | |
| AN 800 | P0199 | 116,00 kg | P0200 | 22,00 kg | P0201 | 138,00 kg | |
| AN 1000 | P0171 | 132,00 kg | P0174 | 25,00 kg | P0177 | 161,00 kg | |
Accumulation tanks with floating boiler for DHW heating – 200l
| Tank – type DZ | Tank without insulation | Insulation (100 mm) | Tank with insulation | ![]() |
|||
| Code | Weight | Code | Weight | Code | Weight | ||
| AN 500/2 | P0145 | 133,00 kg | P0154 | 23,00 kg | P0148 | 156,00 kg | |
| AN 750/2 | P0146 | 168,00 kg | P0155 | 30,00 kg | P0149 | 198,00 kg | |
| AN 1000/2 | P0147 | 181,00 kg | P0156 | 25,00 kg | P0150 | 206,00 kg | |
| Tank – type DH | |||||||
| AN 800/2 | P0202 | 160,00 kg | P0203 | 25,00 kg | P0204 | 185,00 kg | |
*floating (nested) boilers for heating domestic hot water are enameled inside
Accumulation tanks with floating boiler for DHW heating – 140 l + solar heating
| Tank – type DZ | Tank without insulation | Insulation (100 mm) | Tank with insulation | ![]() |
|||
| Code | Weight | Code | Weight | Code | Weight | ||
| AN 500/3 – 1,7 m2 | P0160 | 151,00 kg | P0166 | 23,00 kg | P0163 | 174,00 kg | |
| AN 750/3 – 2,3 m2 | P0161 | 185,00 kg | P0167 | 30,00 kg | P0164 | 215,00 kg | |
| AN 1000/3 – 3,3 m2 | P0162 | 217,00 kg | P0168 | 25,00 kg | P0165 | 242,00 kg | |
| Tank – type DH | |||||||
| AN 800/3 – 2,3 m2 | P0205 | 170,00 kg | P0206 | 25,00 kg | P0207 | 196,00 kg | |
*floating (nested) boilers for heating domestic hot water are enameled inside
Electric heating element with thermostat for storage tank
TJ-M48x2 – 4,5 kW
TJ-M48x2 – 6 kW
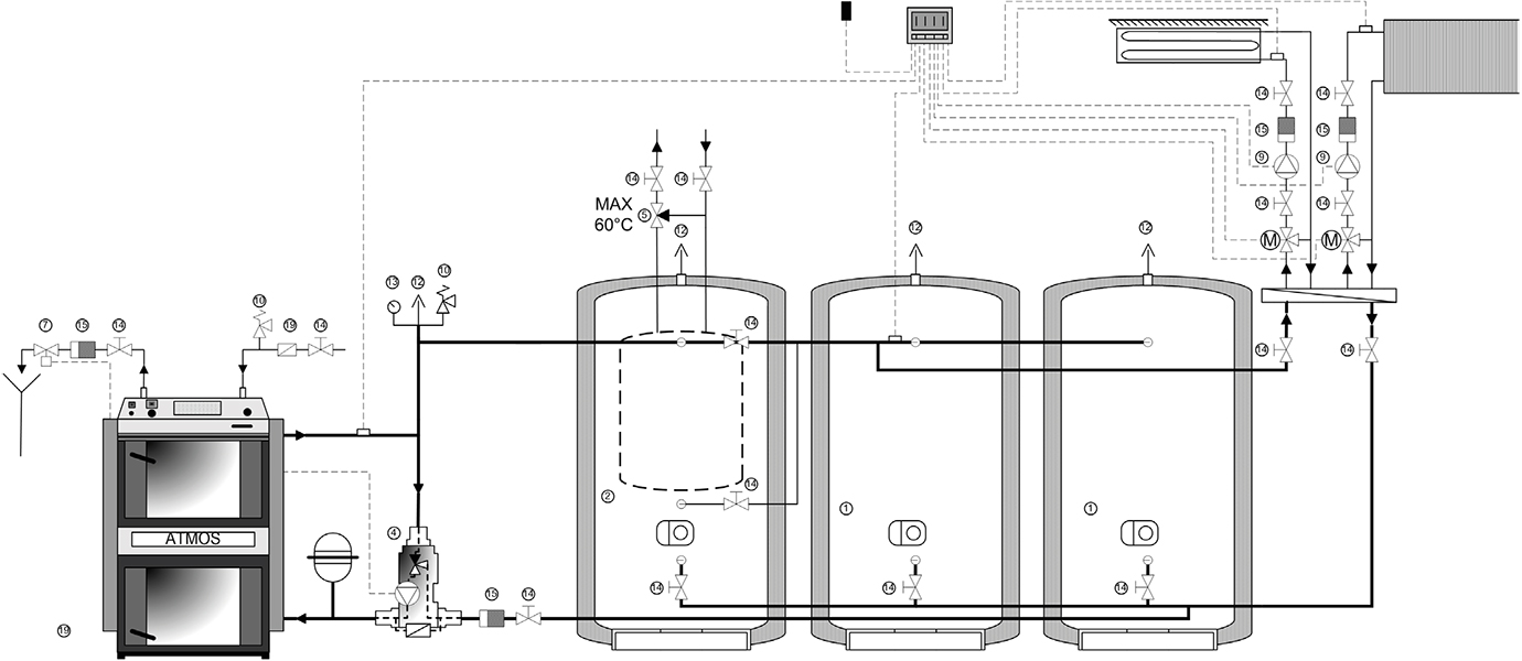
- Raccordement chaudière avec ballon tampon et Laddomat 22
| Minimum pipe diameters when connected to storage tanks | ||||
| Boiler type and output | part A | part B | ||
| in copper | in steel | in copper | in steel | |
| DC18S, C18S, DC20GS | 28 x 1 | 25 (1″) | 28 x 1 | 25 (1″) |
| DC22S, DC25S, DC25GS, C20S, DC22SX | 28 x 1 | 25 (1″) | 28 x 1 | 25 (1″) |
| DC32S, DC32GS, C30S, DC30SX | 35 x 1,5 | 32 (5/4″) | 28 x 1 | 25 (1″) |
| DC40GS, C40S, DC40SE, DC40SX | 35 x 1,5 | 32 (5/4″) | 28 x 1 | 25 (1″) |
| DC50S, DC50SE | 42 x 1,5 | 40 (6/4″) | 35 x 1,5 | 32 (5/4″) |
| DC70S, DC75SE, DC100 | 54 x 2 | 50 (2″) | 42 x 1,5 | 40 (6/4″) |
| Minimum tank capacity | ||||||||
| Output / kW | 15 – 20 | 20 – 30 | 30 – 35 | 35 – 40 | 40 – 50 | 50 – 70 | 70 – 100 | 150 |
| Volume / l | 1000 – 1500 | 1500 – 2000 | 2000 – 2500 | 2500 – 3000 | 3000 – 4000 | 4000 – 5000 | 5000 – 6000 | 8000 – 9000 |



