- Spezifikationen
- Zum Herunterladen
-
Der Kesselkörper ist als Schweißstück aus Stahlblechen in der Dicke von 6 bis 3 mm hergestellt. Der Kessel besteht aus dem Beschickungstrichter, der im unteren Teil mit einer patentierten Drehrostmechanik mit Zuleitung von Sekundärluft ausgestattet ist. Der untere Nachverbrennungsraum ist mit keramischen Platten ausgelegt, damit die Verbrennung aller benutzten Brennstoffe optimal ist. Im hinteren Kesselteil befindet sich ein senkrechter Verbrennungsgaskanal, der in dem oberen Teil mit einer Ofenklappe bestückt ist. Im oberen Teil des Verbrennungsgaskanals befindet sich ein Abzugsstutzen mit einem Abzugsventilator für den Anschluss an den Schornstein. Im hinteren Kesselteil ist ein Kanal zur Zufuhr von Primär- und Sekundärluft, der mit einer Regulierungsklappe ausgestattet ist.
Vorteile des DCxxGSP Kessels
- Eine einfache und kostengünstige Lösung
- Möglichkeit zum komfortablen Heizen mit Pellets ohne manuelle Zugabe
- Großer Pelletbehälter 240 – 1000 l / Textilsilo, Teil des Heizraums als Tank = Betankung alle 7 und 14 Tage / einmal im Jahr
- Bequeme und staubfreie Ascheentfernung mit Abzugventilator alle 7 bis 30 Tage
- Ökobetrieb – bei allen Arten der Beheizung
- Automatische Zündung von Pellets mit einer Zündspirale am Brenner bereits in der Grundausstattung
- Kleine Abmessungen und modernes Design
Installation
Die Holzvergaserkessel ATMOS müssen mit LADDOMAT 22 oder einem Thermoregulierventil (Dreiwegeventil, das bei Verwendung der elektronischen Steuerung ACD 03 von einem Stellantrieb gesteuert wird) verbunden werden, um eine Mindestrücklauftemperatur zum Kessel von 65 °C zu erreichen. Die Kesselaustrittstemperatur muss ständig im Bereich von 80 – 90 °C gehalten werden.
Alle Kessel werden in Grundausführung mit Kühlkreislauf gegen Überhitzung geliefert. Wir empfehlen die Installation von Heizkesseln mit Speichertanks, die den Brennstoffverbrauch reduzieren und den Heizkomfort erhöhen.
- Dimension der Auftragskammer
- Blick in die Ladekammer
- Keramik im unteren Brennraum
- Rauchabzug, Abluftventilator
- Reinigungskappe des Kesseloberteils
- Kesseln KCxxS mit dem in der oberen Tür eingebauten Brenner, mit Pufferspeicher für die Brennerregelung über die Fühler der oberen (TV) und unteren (TS) Temperatur und für die Steuerung der Kesselpumpe über den Kesseltemperaturfühler (TK)
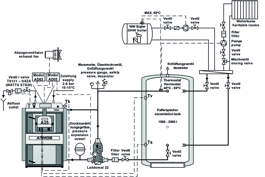
- Installation des Kessels mit Pufferspeicher. Der Betrieb des Kessels, Brenners und Heizsystems wird durch den Regler ACD 03 (04) gesteuert
- Schaltplan mit Laddomat 22 und Pufferspeichern (serielle Installation)
Kesselregulation
Elektromechanische Regelung – die Regelung der Kesselleistung erfolgt durch eine Luftklappe, die mit dem Zugregler (Typ FR 124) betätigt ist. Dieser Zugregler öffnet oder schließt die Luftklappe je nach der eingestellten Wasseraustrittstemperatur (80 – 90 °C). Neben der Leistungsregelung schützt der Zugregler den Kessel vor Überheizung. Sein Vorteil besteht in der schnellen Zündung und Erreichung der gewünschten Leistung, wenn die Luftklappe vollständig geöffnet ist. Das Bedienfeld des Kessels ist mit einem Regelthermostat, der den Saugzugventilator je nach der eingestellten Wasseraustrittstemperatur (80 – 85 °C) regelt, und mit einem Abgasthermostat, der zur Stilllegung des Kessels und zum Ausschalten des Saugzugventilators nach dem Ausbrennen des Brennstoffes dient, ausgestattet. Wird der Kessel mit Pufferspeichern betrieben, regelt der Abgasthermostat auch die Kesselkreispumpe.
Der Vorteil der Regelung und Bauart der ATMOS Kessels besteht darin, dass die Kessel bei einem guten Kaminzug bis zu 70 % der Nennleistung auch ohne das Ventilator arbeiten können.
- Abgasbremser
- Luftklappe, Honeywell FR 124, Kaminhals
- Panel mit Standardregelung
Aufbau des Panels:
Hauptschalter, Sicherheitsthermostat, Thermometer, Regelungsthermostat und Abgasthermostat
Die elektromechanische Regelung ist die optimale Lösung der Steuerung des Kesselbetriebes (Lüfters) auf einfache Art und Weise.
Die Panelausführung mit der Standardregelung ist die Grundausführung für alle hergestellten Kessel.
Äquitherme Steuerung ACD 03
Jeder Kessel kann mit einer modernen Touch-Elektroniksteuerung ATMOS ACD 03 zur Steuerung des gesamten Heizsystems in Abhängigkeit von Außentemperatur, Raumtemperatur und Uhrzeit ausgestattet werden. Diese Regelung ist in der Lage, den Kessel selbst mit einem Ventilator mit vielen anderen Funktionen zu steuern.
- Panel mit elektronischer Regelung ATMOS ACD 03
Spezifikationen
| Beschreibung des Kessels – Zeichnung | |||
| 1. | Kesselkörper | 25. | Türfüllung – Sibral – stark (32 mm) |
| 2. | Fülltür – obere | 26. | Türdichtung – Schnur – 18×18 |
| 3. | Reinigungstür – untere | 27. | Abgasbremser – entlang dem Kugelraum |
| 4. | Abzugsventilator (S) | 28. | Primärluftregelung |
| 5. | Feuerbeständiges Formstück – hinterer Würfel | 29. | Kondensator für Abzugventilator – 1μF |
| 6. | Bedienungstafel | 30. | Rauchgasthermostat |
| 7. | Sicherheitsthermostat (Vorsicht – bei Überhitzung drücken) | 31. | Sicherheitstemperaturbegrenzer für die Pumpe TČ95 |
| 8. | Regulationsklappe | 32. | Kühlschleife gegen Überhitzung |
| 9. | Roststab | 33. | Sekundärluftregulierung |
| 10. | Feuerbeständiges Formstück – Kugleraum | 34. | Türfüllung – Sibral – mit Öffnung |
| 11. | Rostrohr | 35. | Türdichtung – Schnur für Brenner – 16×16 |
| 12. | Feuerbeständiges Formstück – Halbmond – Türblende | 36. | Servoklappe – Servomotor Belimo |
| 13. | Anheizklappe | 37. | Abgasbremser des Rauchgaskanals – vierarmig |
| 14. | Feuerbeständiges Formstück – hintere Stirnseite vom Kugelraum | 38. | Modul AD03 – 2x |
| 15. | Reinigungsdeckel (oben und unten) | 39. | Blinddeckel der Tür für den Brenner |
| 16. | Rosthebel | 40. | Pelletsbrenner ATMOS A25 |
| 17. | Hebel der Anheizklappe | 41. | Sibral-Blende für Feuerstätte (nur für Pellets) |
| 18. | Thermometer | 42. | Sicherung (6,3A) T6,3A/1500 – typ H |
| 19. | Blende für Türrahmen | ||
| 20. | Hauptschalter mit Anzeige (Grün) | K | – Stutzen des Rauchabzugskanals |
| 21. | Umschalttaste I-O-II (manuell/automatisch) | L | – Vorlauf |
| 22. | Zugregler – Honeywell FR 124 | M | – Rücklauf |
| 23. | Feuerbeständiges Formstück – vorderer Würfel | N | – Muffe für Einlasshahn |
| 24. | Ventilator-Regelthermostat (Kessel-Thermostat) | P | – Muffe für den Sensor des die Kühlschleife steuernden Ventils (TS 131, STS 20) |
| Technische Angaben | |
| Abmessungen | KC25S mit Einbau für Brenner |
| A | 1185 |
| B1 / B2 | 757 / 1200 |
| C | 675* |
| D | 874 |
| E | 150 / 152 |
| F | 65 |
| G | 208 |
| H | 933 |
| CH | 212 |
| I | 212 |
| J | 6/4″ |
| * Kesselbreite 555mm, nachdem die Seitenhauben Zerlegen | |
| Spezifikationen | Kesseltyp | |
| KC25S mit Einbau für Brenner | ||
| Kesselwärmeleistung – Pellets – Kohlebriketts |
kW | 4,3 – 20 26 |
| Kesselfeurungswärmeleistung – Pellets – Kohlebriketts |
kW | 4,6 – 21,9 28,8 |
| Heizfläche | m2 | 1,9 |
| Volumen des Brennstoffschachts | dm3 (l) | 65 |
| Abmessungen der Füllöffnung | mm | 450 x 260 |
| Vorgeschriebener Schornsteinzug – Pellets – Kohlebriketts |
Pa / mbar | 16 / 0,16 20 / 0,20 |
| Max. Anlagendruck | kPa / bar | 250 / 2,5 |
| Kesselgewicht | kg | 309 |
| Querschnitt der Abzugsmuffe | mm | 150 / 152 |
| Schutzart elektrischer Teile | IP | 20 |
| Hilfstromverbrauch bei Nennwärmeleistung (elmax) – Nennlast | W / kW | 50 / 0,05 |
| Hilfstromverbrauch bei Nennwärmeleistung (elmax) – Pellet | W / kW | 87 / 0,087 |
| Hilfstromverbrauch bei Teillastwärmeleistung (elmax) – Pellet | W / kW | 27 / 0,027 |
| Hilfstromverbrauch bei Nennwärmeleistung (elmax) bei Brennstoffzündung – Pellet | W / kW | 522 / 0,522 1042 / 1,042 |
| Hilfstromverbrauch bei Nennwärmeleistung (elmax) – Kohlebriketts | W / kW | 42 / 0,042 |
| Hilfstromverbrauch bei Bereitschaftsmodus (Psb) | W / kW | 2 / 0,002 |
| Anheizmodus | automatisch / manuell | |
| Abgegebene Nutzwärme bei Nennwärmeleistung (Pn) – Pellet | kW | 21,8 |
| Abgegebene Nutzwärme bei Teillastwärmeleistung (Pn) – Pellet | kW | 4,7 |
| Abgegebene Nutzwärme bei Nennwärmeleistung (Pn) – Kohlebriketts | kW | 27,3 |
| Wirkungsgrad des Kessels bezogen auf Heizwert (Direkt) – Pellets – Kohlebriketts |
% | 91,2 90,4 |
| Brennstoff-Wirkungsgrad bei Nennwärmeleistung (nn) – Pellet | % | 85,1 |
| Brennstoff-Wirkungsgrad bei Teilastwärmeleistung (nn) – Pellet | % | 86,5 |
| Brennstoff-Wirkungsgrad bei Nennwärmeleistung (nn) | % | 83,7 |
| Kesselklasse | 5 | |
| Kesselkategorie | 1 | |
| Betriebsmodus | nicht kondensiert | |
| Festbrennstoffkessel mit Kraft-Wärme-Kopplung | nein | |
| Kombiheizgerät | nein | |
| Energieeffizienzklasse | C | |
| Rauchgastemperatur bei Nennleistung – Pellets – Kohlebriketts |
°C | 128,8 177 |
| Abgastemperatur / zug zur Berechnung des Abgasweges (Schornstein) |
°C / Pa | 177 / 20 |
| Mengendurchfluss des Rauchgases bei Nennleistung – Pellets – Kohlebriketts |
kg / s | 0,011 0,015 |
| Vorgeschriebene Brennstoffe (Bevorzugter) | Holzpellets nach DIN – mit dem Durchmesser 6 – 8 mm und Heizwert 15 – 18 MJ/kg-1 | |
| Vorgeschriebene Brennstoffe |
Braunkohlebriketts mit einem Heizwert von 19 – 23 MJ/kg-1 | |
| Durchschnittlicher Brennstoffverbrauch | kg.St-1 | 4,7 |
| Max. Scheitlänge | mm | 330 |
| Brenndauer bei Nennleistung | Stun. | 4 |
| Wasseranteil im Kessel | l | 45 |
| Hydraulischer Kesselverlust | mbar | 0,18 |
| Minimales Volumen des Ausgleichsbehälters | l | 500 |
| Anschlussversorgungsspannung | V / Hz | 230 / 50 |
| Die vorgeschriebene Mindestrücklauftemperatur während des Betriebes beträgt 65 °C. Die vorgeschriebene Vorlauftemperatur des Kessels beträgt 80 – 90 °C. |
||

















