Die Kessel sind für Holzverbrennung auf dem Prinzip der Generatorvergasung unter Anwendung eines Abzugsventilators konstruiert, der die Abgase aus dem Kessel absaugt oder den Kessel mit Luft versorgt. Der Kesselkorpus ist ein Schweißteil aus Stahlblech mit einer Stärke von 3 – 10 mm. Gebildet wird er aus einem Trichter für Brennstoffbeschickung, der im unteren mit einem hitzebeständigen Formstück mit einer Längsöffnung für den Abzug von Abgasen und Gasen versehen ist. Der darunter liegende Nachbrennbereich ist mit keramischen Formstücken ausgestattet. Im hinteren Teil vom Kesselkorpus befindet sich der vertikal geführte Abgaskanal, der im oberen Teil mit einer Anheizklappe versehen ist. Der obere Bereich des Abgaskanals ist mit einem Abzugstutzen zum Anschluss an die Esse ausgestattet.
- Spezifikationen
-
Vorteille des Holzkessels ATMOS
- sehr robuster Kesselaufbau – moderne Konstruktion
- großer Füllraum – für lange Heizintervalle
- leichte, übersichtliche Bedienung und geringer Reinigungsaufwand – perfekte Vergasung
- ausgefeilte Holzvergasertechnik ohne Elektronik
- sparsam im Verbrauch durch hohen Wirkungsgrad
- Saugzugventilator mit Schwelgasabsaugung und im Vergleich sehr geringem Stromverbrauch
- garantierte Langlebigkeit
- hervorragende Abgaswerte
- einmaliges Preis-Leistungsverhältnis
Umwelt
Die umgekehrte Verbrennung und der keramische Verbrennungsraum ermöglichen praktisch eine perfekte Verbrennung mit einem Minimalanteil von Schadexhalationen. Die Kessel entsprechen den Limits für umweltschonende Produkte gemäß der durch das Umweltministerium der Tschechischen Republik erlassenen Richtlinie Nr. 13/2002.
Zeugnisse und zertifizierung
Sämtliche ATMOS-Kessel werden in Prüfstellen für einzelne Bestimmungsländer zertifizert: SZÚ Brno, TÜV München – Deutschland, Litauen, die Ukraine, Schweden SP, Polen und Österreich, die Slowakei, Ungarn laut gültigen Normen – EN 303-5.
Industriell Patentgeschützt.
- DC105S
- Größe der Zuführöffnung
- Auftragskammer
- Flamme in der unteren Brennkammer
- Blick in die untere Brennkammer – Dach
- Abluftventilatoren und Rauchabzug
- Bremsen im Rauchkanal
Installation
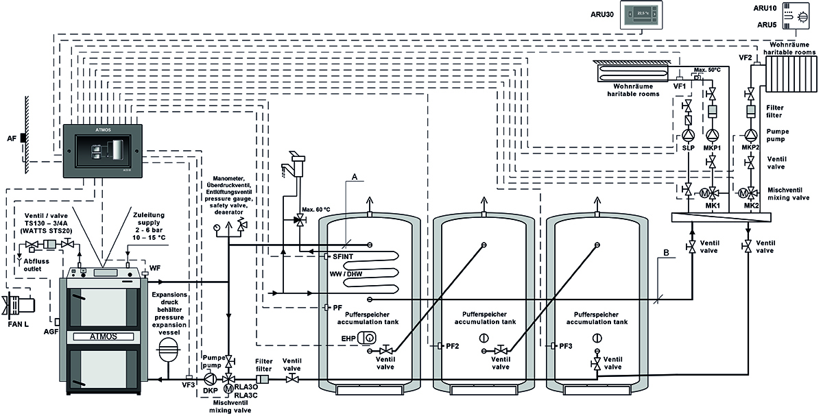
Die ATMOS-Kessel müssen mit LADDOMAT 22 oder dem Thermo-Regelventil ESBE zum Erreichen einer Mindesttemperatur von 65 °C des Wassers am Rücklauf zum Kessel ausgestattet sein. Die Vorlauftemperatur am Kessel muss ständig im Bereich von 80 – 90 °C liegen. Alle Kessel werden in deren Grundausführung mit einem Kühlungskreis gegen Überhitzung geliefert. Wir empfehlen, die Kessel mit Speicherbehältern zu installieren.
- Laddomat 22 und Thermo-Regelventil
- Kühlkreislauf, Kesselwasseraustritt und Rauchkanal ohne Abdeckkappe
- Schaltplan des Kessels mit Äquitherme Steuerung ACD03 und Pufferspeicher
- Schaltplan eines Heizkessels mit Dreiwegeventil und Pufferspeicher
Technische Beschreibung
Die Kessel sind für die Verbrennung von Holz konstruiert worden. Die Verbrennung geht auf dem Prinzip der Generatorvergasung unter Nutzung eines Abzugsventilators vonstatten, der die Abgase aus dem Kessel absaugt. Der Kesselkörper ist ein Schweißteil aus Stahlblechen von 3 – 10 mm. Dazu gehört ein brennstoffspeicher, der im unteren Teil mit einem feuerfesten Formstück mit einer länglichen Öffnung für das Durchströmen der Abgase und Gase versehen ist. Der Nachbrennraum unterhalb ist mit keramischen Formteilen bestückt. Im hinteren Teil des Kesselkörpers befindet sich ein senkrechter Brennstoffkanal, wo sich im oberen Teil die Anheizklappe befindet. Der hintere Teil des Sammelkanals ist mit einem Abzugsrohr für den Anschluß an denSchornstein versehen. Die vordere Wand ist im oberen Teil mit einer Nachlegetür und im unteren Teil mit einer Reinigungstür ausgestattet. Auf den beiden Seiten der Reinigungstür gibt es Deckel, hinter denen eine Rohrwand (Wärmetäuscher) mit Segmentenbremser installiert ist. Im vorderen Teil der Oberplatte befindet sich der Hebel der Anheizklappe. Der Kesselkörper ist von außen mit Mineralfilz wärmeisoliert, der sich unter den Blechabdeckungen des Kesselaußenmantels befindet. Im oberen Teil des Kessel finden Sie die Schaltfeld für die elektromechanische Steuerung. Die Primärluft für die optimale Verbrennung im Kessel wird über spezielle, mit den Servoantrieben gesteuerte Klappen seitlich des Kessels zugeführt. Die Sekundärluft wird sowohl von dem vorderen als auch dem hinteren Kesselbereich zugeführt. Die Primär- und Sekundärluft wird auf eine hohe Temperatur vorgewärmt.
Ansicht des Schaltbretts
- Panel mit Standardregelung
Aufbau des Panels:
Hauptschalter, Sicherheitsthermostat, Kesselthermostat 1,Thermometer, Kesselthermostat 2, Raum für elektronische Regelung des Heizsystems (92×138 mm),Rauchgasthermostat, Manometer
Die elektromechanische Regelung ist die optimale Lösung der Steuerung des Kesselbetriebes (Lüfters) auf einfache Art und Weise.
Die Panelausführung mit der Standardregelung ist die Grundausführung für alle hergestellten Kessel.
Äquitherme Steuerung ACD 03
Jeder Kessel kann mit einer modernen Touch-Elektroniksteuerung ATMOS ACD 03 zur Steuerung des gesamten Heizsystems in Abhängigkeit von Außentemperatur, Raumtemperatur und Uhrzeit ausgestattet werden. Diese Regelung ist in der Lage, den Kessel selbst mit einem Ventilator mit vielen anderen Funktionen zu steuern.
- Panel mit elektronischer Regelung ATMOS ACD 03
Spezifikationen
|
Beschreibung des kessels – Zeichnung |
|||
|---|---|---|---|
| 1. | Kesselkörper | 24. | Regulierungs-Ventilator(Kessel)thermostat 2 |
| 2. | Fülltür | 25. | Türfüllung – Sibral – groß |
| 3. | Reinigungstüre | 26. | Türdichtung – Schnur 18 x 18 |
| 4. | Abzugesventilator (J22RR552) – 2x | 27. | Reinigungsdeckel – obere |
| 5. | Hitzebeständiges Formstück – Düse | 28. | Rauchgasthermostat |
| 6. | Schaltfeld | 29. | Pumpethermostat – 70 °C |
| 7. | Sicherheitsthermostat | 30. | Pumpethermostat – Sicherheit – 95 °C |
| 8. | Düsenwürfel – Verlängerung | 31. | Wärmetauscher für thermische Ablaufsicherung |
| 9. | Feuerbeständiges Formstück – Kugelraum – Oberteil | 32. | Kondensator – 2x |
| 10. | Feuerbeständiges Formstück – Kugelraum – Unterteil | 33. | Abgasbremser in der Abgasleitung – 2x |
| 11. | Feuerbeständiges Formstück – Halbmond | 34. | Servoantrieb Belimo |
| 12. | Primärluftblende – 2x | 35. | Abgasbremser – in die Rohrwand – 4x |
| 13. | Anheizklappe | 36. | Sekundärluftregulierung |
| 14. | Rahmenblende | ||
| 15. | Rohrwanddeckel | ||
| 16. | Reinigungsdeckel – untere | ||
| 17. | Hebel der Anheizklappe | K | – Stutzen des Rauchabzugskanals |
| 18. | Thermometer | L | – Vorlauf |
| 19. | Regulierungs-Ventilator (Kessel) thermostat 1 | M | – Rücklauf |
| 20. | Schalter | N | – Muffe für den Einlasshahn |
| 21. | Modul AD03 – 2x | P | – Muffe für den Sensor des die Kühlschleife steuernden Ventils (TS 130, STS 20) |
| 22. | Türschloss | S | – Alternativer Ausgang (z.B. für ein Ausdehnungsgefäß oder einen Boiler) |
| 23. | Füllhahn | R | – Alternativer Ausgang (z.B. für ein Ausdehnungsgefäß oder einen Boiler) |
| Masse (mm) | |
|---|---|
| DC105S | |
| A | 1813 |
| B | 1010 |
| C | 1095 |
| D | 1459 |
| E | 200 |
| F | 129 |
| G | 721 |
| H | 492 |
| I | 307 |
| J | 2″ |
| Spezifikationen | Kesseltyp | |
| DC105S | ||
|---|---|---|
| Wärmeleistung des Kessels | kW | 105 |
| Wärmeleistungsaufnahme des Kessels | kW | 115,6 |
| Heizfläche | m2 | 7,6 |
| Vol. des Brennstoffschachts | dm3 (l) | 300 |
| Maße der Füllöffnung | mm | 450 x 315 |
| Vorgeschriebener Schornsteinzug | Pa / mbar | 25 / 0,25 |
| Max. Betriebswasserüberdruck | kPa / bar | 250 / 2,5 |
| Kesselgewicht | kg | 901 |
| Durchmesser des Abzugskanals | mm | 200 |
| Sicherung der elektr. Teile | IP | 20 |
| Elektrische Anschlussleistung (zusätzlich) | W | 185 |
| Elektrische Anschlussleistung Standby | W | 0 |
| Zündmodus | Manuell | |
| Kessel Wirkungsgrad | % | 90,8 |
| Kesselklasse | 5 | |
| Kesselkategorie | 1 | |
| Betriebsmodus | nicht kondensiert | |
| Energieeffizienzklasse | A+ | |
| Abgastemperatur bei Nenn-Wärmeleistung gemäß EN303-5 | °C | 172 |
| Abgastemperatur / zug zur Berechnung des Abgasweges (Schornstein) | °C / Pa | 182 / 25 |
| Abgasmassenstrom bei Nennleistung | kg / s | 0,053 |
| Vorgeschriebener Brennstoff (Bevorzugter) | Trockenes Holz (Rundholz) mit einem Heizwert von 15 – 17 MJ.kg-1, Wassergehalt mind. 12 % – max. 20 %, Durchmesser 80 – 150 mm |
|
| Durchschn. Verbrauch | kg.St-1 | 28 |
| für die Heizsaison | 1 kW = 1 Raummeter | |
| Vorgeschriebene Holzlänge | mm | 530 |
| Brenndauer bei Nennleistung | Std. | 2 |
| Wasservolumen im Kessel | l | 265 |
| Hydr. Verlust des Kessels | mbar | 0,27 |
| Mind. Volumen des Pufferspeichers | l | 1000 |
| Anschlussspannung | V / Hz | 230 / 50 |
| Die vorgeschriebene Mindestrücklauftemperatur während des Betriebes beträgt 65 °C. Die vorgeschriebene Vorlauftemperatur des Kessels beträgt 80 – 90 °C. |
||









